1992 Dodge Colt 4 cyl Front Wheel Drive Automatic
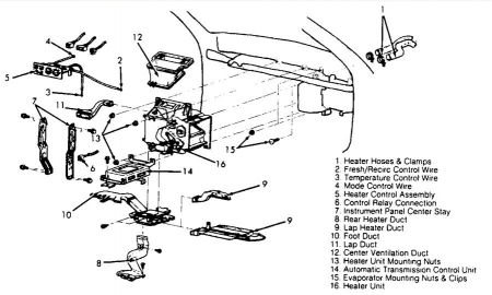
just need a brief explanation on how to replace the ehater core? Im a little lost on where it is and how to replace it NEED AN ANSWER SOON. WINTER IS COMING! Thanks guys!
Wednesday, December 2nd, 2009 AT 5:26 PM




