Thursday, October 30th, 2008 AT 7:52 PM
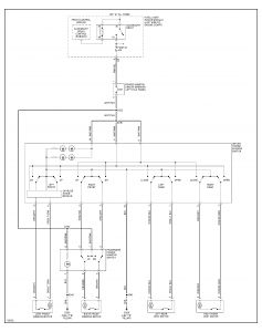
The right window on my Dodge Gran Caravan will not go up but will go down. On the driver's side when I try to put the right window up it will not go, when I push it to go down it will. I appreciate you helping with this problem.


