Sunday, October 17th, 2010 AT 1:04 PM
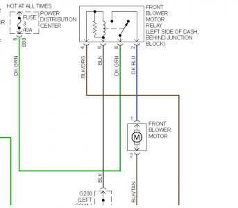
MY turn signals don't work. My heater blowers quit. My abs light and air bag lights came on. None of my rear controls (wipers, defrost, washer). This all happened at the same time. Could it be one relay?


