Factory radio stopped working

Tiny
SHARON_CIV
  • MEMBER
  • 2008 DODGE AVENGER
Electrical problem 4 cyl Front Wheel Drive Automatic 38000 miles

My 2008 Avenger's factory installed radio stopped working. It worked last night and this morning when I started it nothing like there's no power to it. Please help.
Wednesday, December 9th, 2009 AT 7:15 PM

9 Replies

Tiny
MHPAUTOS
  • MECHANIC
  • 31,937 POSTS
Hi there,

Check 2 fuses first, if they are ok, the problem may well be in the radio, and you will need to see if the unit has power and ground and if so the unit is bad and needs to be replaced I suggest an aftermarket unit cheap and easy to install.

mark (mhpautos)


https://www.2carpros.com/forum/automotive_pictures/61395_text_1_4.jpg

Was this
answer
helpful?
Yes
No
+5
Wednesday, December 9th, 2009 AT 7:59 PM
Tiny
KEN L
  • MASTER CERTIFIED MECHANIC
  • 55,440 POSTS
Hello,

Here are some guides and a wiring diagram (below) to help you do some simple testing for power.

https://www.2carpros.com/articles/how-to-check-a-car-fuse

and

https://www.2carpros.com/articles/how-to-use-a-test-light-circuit-tester

Please run this test and get back to us we are interested to see what it is.

Cheers, Ken
Was this
answer
helpful?
Yes
No
+2
Thursday, August 3rd, 2017 AT 8:42 PM
Tiny
PEWM1958
  • MEMBER
  • 1 POST
  • 2008 DODGE AVENGER
  • 4 CYL
  • FWD
  • AUTOMATIC
  • 31,000 MILES
Radio and clock stopped working yesterday. Replaced the two mini fuses, thinking that was the problem, still not working. The fuses I replaced were under the hood. Can you please advise what this could possibly be? Is there an section inside where I should be checking for additional fuses?

Thank you,

Paula Martin
Was this
answer
helpful?
Yes
No
Sunday, December 2nd, 2018 AT 10:35 AM (Merged)
Tiny
KEN L
  • MASTER CERTIFIED MECHANIC
  • 55,440 POSTS
Hey Paula,

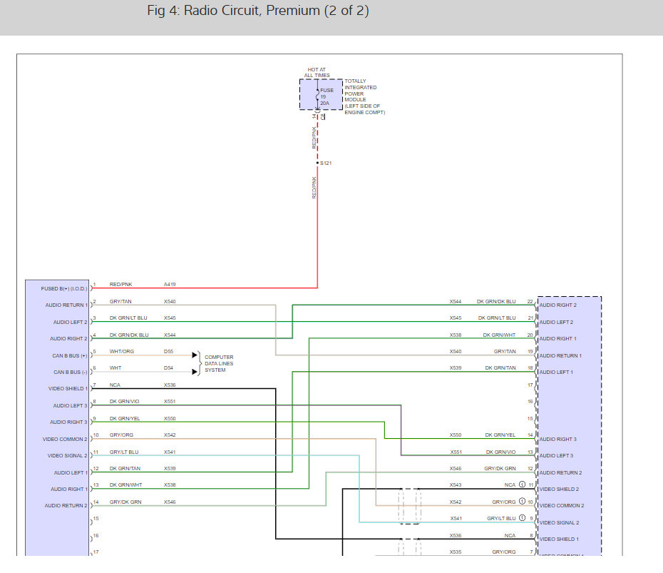
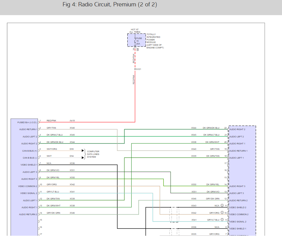
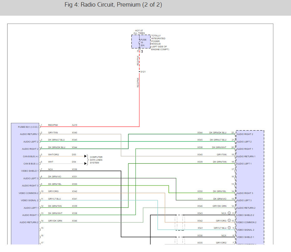
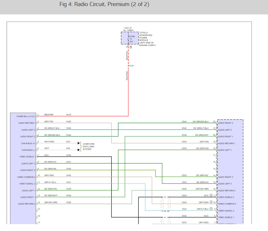
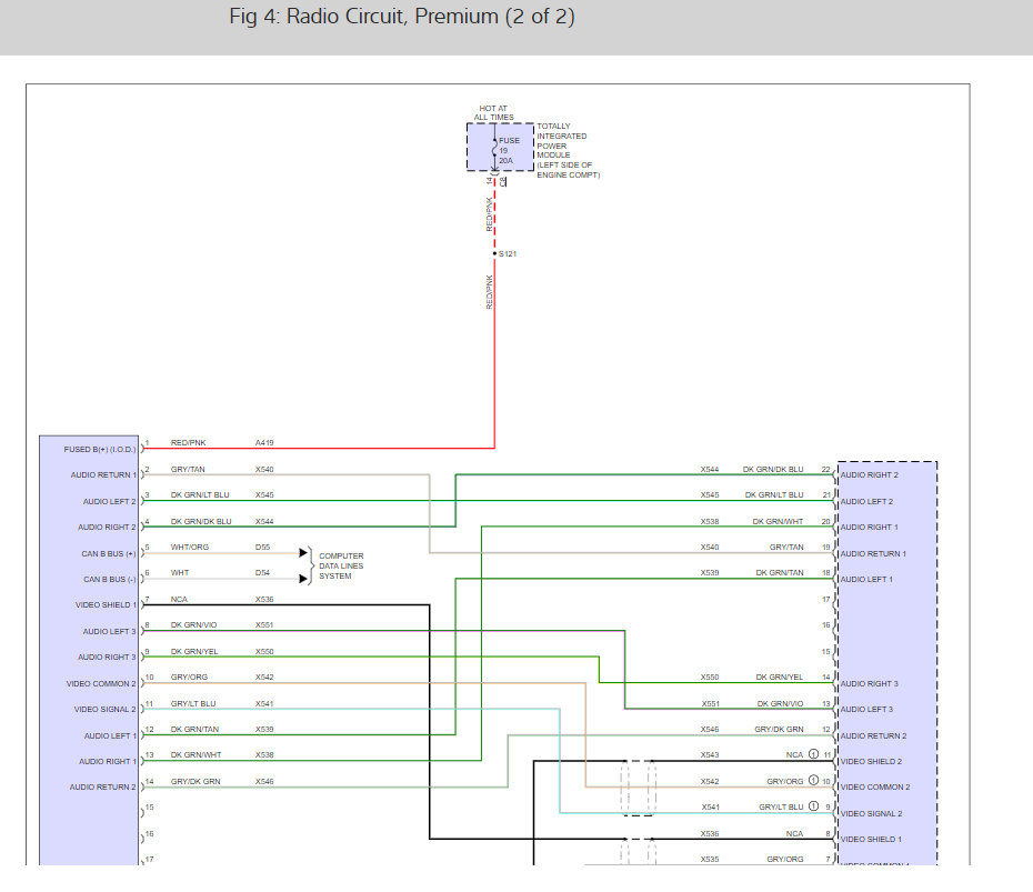
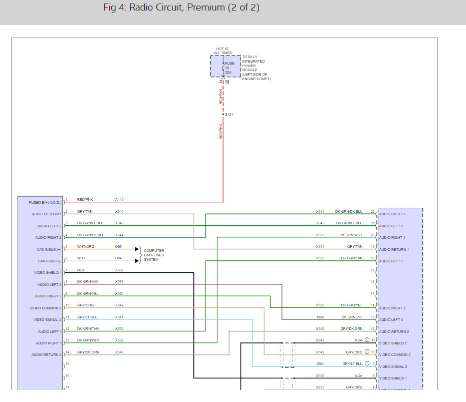
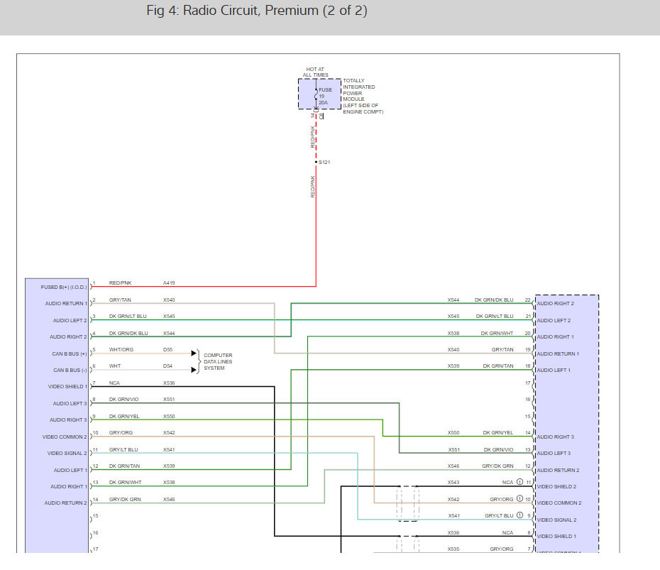
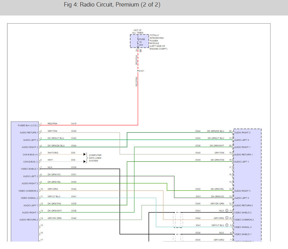
The radio is integrated with the power amplifier which share some circuits with the clock. I have included a wiring diagram which shows #19 fuses might be bad. Here are the radio wiring diagrams so you can see how the system works and the fuse locations with a guide to help you test.

https://www.2carpros.com/articles/how-to-check-a-car-fuse

Check out the diagrams (Below). Please let us know what you find. We are interested to see what it is.

Cheers, Ken

Was this
answer
helpful?
Yes
No
-2
Sunday, December 2nd, 2018 AT 10:35 AM (Merged)
Tiny
DIGIANGEL234
  • MEMBER
  • 0 POST
Thank you for this post I checked the #19 fuse it was bad, replaced it and its all fixed! I love this site.
Was this
answer
helpful?
Yes
No
Sunday, December 2nd, 2018 AT 10:35 AM (Merged)
Tiny
2CP-ARCHIVES
  • MEMBER
  • 4,540 POSTS
  • 2010 DODGE AVENGER
  • 67,500 MILES
My 2010 Avenger R/T is having issues with the electrical system and it is very unusual to say the least. The car started to act like the alternator went out and the battery was dead while driving it. It started to slow and act like itwanted to stall. The electrcal indicator came on and such it was taken in and the battery and alternator was replaced although it started doing the same thing again shortly after. There wa an issue that also came up as well the stereo stopped working as well it came on and would then mute out a minute or so later. Theis continues today and its weird when the tps sensore goes on it does this but shuts off when the sensore goes off. The stereo still does not work though and I got a flat and put the spare on and the stereo started working again. Do you have any idea what the issue may be here I am ready to drop it off a cliff!
Was this
answer
helpful?
Yes
No
+1
Sunday, December 2nd, 2018 AT 10:35 AM (Merged)
Tiny
TOMAC62
  • MEMBER
  • 1 POST
I know this is an old post but I need an answer and hoping the right person will pass along the answer, Our 2010 Avenger is doing the exact same things and at this point I have no idea what it can be, One thing I found on the internet but have not looked at yet is a bad or maybe loose ground wire from the PCM.
Was this
answer
helpful?
Yes
No
-1
Sunday, December 2nd, 2018 AT 10:35 AM (Merged)
Tiny
VANCEPRK18
  • MEMBER
  • 1 POST
  • 2000 DODGE AVENGER
  • 6 CYL
  • FWD
  • AUTOMATIC
  • 90,137 MILES
I have had a problem trying to put a new head unit in my Dodge, it comes on but no sound comes through the speakers, I read that I may have to disconnect the infinity amp, and put a whole new setup in my car including New Wiring, Amp, And Speakers. If you can help I would appreciate it,

Thank you for your time,
Vance
Was this
answer
helpful?
Yes
No
Sunday, December 2nd, 2018 AT 10:35 AM (Merged)
Tiny
CARADIODOC
  • MECHANIC
  • 34,485 POSTS
All Chrysler radios put out speaker level output. The remote amp(s) only change the tone for the shape of the vehicle. These are very high quality systems. The only difference between the Infinity vs. Non-Infinity radios is the Infinity puts out less bass. It is made up in the amps. Any downgrade to an aftermarket radio will likely result in too much bass. All of these radios will have a wire labeled "power antenna" or "switched power". This wire must be connected to the amp power wire in the original radio's connector. Without it, the amp won't turn on and there will be no sound.

Caradiodoc
Was this
answer
helpful?
Yes
No
+2
Sunday, December 2nd, 2018 AT 10:35 AM (Merged)

Please login or register to post a reply.