Friday, October 2nd, 2009 AT 6:37 PM
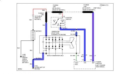
The voltage on my car seemed a little low so I decided to replace the alternator. I replaced it and the voltage went up to where it should be. The battery died a few days later so the car ran off the alternator for a while being jumped a few times before I bought a new battery. After getting the new battery things went back to normal for a few days. Then the voltage started getting lower, the alternator had died. I went and put another new one in and it worked for a day, now brand new alternator #2 has stopped producing electricity. I have coated as many electrical connections as I can with silicone dielectric grease and looked for shorts but haven't found any clues.



