Here is the link:
https://www.jegs.com/i/JEGS/555/40005K/10002/-1?gclsrc=aw.ds&&mrkgcl=1239&mrkgadid=3341146068&adpos=1o8&creative=351579892256&device=m&matchtype=&network=g&jegspromo=nonbrand&gclid=Cj0KCQjw9JzoBRDjARIsAGcdIDXCuHyqZd8fnztgKrTv72Hr9aYvRZwMgxZIwgIeAQ3tK4i81tr9HZUaAkgDEALw_wcB
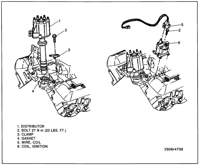
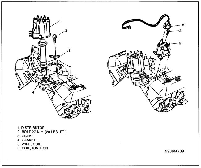
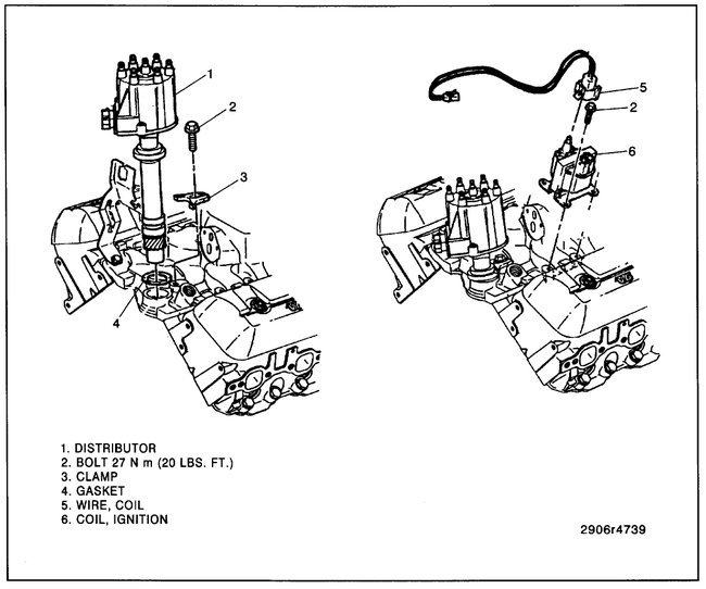
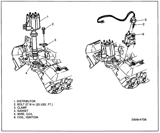
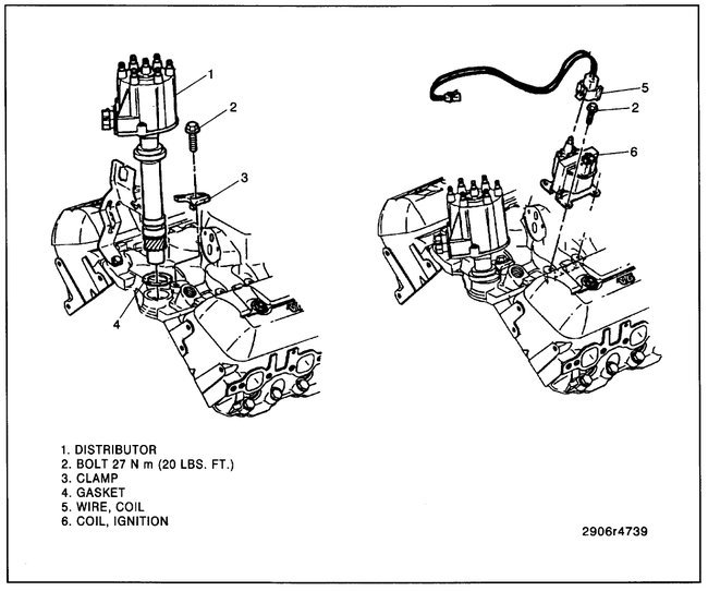
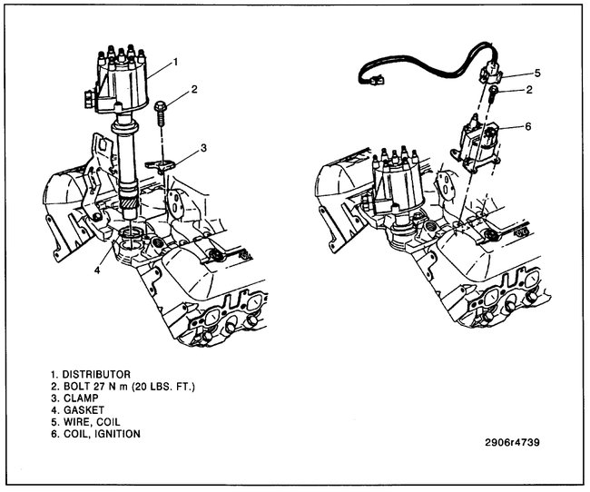
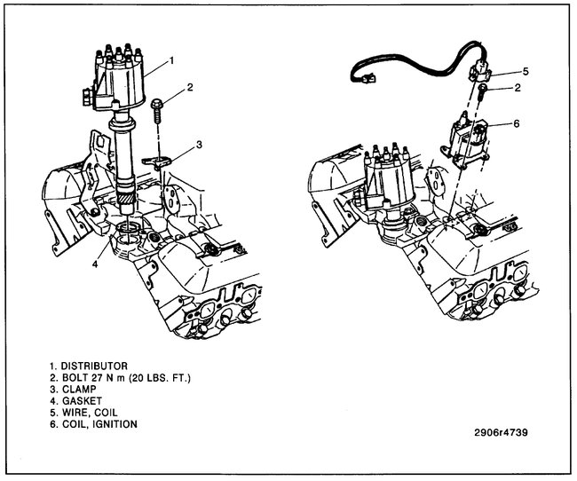
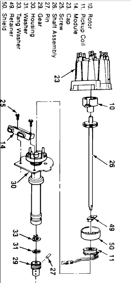
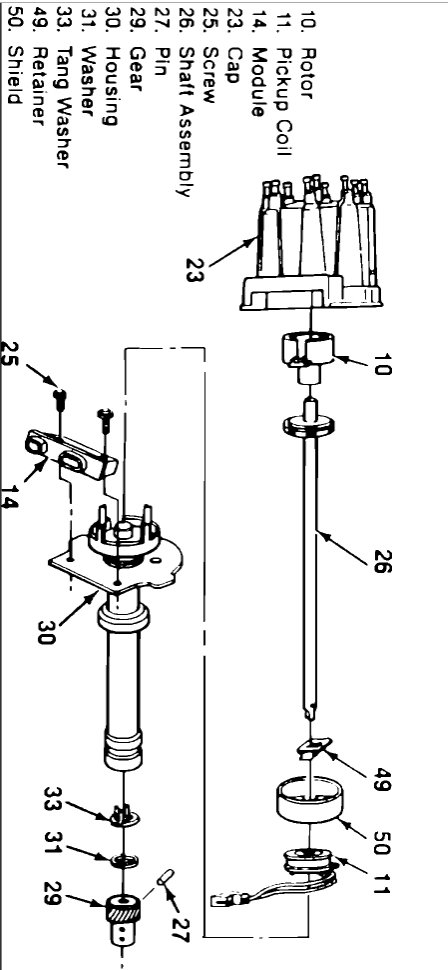
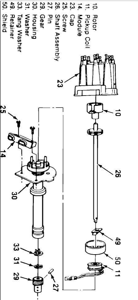
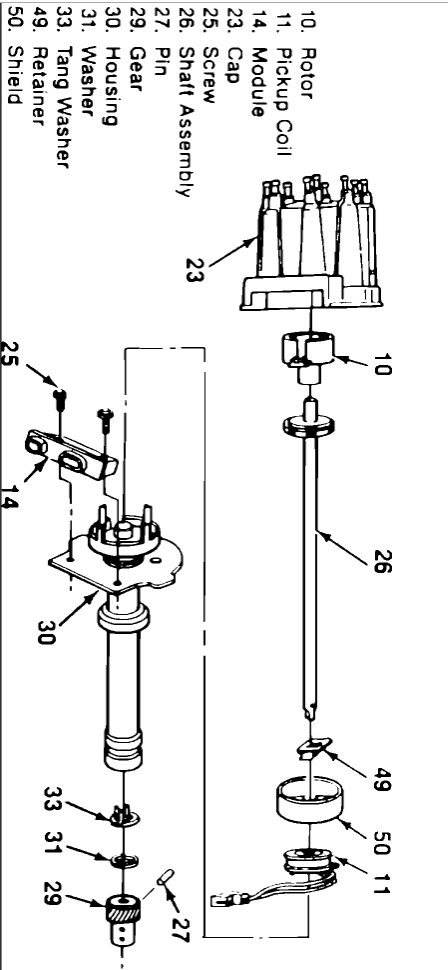
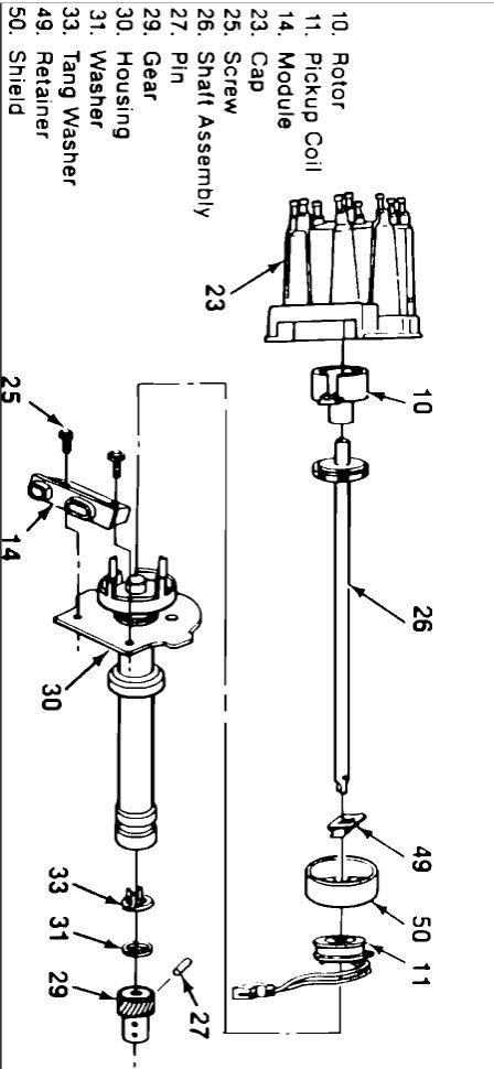
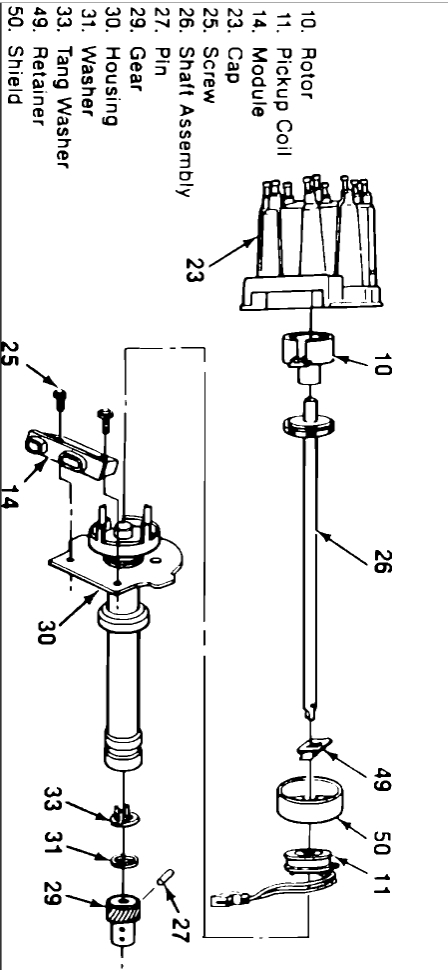
This distributor uses the ignition box device that I have no idea how I'd have to hook up and what wires would probably go where since I'm still very new to performance parts
And if it's possible I could use an explanation on the properly timed installation and the whole bringing it to top dead center stuff and adjust the ignition timing
Thanks for any help and have a good day.
Thursday, August 1st, 2019 AT 3:41 AM








