Tuesday, October 15th, 2024 AT 2:53 AM
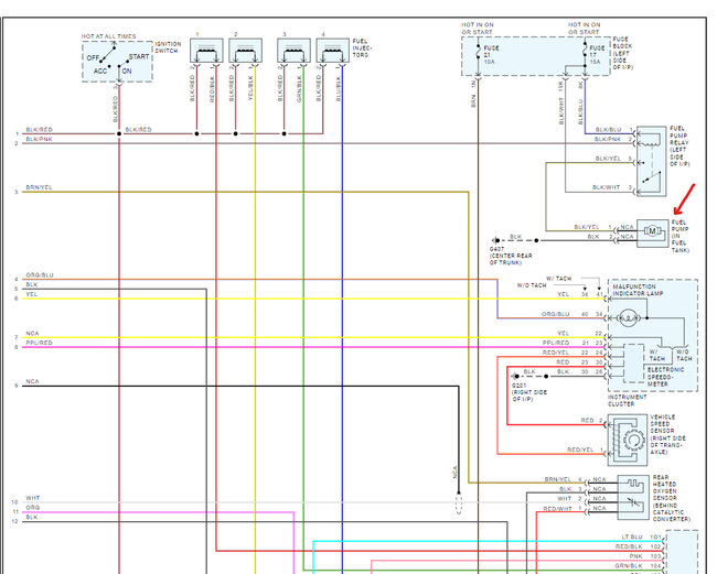
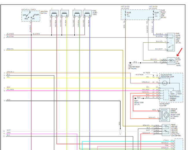
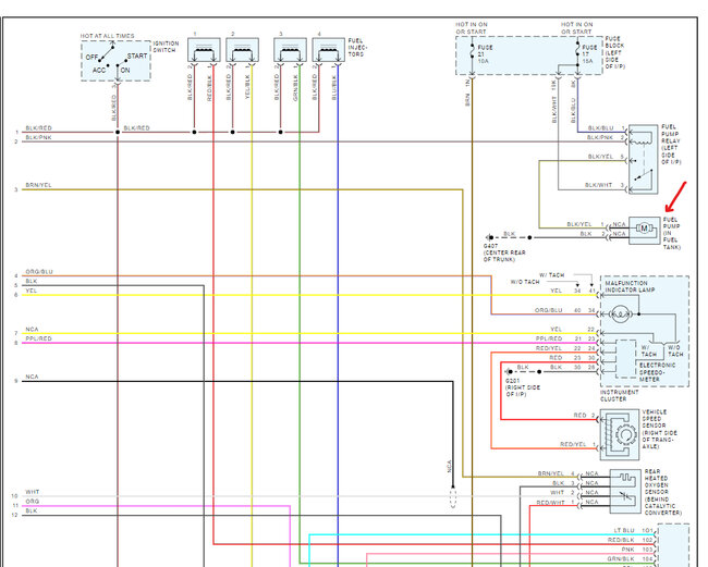
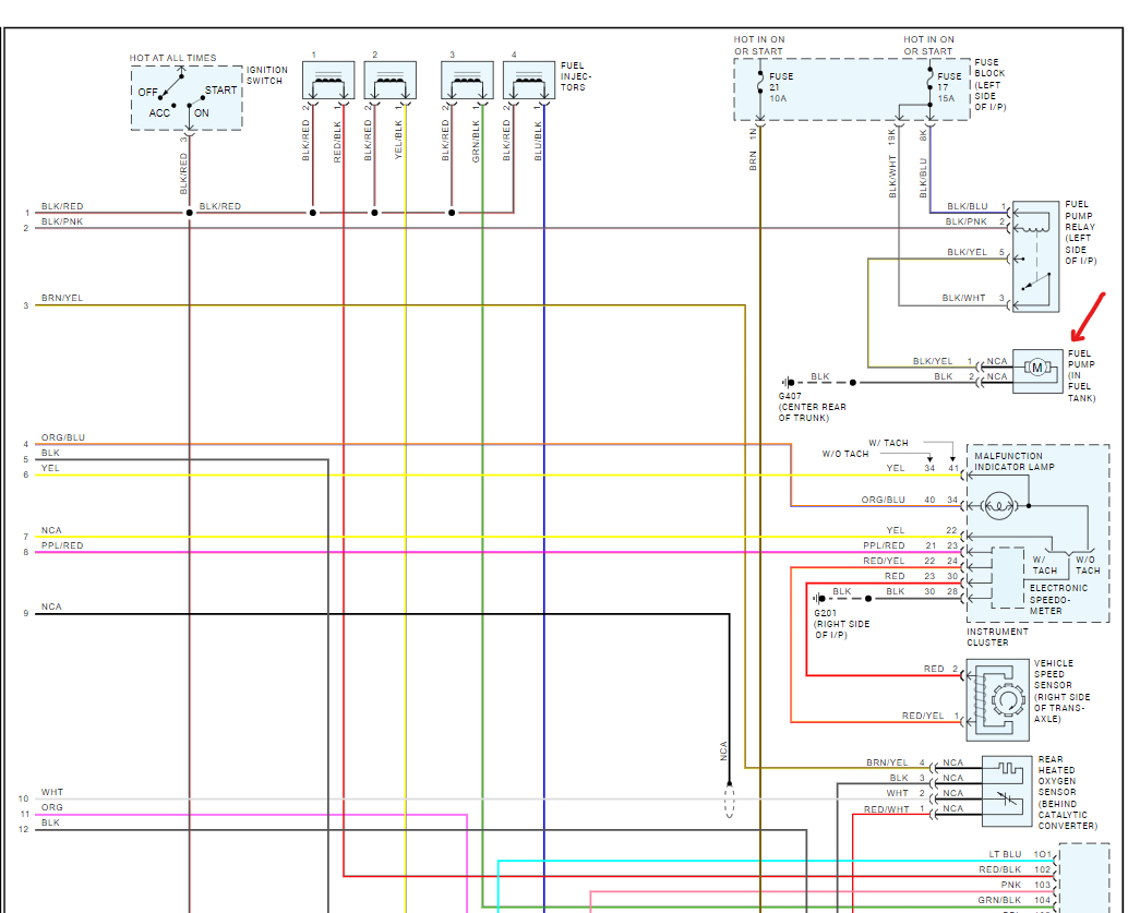
I bought the car listed above base model. The fuel sending unit wasn't any good Soni ordered one, but the new one was a 3+2 connection my car has and requires a 4+2 connection. So, I've looked everywhere online and from what I gather the 4+2 was discontinued and I'm stuck with a $100 sending unit and pump assembly. Can I get some help on locating the assembly that I need or instructions in wiring it up somehow?



