Warning on dash says right directional not responding?

2015 GMC YUKON
121,000 MILES • 6.2L • V8 • 4WD • AUTOMATIC
Avatar
JAUTO1
  • MEMBER
  • 3 POSTS
This vehicle is a Denali, so it has all digital lighting. Right directional start off normal then speeds up.
Apr 15, 2023 at 12:11 PM
Advertisement
Avatar
JACOBANDNICKOLAS
  • CAR REPAIR CONTRIBUTOR
  • 110,190 POSTS
Hi,

Does it do it regardless of the direction? Also, if the light speeds up as you mentioned, that is an indication of bulb failure. Have you checked to see if there are any not working?

Let me know.

Joe
Apr 15, 2023 at 10:07 PM
Advertisement
Avatar
STRAILER
  • CAR REPAIR CONTRIBUTOR
  • 54,256 POSTS
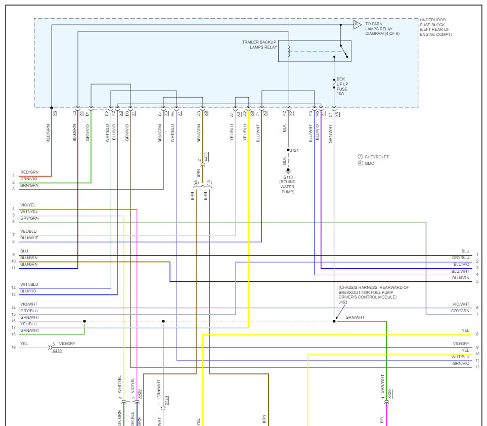
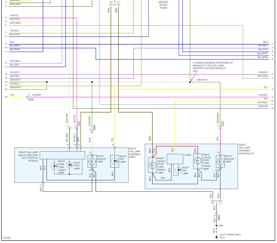
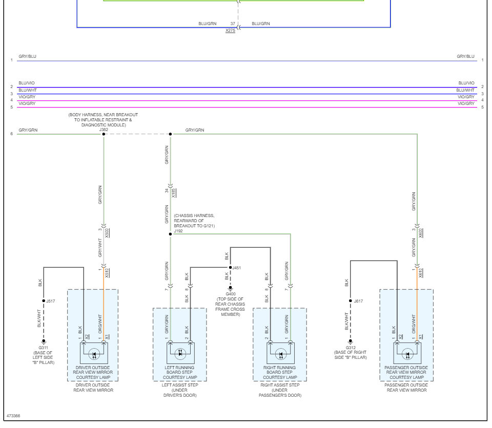
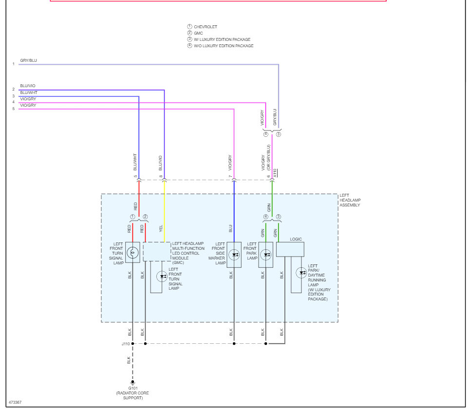
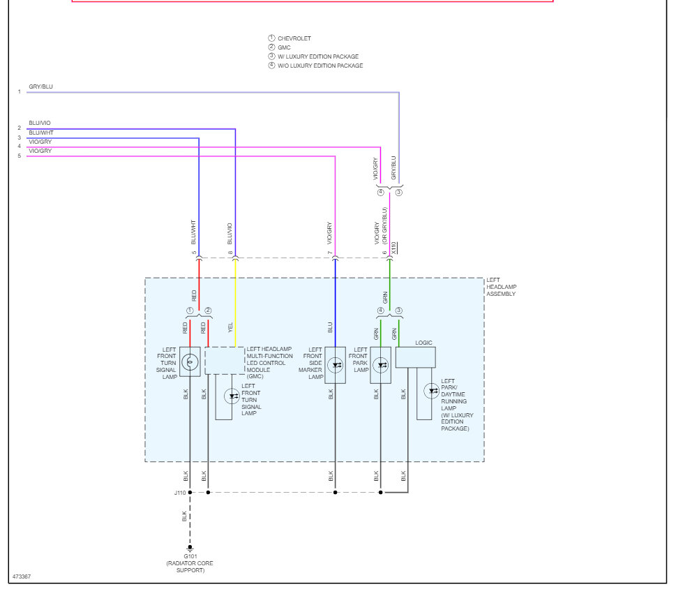
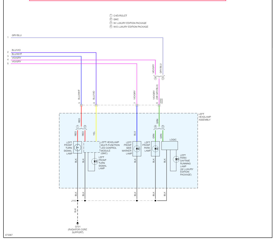
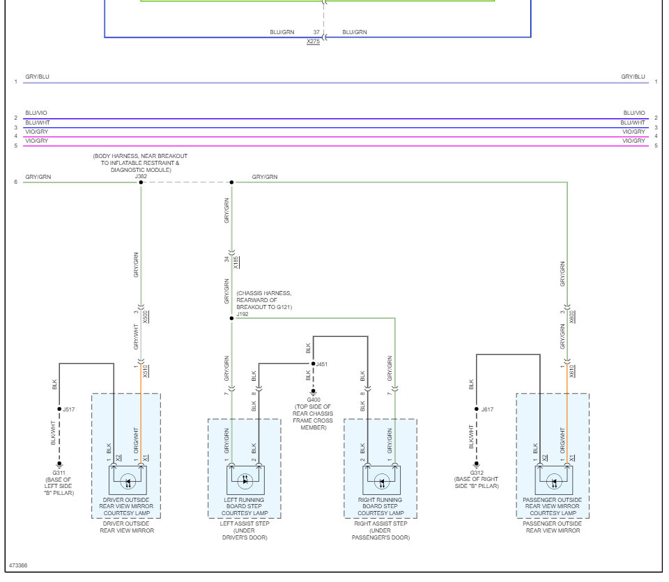
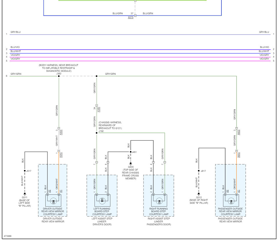
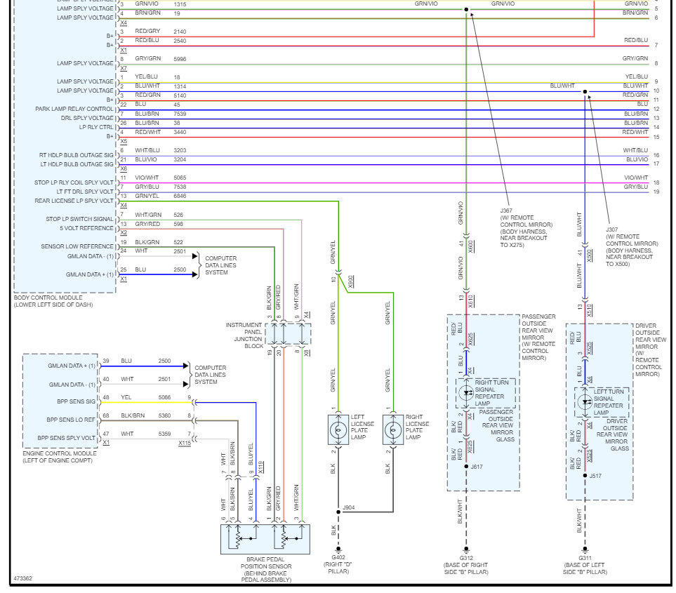
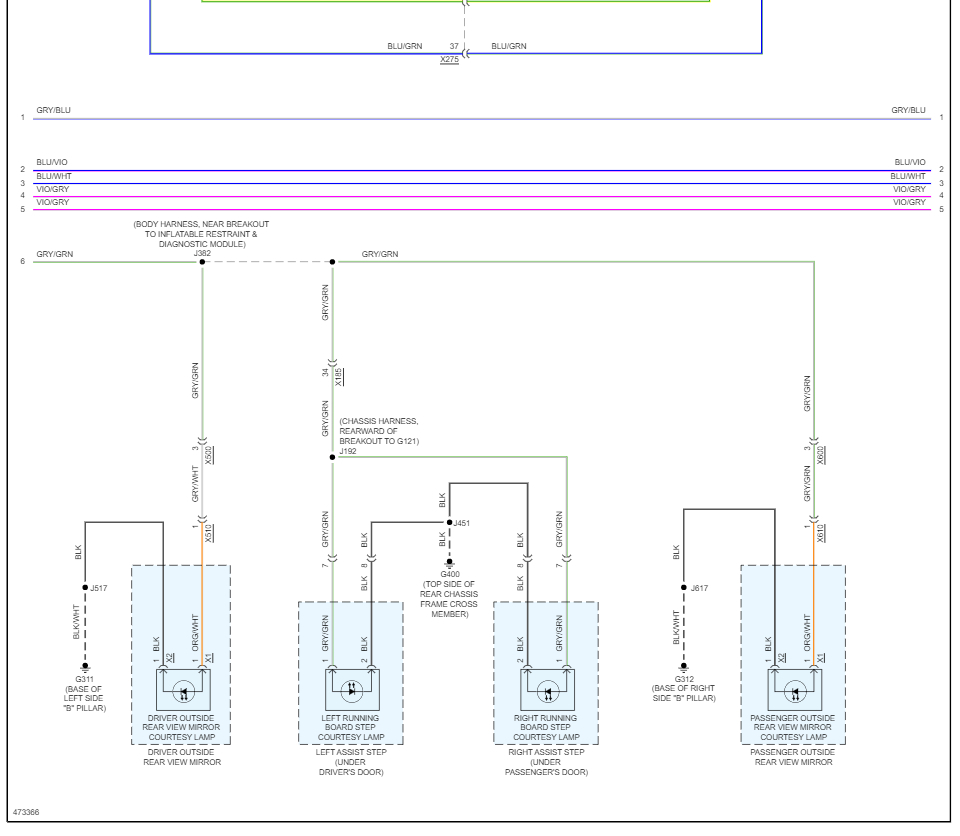
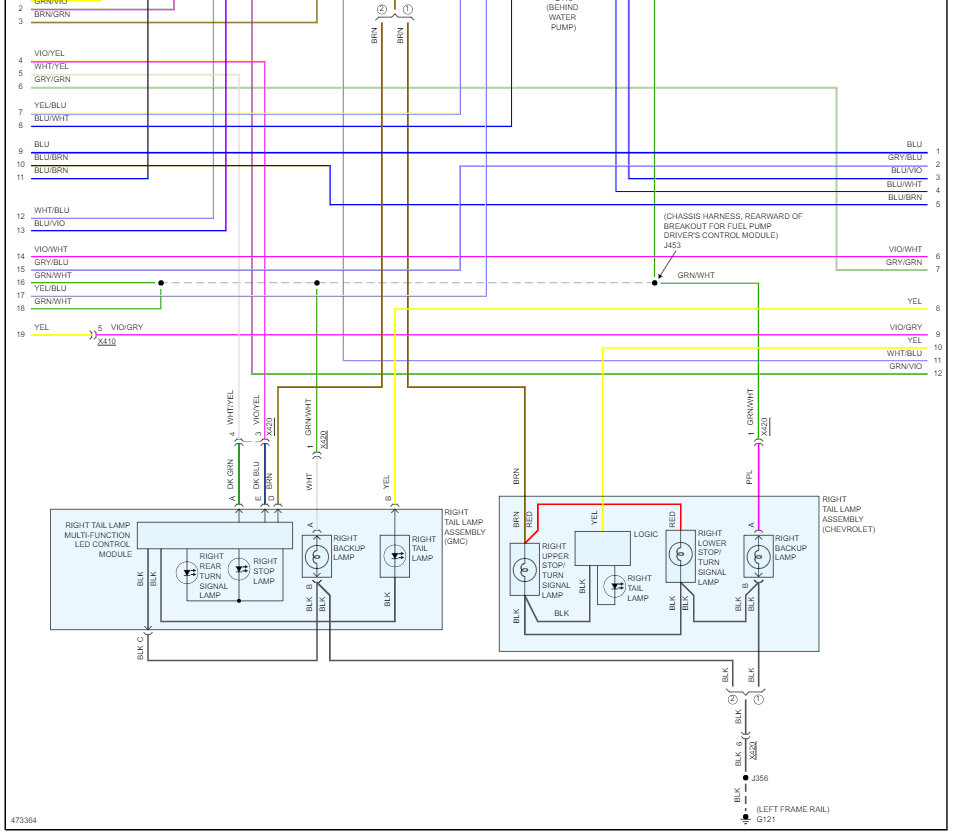
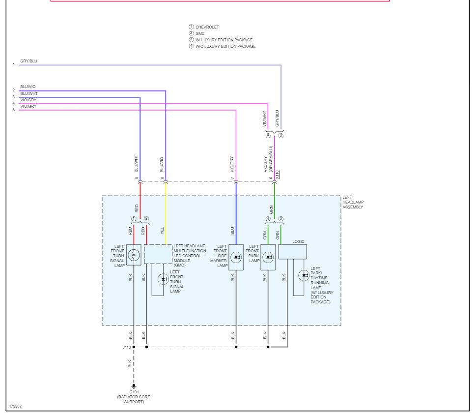
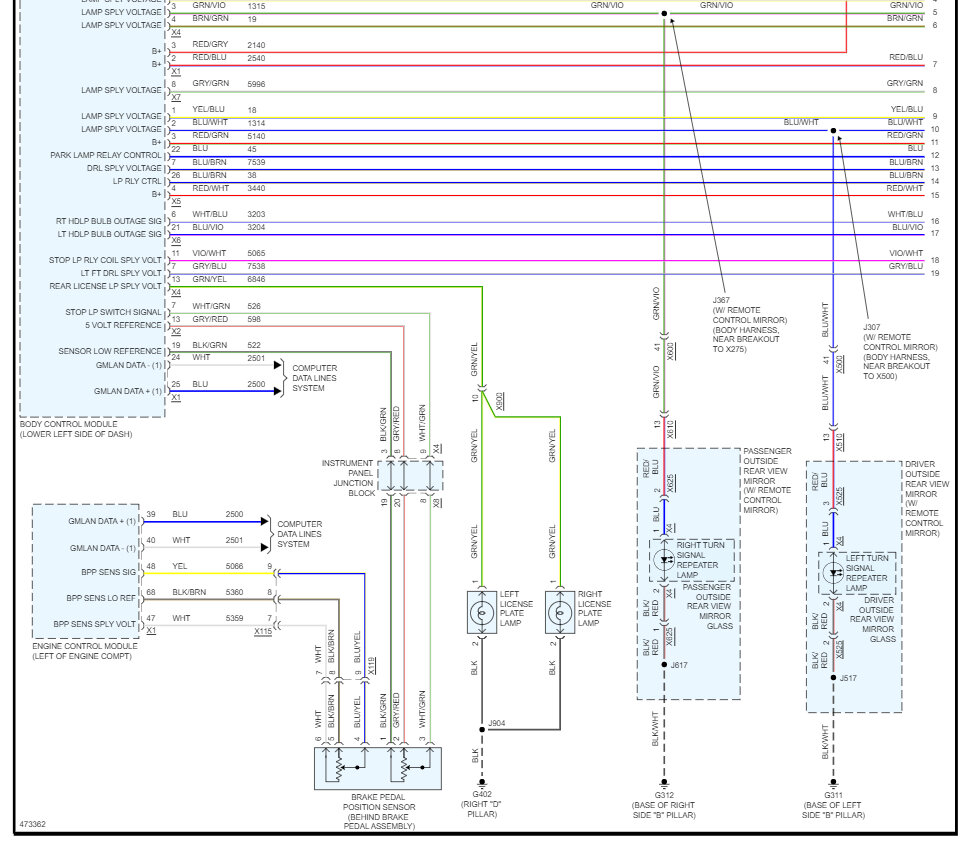
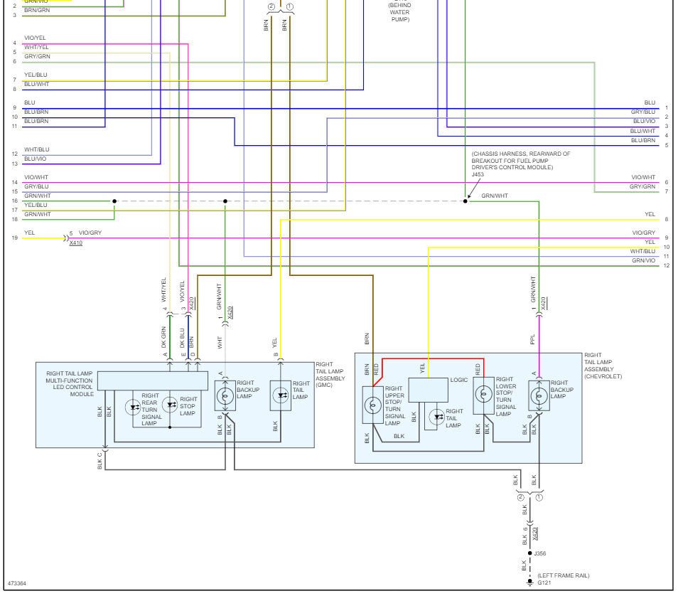
With the blinkers going can you check to see if the front and rear directional LEDs are working? Chances are you have a right rear LED control module that is out and needs to be replaced. Here are the blinker wiring diagrams so you can see how the system works. Here is how the LED module is replaced in the images below. Check out the images (below). Please let us know what happens.
Apr 16, 2023 at 6:12 PM
Avatar
JAUTO1
  • MEMBER
  • 3 POSTS
Thank you for the quick reply. All the LEDs are working. I'm getting the vehicle back this week. I'll stay in contact.

Thank you
Apr 17, 2023 at 6:32 AM
Avatar
STRAILER
  • CAR REPAIR CONTRIBUTOR
  • 54,256 POSTS
Sounds good, it might be the BCM that is going out.
Apr 18, 2023 at 8:45 AM
Avatar
JAUTO1
  • MEMBER
  • 3 POSTS
I have them schedule for May 2nd.
Apr 18, 2023 at 8:58 AM
Repair Safety Notice: This information is for general instructional purposes only. Vehicle repair can be dangerous. Verify all information, follow manufacturer service procedures, use proper tools and safety equipment, and consult a qualified repair shop when needed.