Direction lights system green report lights do not work on the instruments cluster

Tiny
FRAGO
  • MEMBER
  • 1991 BUICK PARK AVENUE
  • 3.8L
  • V6
  • 2WD
  • AUTOMATIC
  • 170,000 MILES
Hello,

My direction lights work on both sides, the hazard lights too. The green report lights don't work on the instruments cluster. What can be the problem? What are the different components involved in the direction lights process?
Thanks for helping.
Frago
Saturday, April 3rd, 2021 AT 7:26 AM

7 Replies

Tiny
KEN L
  • MASTER CERTIFIED MECHANIC
  • 55,112 POSTS
I would remove the cluster to replace the bulbs and check the connection and check the bulbs. This video shows the job being done on a similar car but the process is the same:

https://youtu.be/_HEC44xENxw

Let us know what happens and please upload pictures or videos of the problem.
Was this
answer
helpful?
Yes
No
Wednesday, April 7th, 2021 AT 10:52 AM
Tiny
FRAGO
  • MEMBER
  • 32 POSTS
Hi,

Thanks for this first answer. I have already check the cluster, I removed it, check the bulbs with a ohmmeter and everything seems to be okay. I checked also the connections and they seem to be okay too. I read something about a lamp module somewhere in the car? Do you know about this?
By the way, the odometer trip doesn't work too. This may be another element to conclude that the cluster is wrong. What do to think?
Thanks for helping and have a good day.
Was this
answer
helpful?
Yes
No
Wednesday, April 7th, 2021 AT 11:44 PM
Tiny
STEVE W.
  • MECHANIC
  • 15,616 POSTS
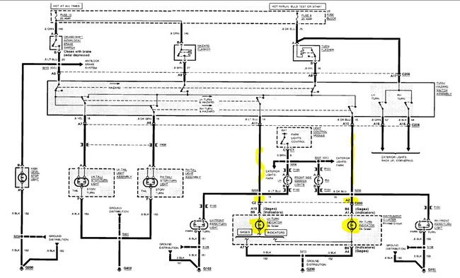
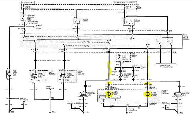
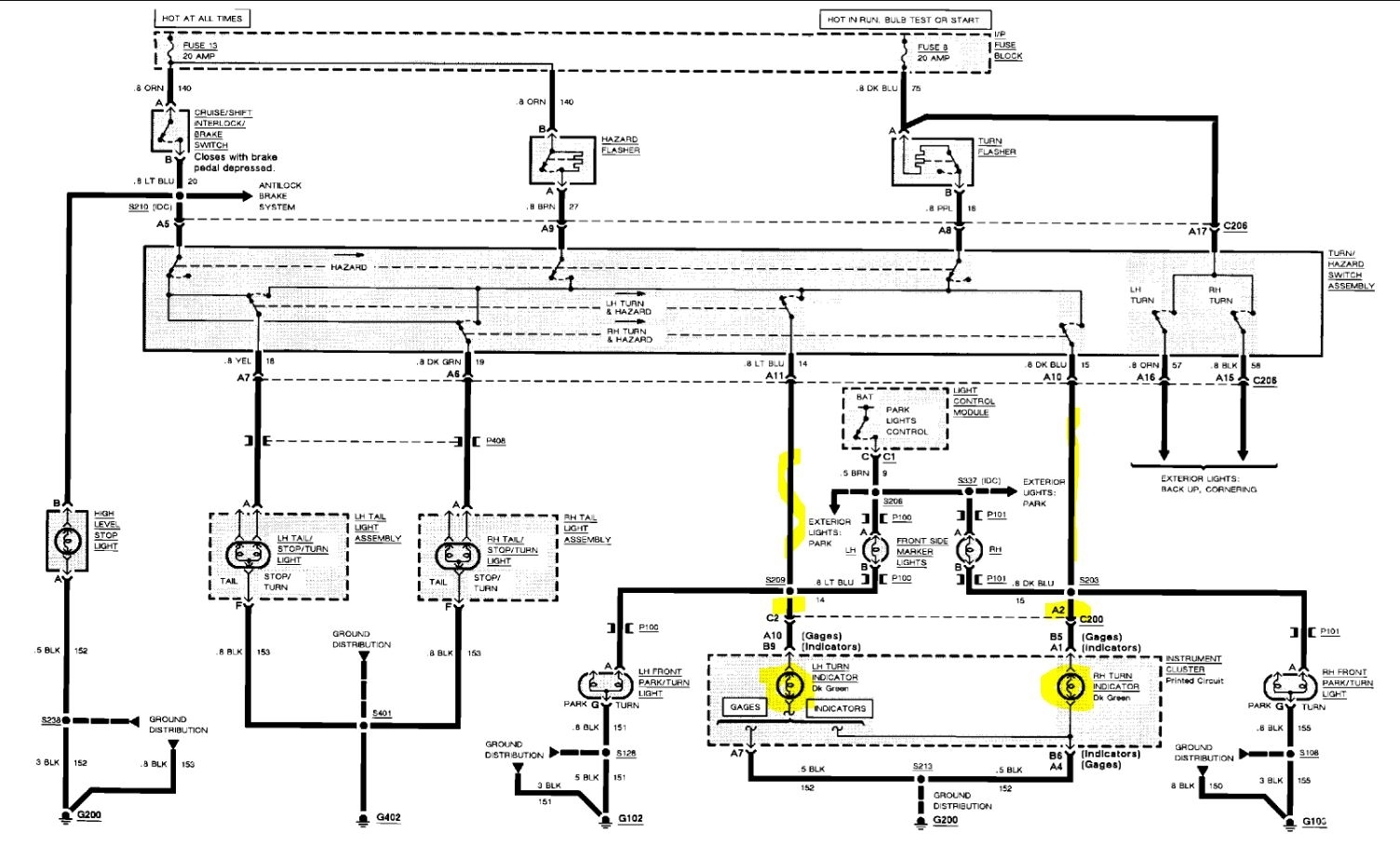
The lamp module doesn't connect to those indicators in that way, it is an optional item and if you have it you could tell as it will show you if a particular light burns out or is disconnected. It monitors the headlights, tail lights and brake lights. The dash indicators connect to the turn signal feeds and flash with either selected light and both when hazards are selected. They get their power from the same feeds that power the front turn signals.
This is the basic schematic without the light monitor, the dash indicators work the same way on both, with the same wiring and colors, this one is just easier to read.

The highlighted pieces are the wires for the dash indicators. I would also start by pulling the dash and testing the two power feeds to the dash bulbs using a test light. The pins are different based on which display you have, if it has a full set of gauges like water temperature, oil pressure and volts the wires will be a light blue (left turn) at pin 10 in connector A and a dark blue (right turn) on pin 5 in connector B If the dash only has an oil light and a charge light then the positions change. The light blue wire is now at pin 9 in the B connector and the dark blue is at pin 1 in the A connector.
With the dash out and the connectors exposed you should be able to take a test light connected to ground and probe the two wires with the hazards on. The wires will have power when the front lamps flash on. If you find power on both but still have no indicators in the instrument cluster it is likely that the ground for the lamps has failed. It is a black wire and also changes if you have gauges or lights. With gauges it will be on pins 4 and 7 in connector A, if only lights cluster it will be pin 6 in connector B.

As both are out I suspect it's the ground connection as it's not likely that both splices and feeds failed at the same time, however it is possible they were damaged internally on the printed circuit board.
Was this
answer
helpful?
Yes
No
Thursday, April 8th, 2021 AT 12:36 AM
Tiny
FRAGO
  • MEMBER
  • 32 POSTS
Thanks for this complete answer. What about the trip odometer? I could reset it once with the push button. Now the counter is set on zero and doesn't increment miles anymore. I was wondering if the trip odometer has something in common with the directions indicators? Maybe ground?
What do you think?
Was this
answer
helpful?
Yes
No
Thursday, April 8th, 2021 AT 1:32 AM
Tiny
STEVE W.
  • MECHANIC
  • 15,616 POSTS
For that vehicle it's hard to say as they never released schematics of the actual instrument panel, only which wires went to it. It's possible the reset could be related if it used the same ground connection but I can't say for sure without knowing the internals of the panel. Does it have an electronic odometer or a mechanical wheel style? 91 could be either, if it's the wheel type then it's likely not a ground as those are mechanical and it's more likely that the drive gear in the trip section failed.
Was this
answer
helpful?
Yes
No
Thursday, April 8th, 2021 AT 7:01 AM
Tiny
FRAGO
  • MEMBER
  • 32 POSTS
Thanks again for this answer. What is the relation between the mileage odometer and the trip odometer? As there's no mechanical cable coming from the gearbox I assume it's an electrical one. Mileage odometer works perfectly.
Was this
answer
helpful?
Yes
No
Thursday, April 8th, 2021 AT 11:24 AM
Tiny
STEVE W.
  • MECHANIC
  • 15,616 POSTS
They are both driven electronically based on the same signal that powers the speedometer. It uses that signal to calculate the speed and that drives the speedometer needle motor and the motor for the odometer. The trip meter is driven off the same system using a series of gears or second motor like the odometer. Which dash do you have, the one with a speedometer, tachometer and gauges, or the "base" version with just a wide speedometer?
The gauge unit used a stacked odometer/trip meter that drives off the same motor, on those you can try "popping" the button a couple times (push it in with a thin item like a fingernail and then slip off the button while it is pressed to let the spring pop it up, sometimes the reset gearing can stick. On the wide speedometer version you can try the same thing but if the drive motor isn't working it won't do anything.
Was this
answer
helpful?
Yes
No
Thursday, April 8th, 2021 AT 12:04 PM

Please login or register to post a reply.