Dimmer wire color for footwell illumination diagram needed?

2012 MAZDA 3
246,000 MILES • 2.0L • 4 CYL • 2WD • MANUAL
Avatar
JOEPONTIAC
  • MEMBER
  • 13 POSTS
Hi,

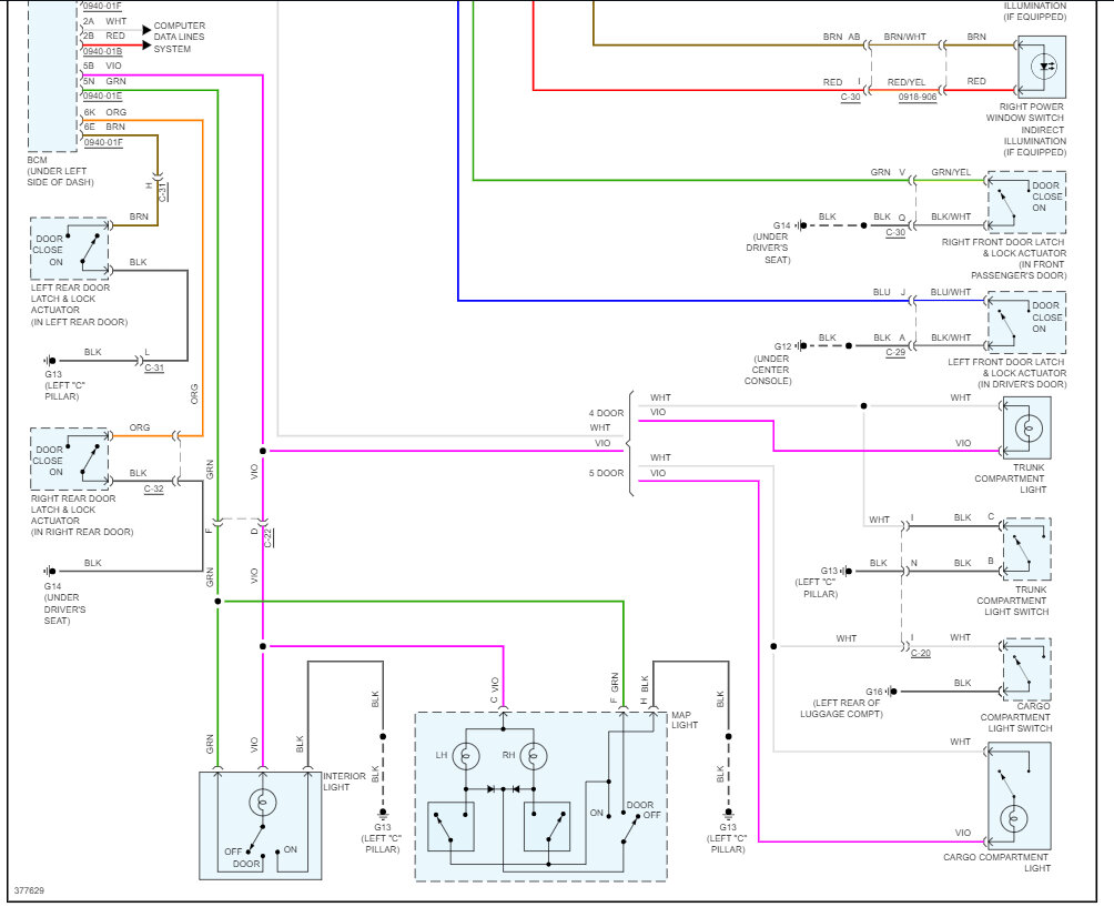
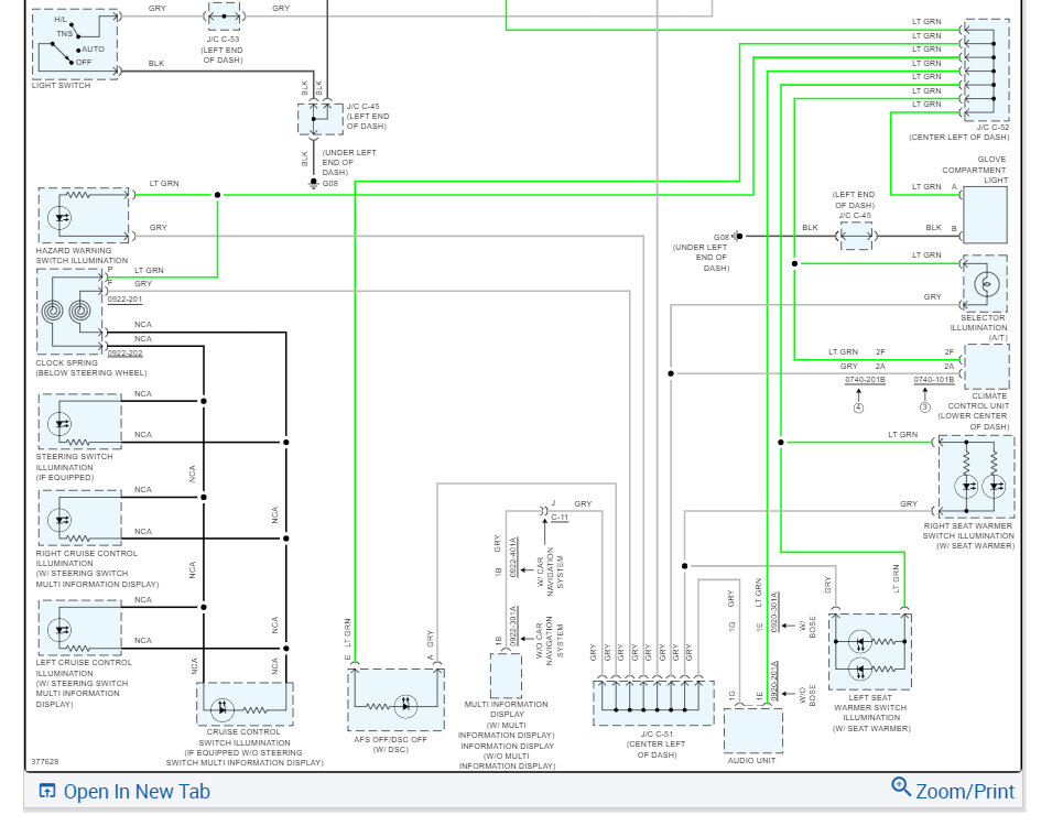
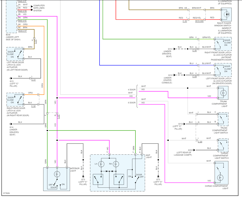
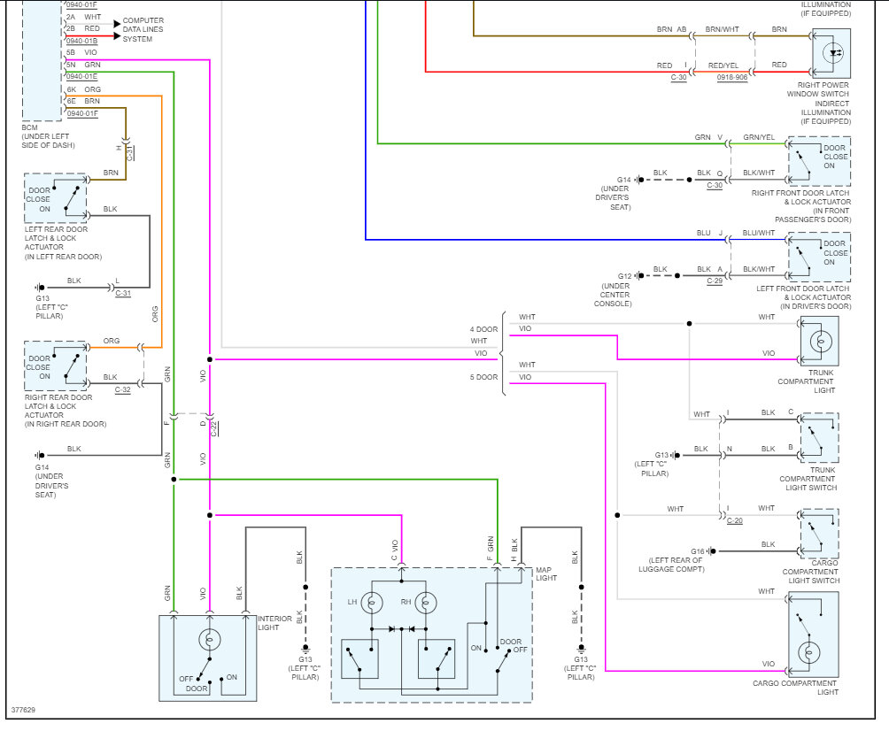
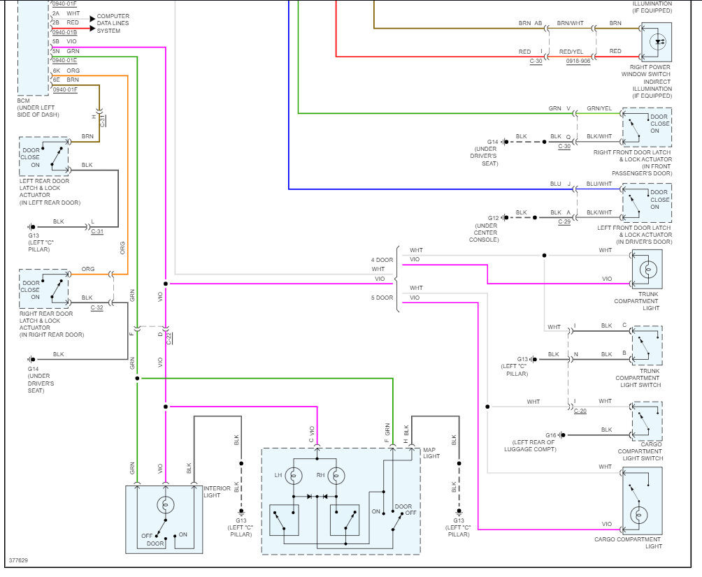
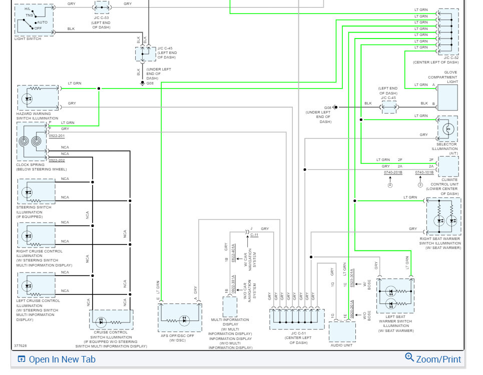
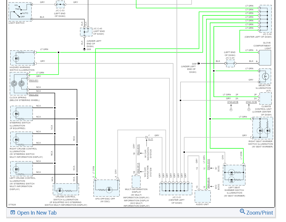
I want to install LED light in the footwell of my car. I want a diagram where I can find illumination wire inside the car. I have found that its fuse is in the engine fuse box.
Thanks
Oct 26, 2023 at 10:12 PM
Advertisement
Avatar
STRAILER
  • CAR REPAIR CONTRIBUTOR
  • 54,271 POSTS
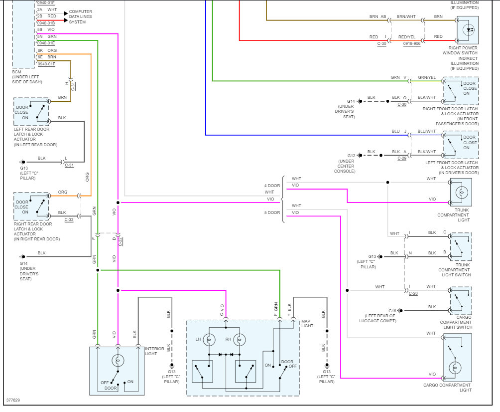
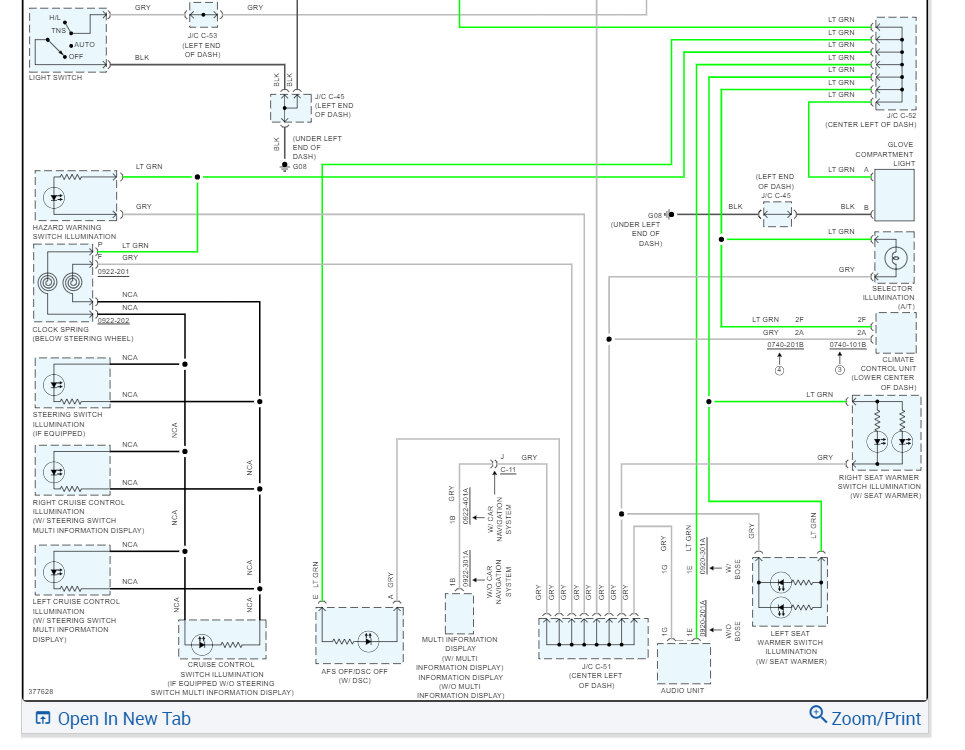
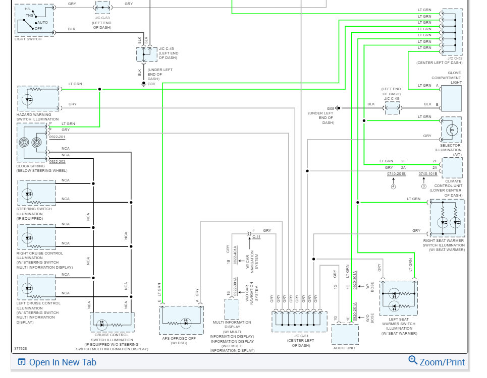
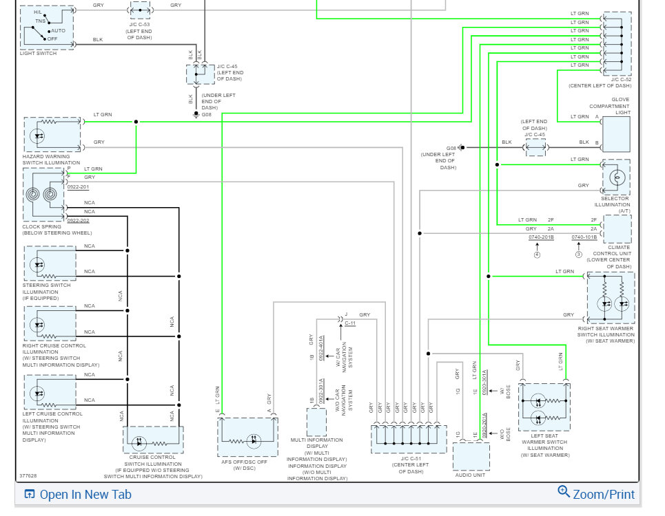
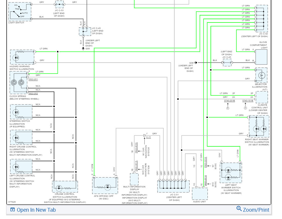
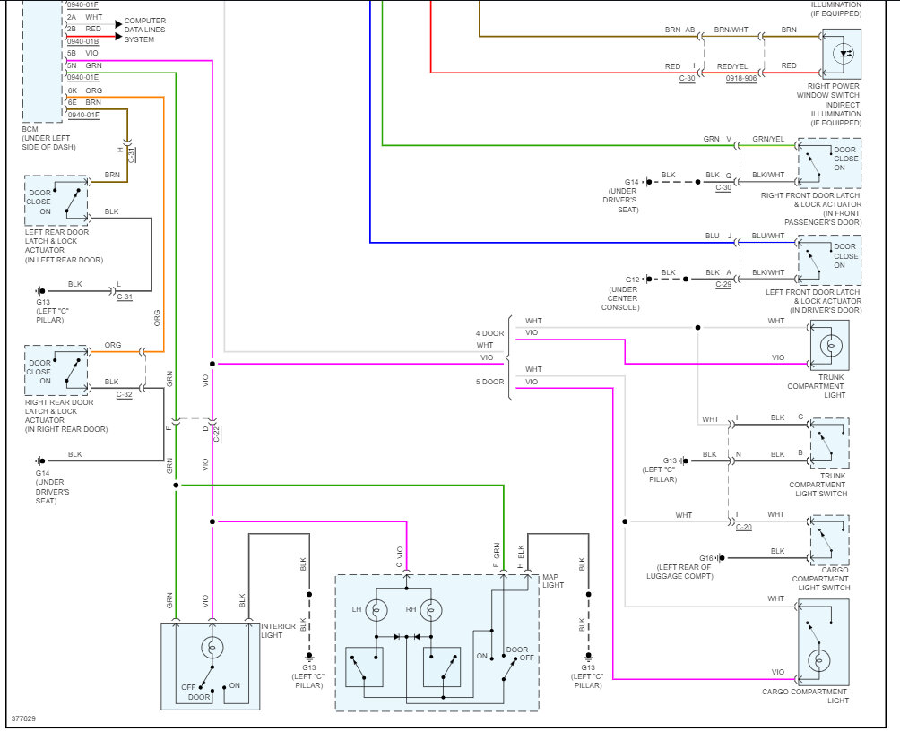
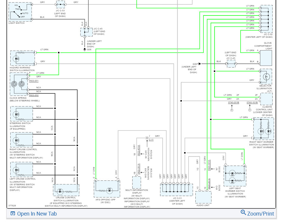
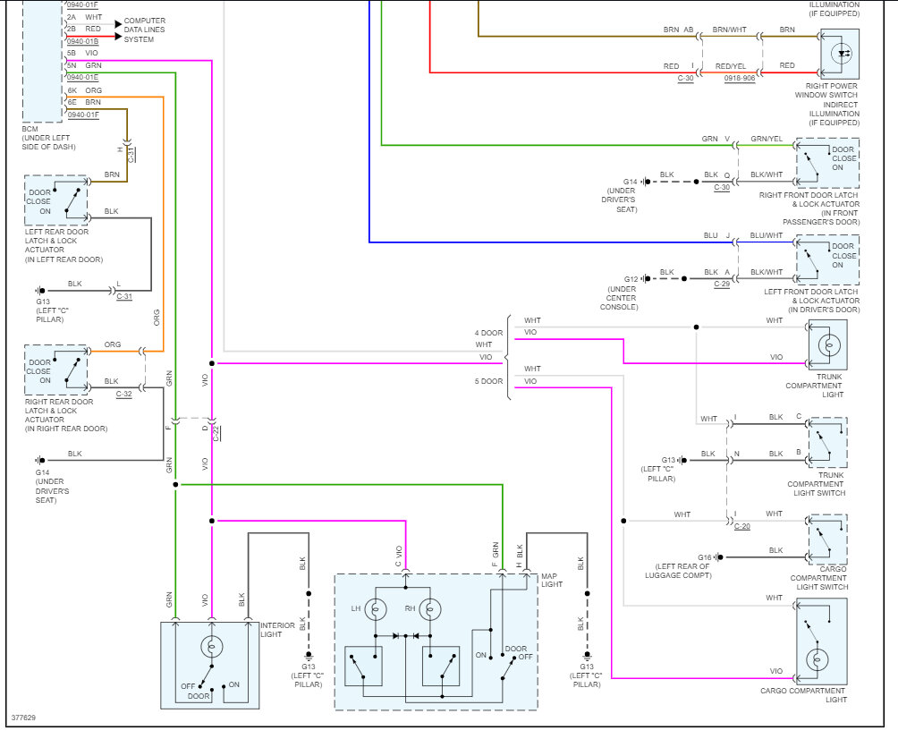
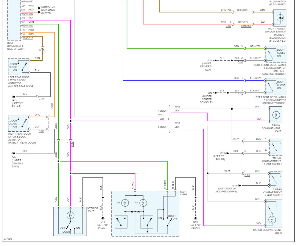
Sure, here are the wiring diagrams you have requested for the interior lighting system and dome lights. Check out the images (below). Please let us know what happens.
Oct 27, 2023 at 8:37 AM
Advertisement
Avatar
JOEPONTIAC
  • MEMBER
  • 13 POSTS
Thank you very much.
Oct 27, 2023 at 9:14 PM
Avatar
STRAILER
  • CAR REPAIR CONTRIBUTOR
  • 54,271 POSTS
You are welcome, please use 2CarPros anytime we are here to help.
Oct 30, 2023 at 8:53 AM
Repair Safety Notice: This information is for general instructional purposes only. Vehicle repair can be dangerous. Verify all information, follow manufacturer service procedures, use proper tools and safety equipment, and consult a qualified repair shop when needed.