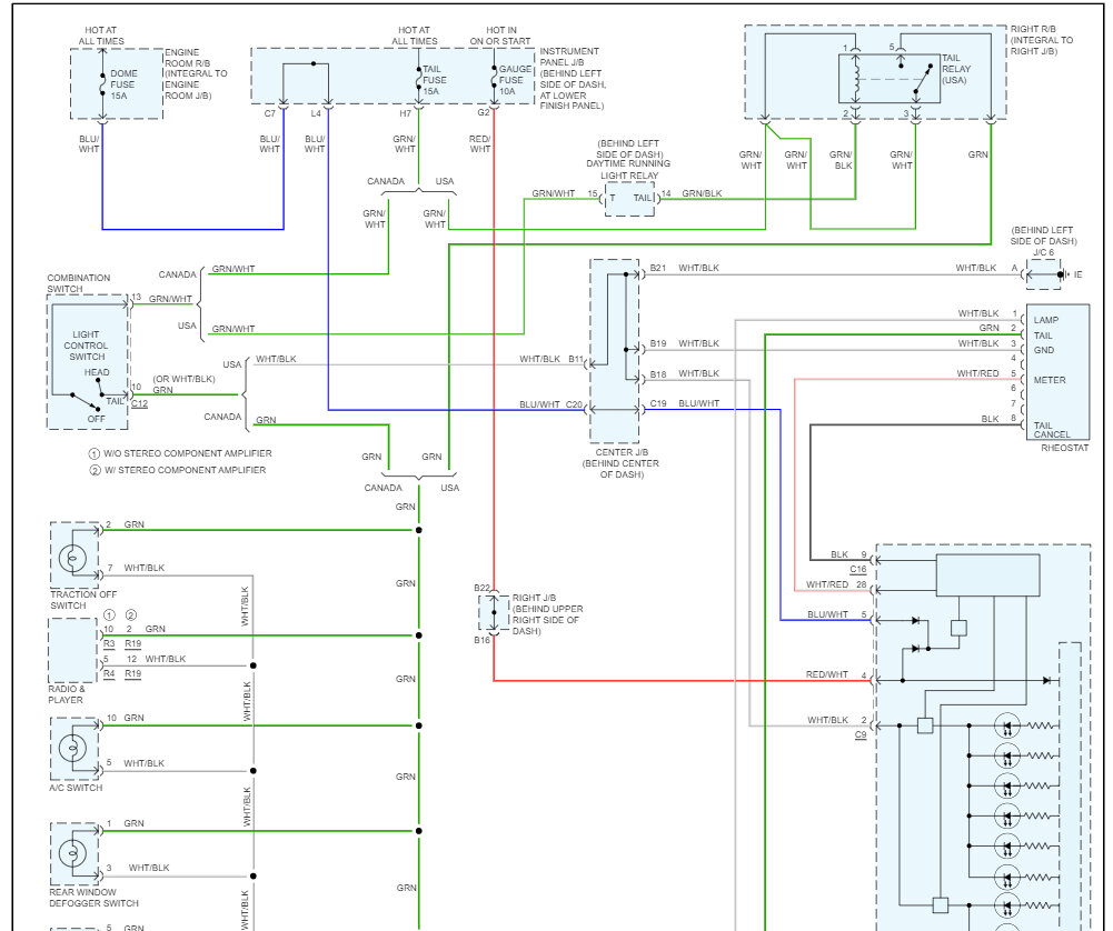
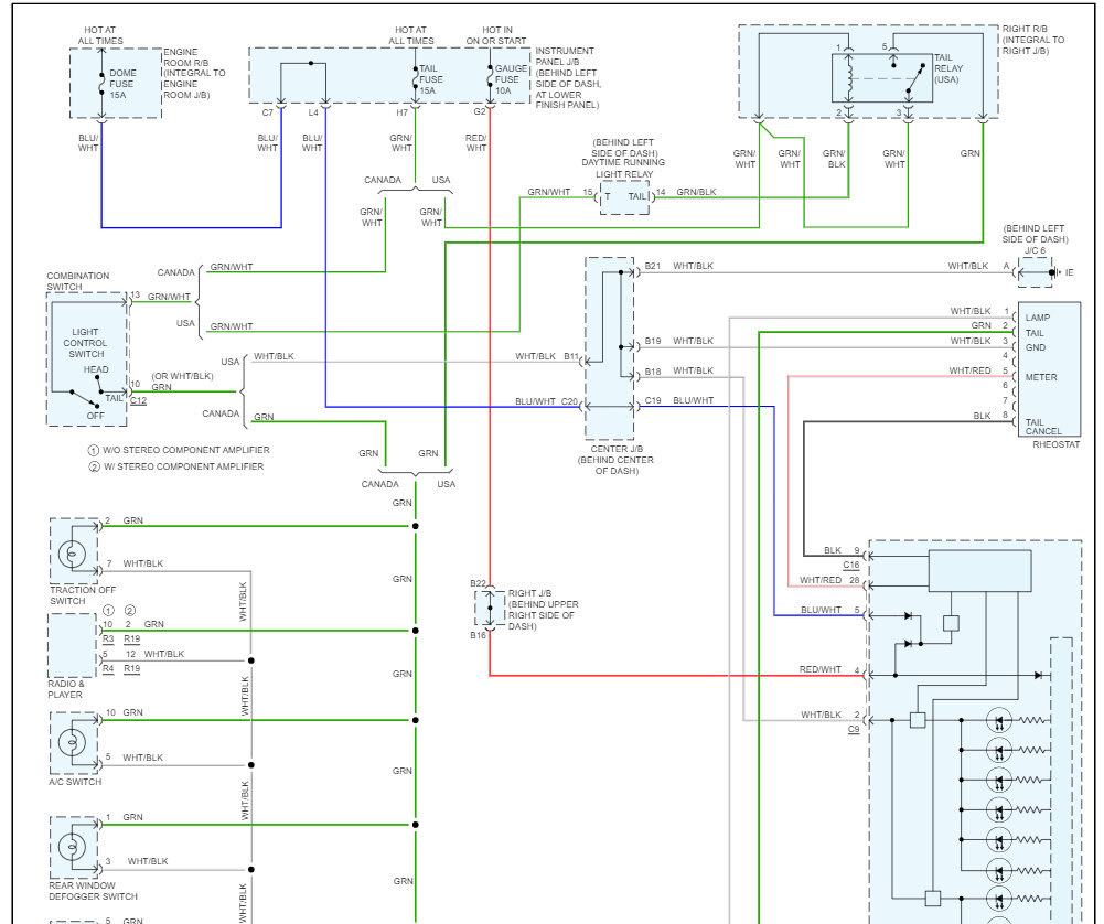
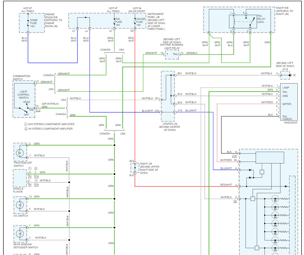
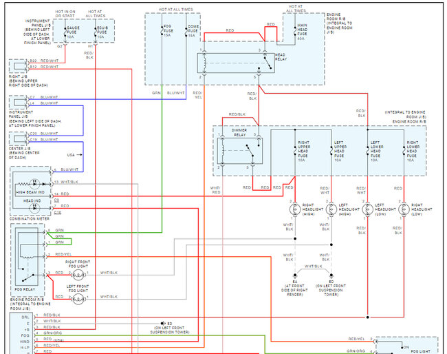
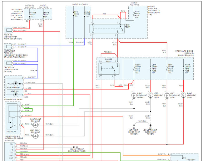
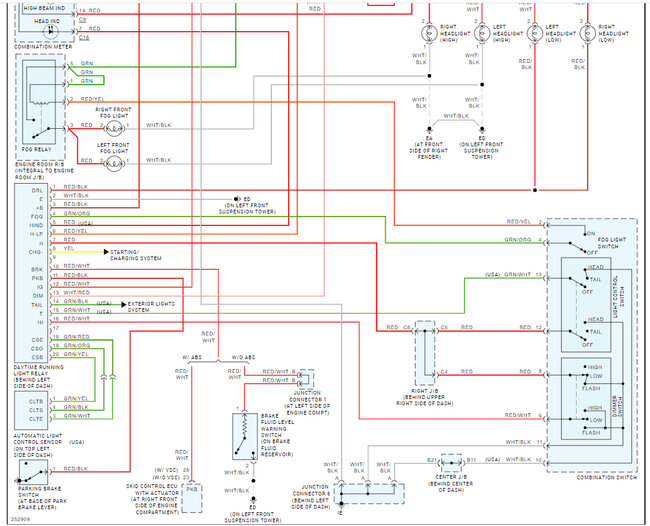
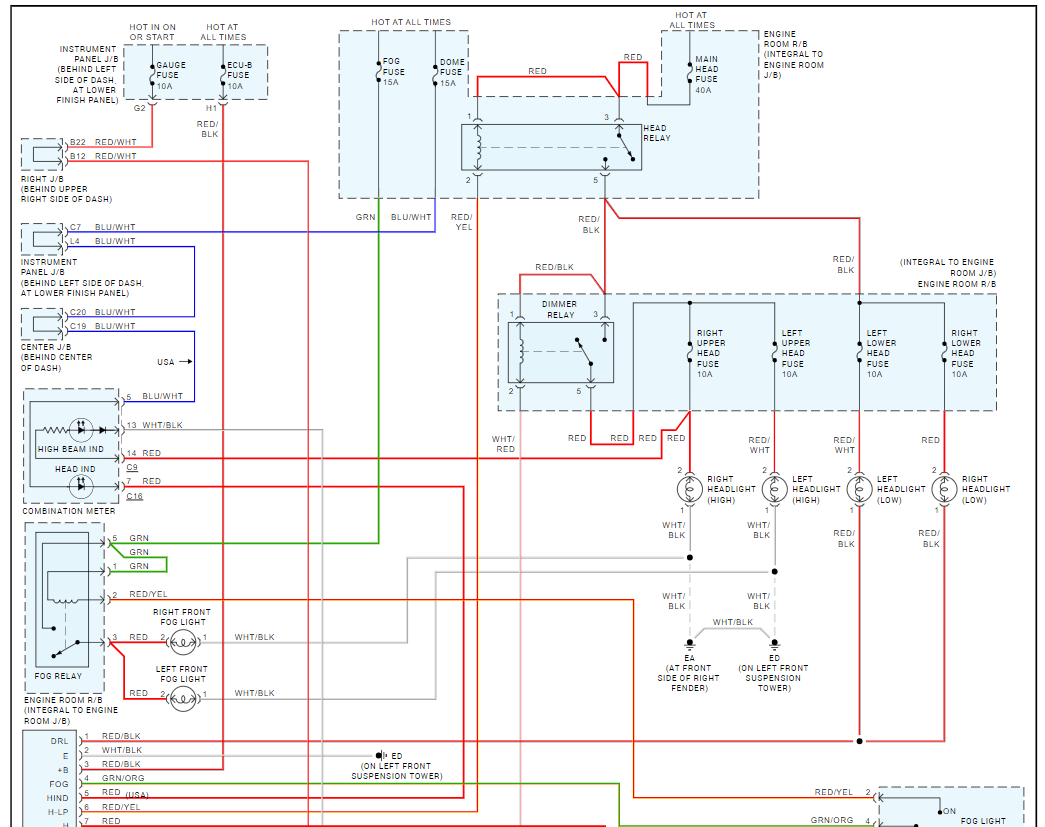
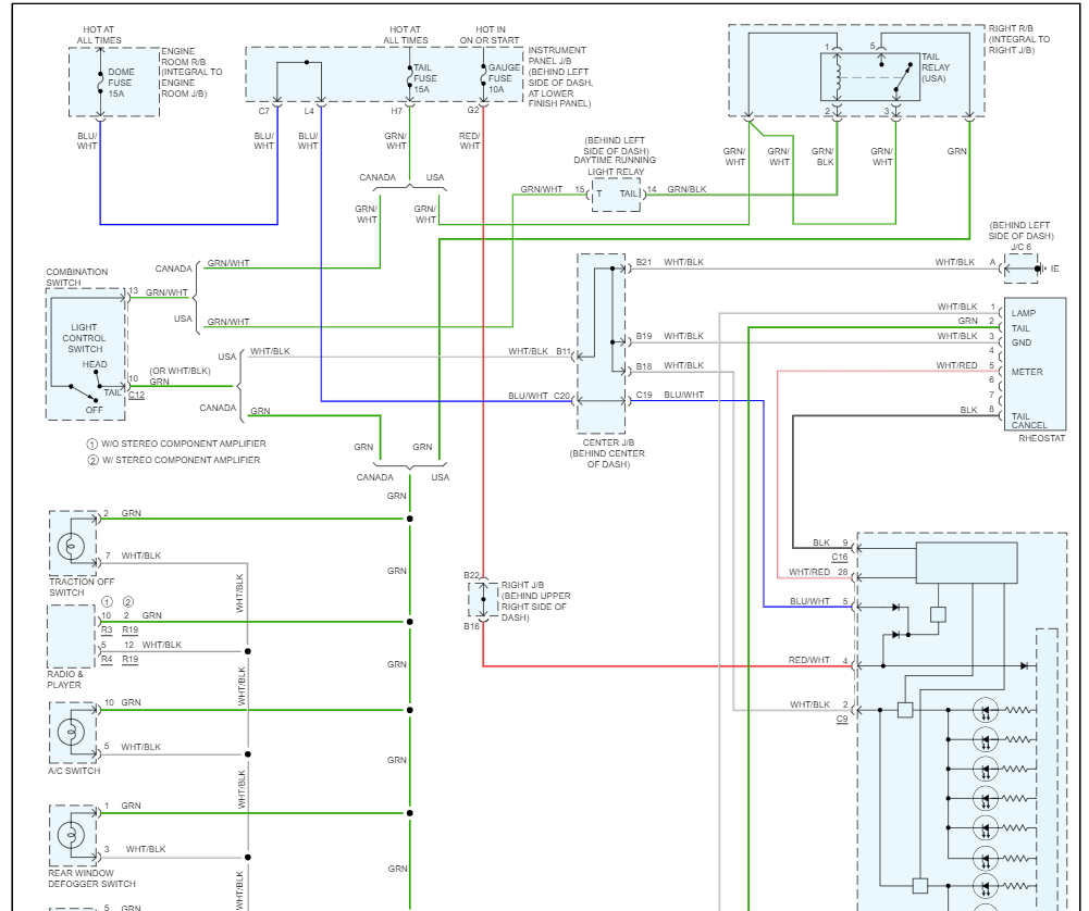
I have the car listed above which has a problem I couldn't solve. I hope you can help me. When I move the indicator lever to the parking lights mode and the night light mode, the car dashboard remains illuminated, the light does not dim, and no night lights that used to work turn on. All the lamps are new and there is no broken fuse as I can see. Sometimes they work like today but after a while they stopped.
Best regards, Eyad.
Friday, September 8th, 2023 AT 3:21 AM














