Shut off while driving, no crank, no start

Tiny
JON BROOKS
  • MEMBER
  • 2006 FORD ESCAPE
  • 3.0L
  • V6
  • 4WD
  • AUTOMATIC
  • 230,000 MILES
I was driving and it just shut off, no warning, no bells or lights, like someone reached over and shut the key off. I tried to start it and no crank. I've got power to the dash. Scan tool won't link. Starter good battery good, relays good.
Wednesday, February 16th, 2022 AT 3:55 AM

3 Replies

Tiny
JACOBANDNICKOLAS
  • MECHANIC
  • 110,192 POSTS
Hi,

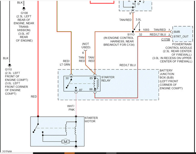
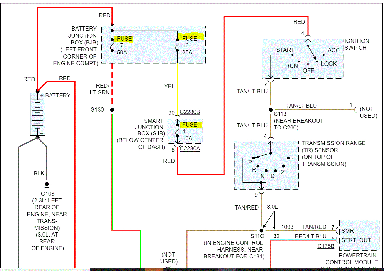
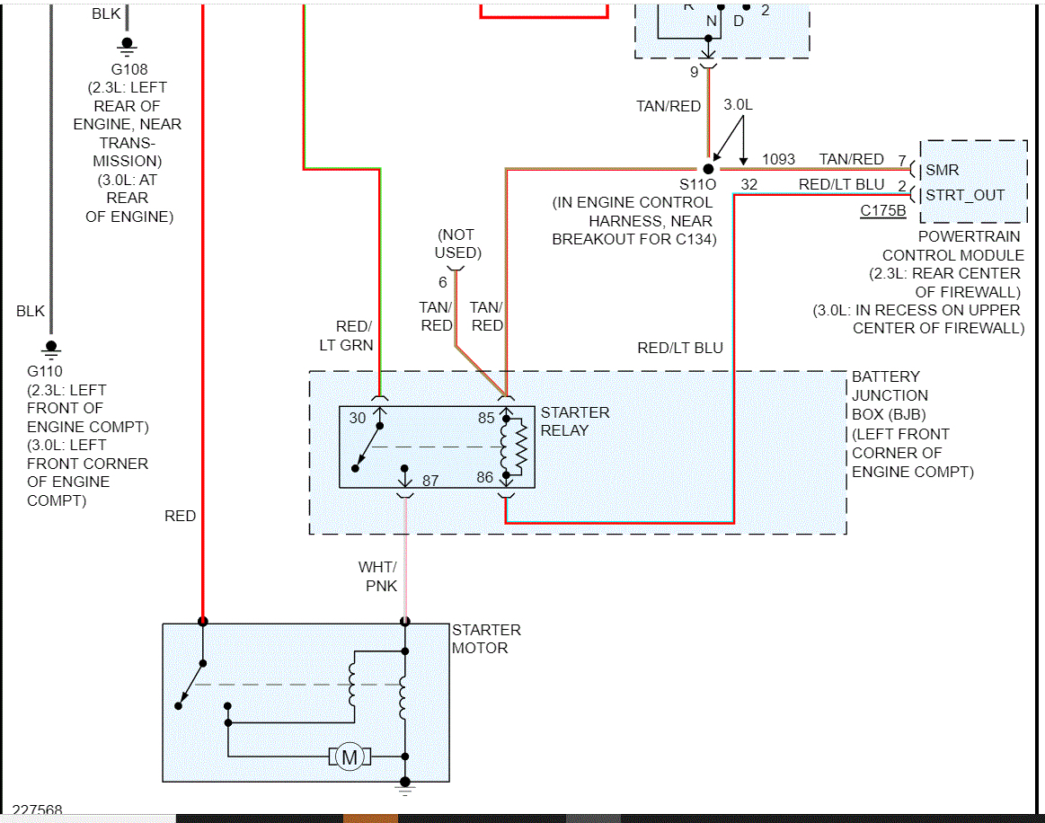
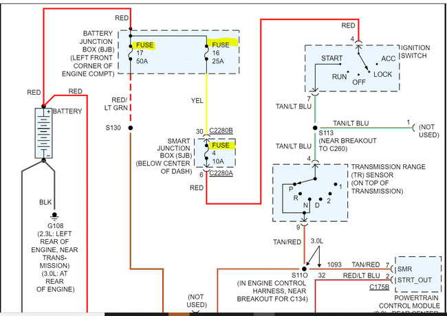
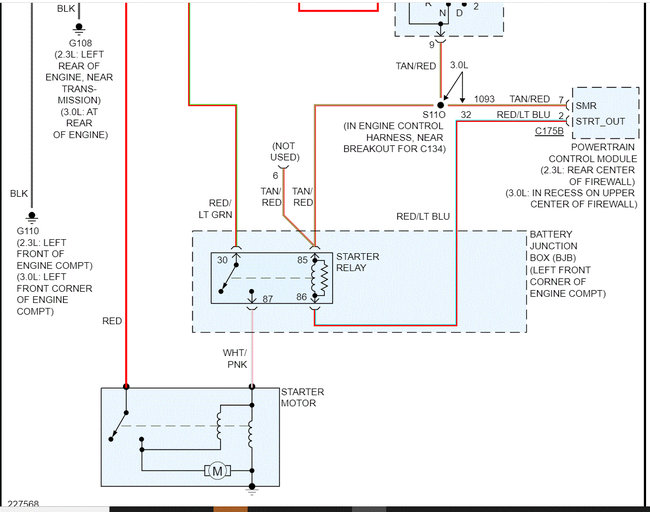
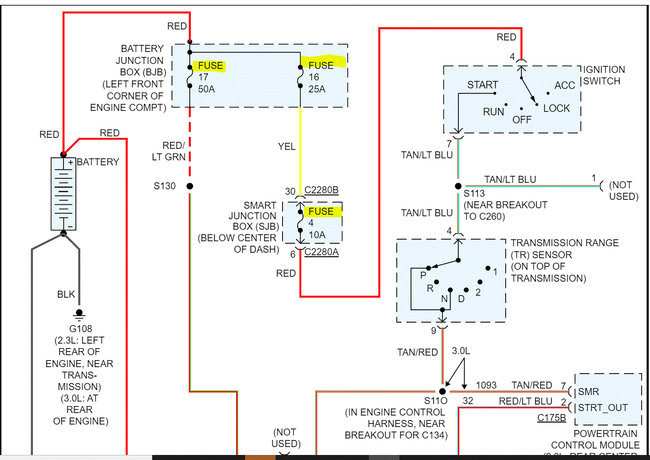
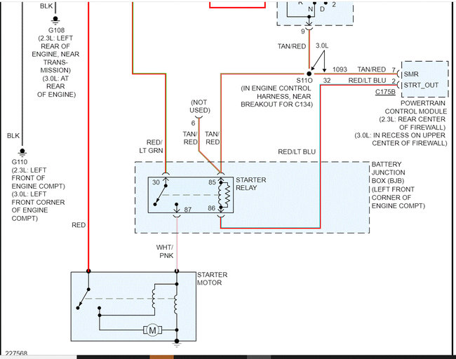
It sounds like we lost power to several things. Do me a favor. I need you to confirm the fuses I highlighted in pic 1 below are good. Pics 1 and 2 are the schematic for the starting system.

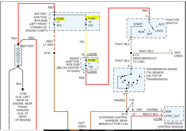
Two of the fuses are in the fuse box under the hood and one is in the vehicle junction box. See pics 3 and 4.

In addition to checking the fuse condition, you also need to check for power to and from them.

Do this and let me know what you find.

Joe

See pics below. Note: Make sure the battery terminals are clean and tight.
Was this
answer
helpful?
Yes
No
Wednesday, February 16th, 2022 AT 5:44 PM
Tiny
JON BROOKS
  • MEMBER
  • 3 POSTS
I figured it out it was #5 fuse 2amp I replaced it and it started. Thank God. Then I took it for a drive, and it did it again. Could it be a short somewhere?
Was this
answer
helpful?
Yes
No
Wednesday, February 16th, 2022 AT 5:56 PM
Tiny
JACOBANDNICKOLAS
  • MECHANIC
  • 110,192 POSTS
Hi,

That fuse appears to supply low voltage to several relays. If you look at pic 1 below, I highlighted the things involved. We need to try to narrow things down.

What I need you to do is remove the relays indicated in pic 2 (all of them). Inspect the condition of the connectors in the box as well as the relays.

If they all appear good, then one at a time, remove the ones I have highlighted to see if there is one that prevents the fuse from failing. You can't unplug the ones I circled because the vehicle won't run if you do. Also, keep in mind that you are removing the cooling fan relays, so avoid stop and go traffic. It could overheat.

Also, before you do this, see if it fails if you simply allow the vehicle to sit at an idle. If you do this, just pay attention to the engine temperature.

Try this and let me know what you find.

Joe
Was this
answer
helpful?
Yes
No
Wednesday, February 16th, 2022 AT 7:37 PM

Please login or register to post a reply.