Fuse Panel Wiring Diagrams?

Tiny
ALIZA20
  • MEMBER
  • 1995 GMC SONOMA
  • 4.3L
  • V6
  • 4WD
  • 170,000 MILES
Can you please send me the fuse panel wiring diagrams?
Friday, September 16th, 2022 AT 8:52 AM

1 Reply

Tiny
KEN L
  • MASTER CERTIFIED MECHANIC
  • 55,522 POSTS
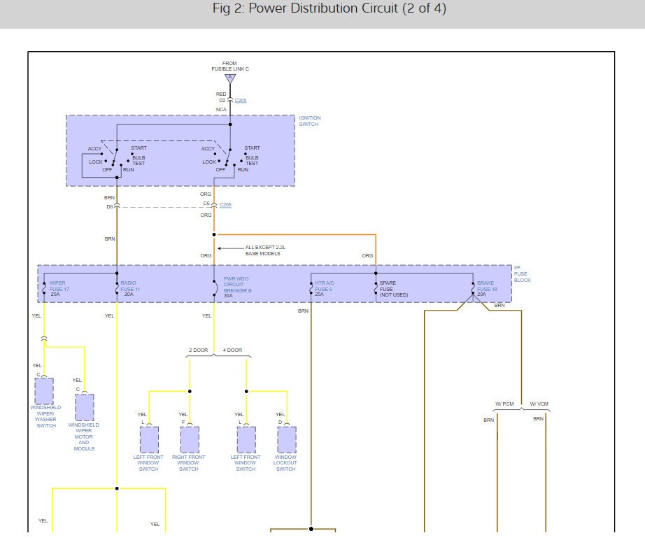
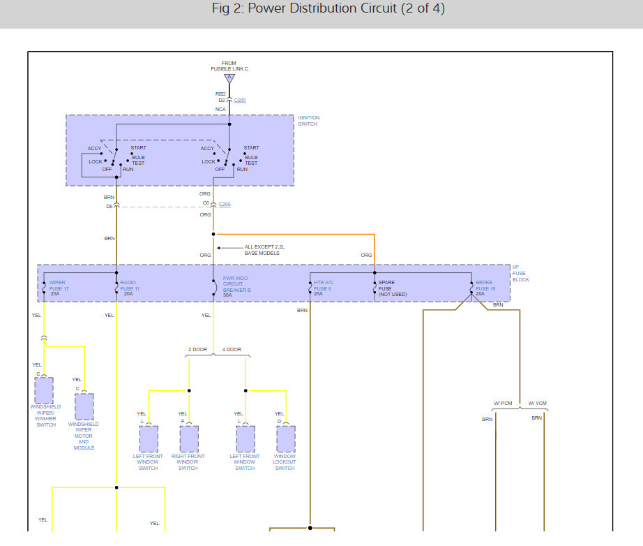
Here are the fuse panel and power distribution wiring diagrams in the images below click to enlarge. Check out the images (below). Please let us know if you need anything else to get the problem fixed.
Was this
answer
helpful?
Yes
No
Monday, September 19th, 2022 AT 2:54 PM

Please login or register to post a reply.

Related General Content