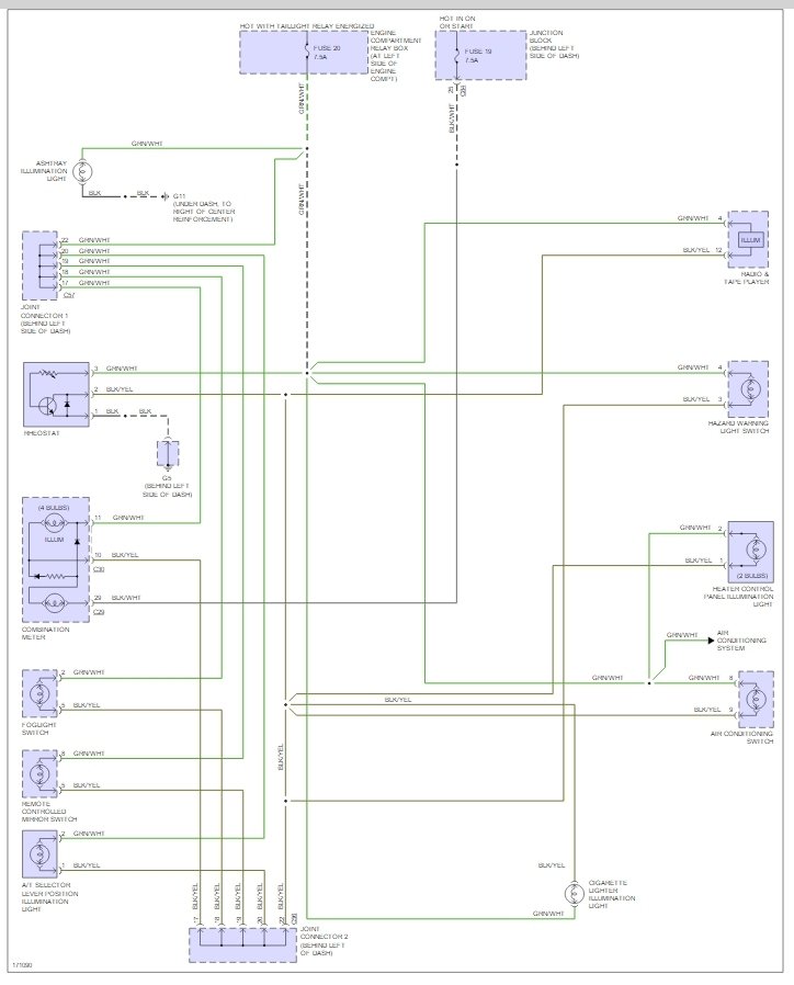
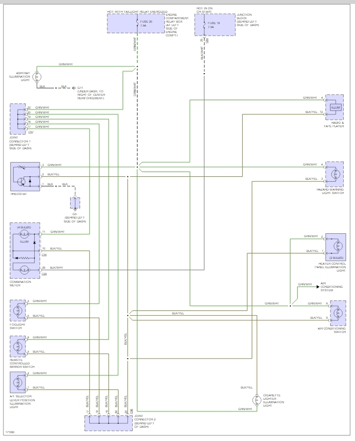
Parts Affected:
A-18x MFI Relay (Reading a crazy fluctuating ground between 40-60ohm)
A-19x AC Compressor Relay (Same as MFI relay)
A-17x A/T Control Relay (Getting hot)
A-09x Fan Control Relay (Getting Hot)
Under Hood Fuses #9 (ECU) and #15 (A/T)
Interior Fuse #13 (ECU) [Reading a ground at it at 50ohm]
Getting a lot of audible electrical interference coming from the A/T control unit itself when its harness is plugged in. (Though unplugging it doesn't change any warning lights or the weird readings from the relays)
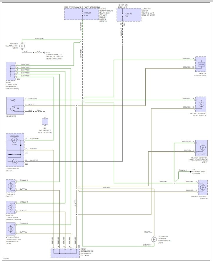
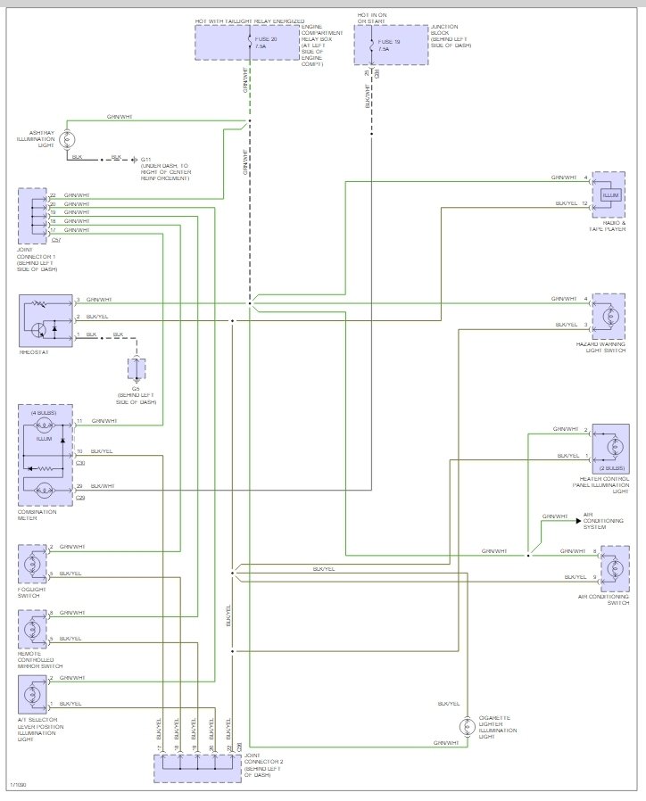
So far I've gotten the wiring for MFI Relay to Fan Control Relay, To PCM and a couple other small things. I have more detailed diagrams, but they're off-yea, r so I'm not sure if I can trust them completely.
Does anyone know where I should check for a failure first? Is there anything that's a common weak-spot? Also, all of this is possibly due to a sudden jump in amperage going through the system.
I've eyeballed a few plugs related to the circuit and checked the relay pins, nothing is looking burnt/bare so far.
Sunday, March 13th, 2016 AT 11:15 AM



