Defroster not working

Tiny
KEE4U
  • MEMBER
  • 1989 GMC C3500
  • 9.0L
  • V8
  • 2WD
  • AUTOMATIC
  • 45,000 MILES
I have the truck listed above Sierra C3500 1 ton extended cab. The trouble is the defroster isn't working. It doesn't get any air from the upper dash vent for the windshield. The blower works good, and all of the other vent's work find. Just not the defroster vent.
Sunday, November 28th, 2021 AT 4:36 PM

1 Reply

Tiny
JACOBANDNICKOLAS
  • MECHANIC
  • 110,192 POSTS
Hi,

Because of the model year, I have very limited information from my manuals. However, I will try my best to help.

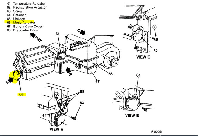
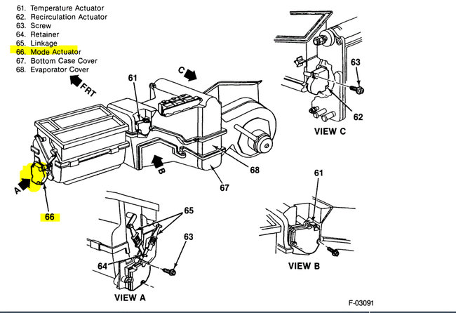
The airflow directions are controlled by what is called a mode door actuator. This actuator moves a plastic door in the HVAC box to direct air in different directions.

This actuator is located on the left side of the HVAC box under the dash. See pic 1.

What I suggest is this. Because of the model year, I would first remove the actuator and check for anything that could be preventing it from moving to defrost. Defrost is the position that requires the most voltage to the actuator, so it is the furthest point in one direction.

Next, with the actuator removed, work through airflow directions one at a time. The actuator should move for each new position requested. When it stops moving, then select defrost to see if it moves again. If it does, confirm everything is clean and tight where it mounts. If it doesn't, let me know. We will have to check the voltage to it. In the defrost mode, it should receive approximately 4.8V.

Let me know what you find or if there is something I can help with.

Take care,

Joe

See pic below.
Was this
answer
helpful?
Yes
No
+1
Sunday, November 28th, 2021 AT 9:57 PM

Please login or register to post a reply.