Defrost wires?

Tiny
JOEPONTIAC
  • MEMBER
  • 2009 PONTIAC VIBE
  • 2.4L
  • 4 CYL
  • 2WD
  • MANUAL
  • 340,000 MILES
Hi,

I want to add heated mirrors in my car.
My only problem now is identifying defrost rear window wires and then tap in there.
Thanks
Wednesday, August 31st, 2022 AT 7:08 PM

3 Replies

Tiny
JACOBANDNICKOLAS
  • MECHANIC
  • 110,194 POSTS
Hi,

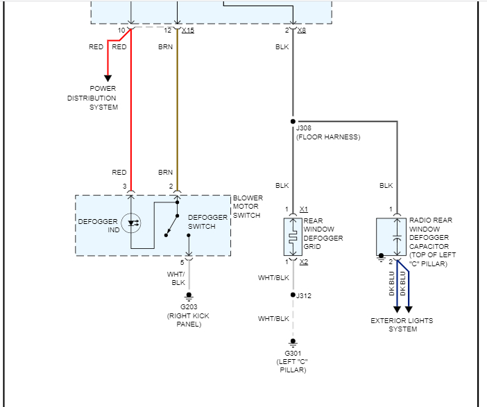
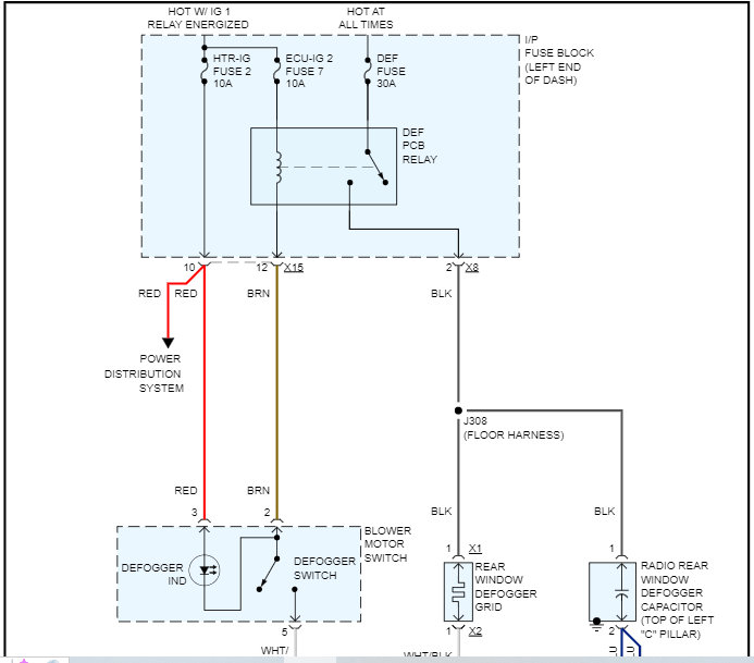
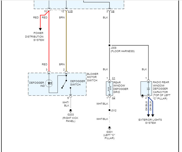
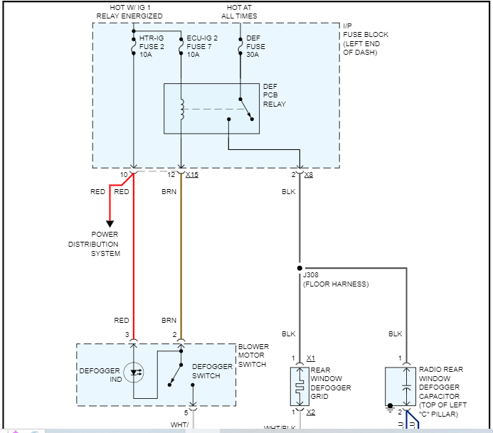
I attached the wiring schematic for the rear window defogger below. The pic was only one page long, but I cut it in half to make it readable for you.

I do have concerns about doing this. You are placing a heavier load on the circuit. It may cause the fuse to fail and more importantly, the defogger relay.

The relay isn't a traditional relay. It is not replaceable. It is part of a printed circuit board. If it fails, the only repair is the replacement of the box. That can get expensive.

However, that is your call. I just wanted to let you know about that.

Take care and let me know if you have questions.

Joe

See pics below.
Was this
answer
helpful?
Yes
No
+1
Wednesday, August 31st, 2022 AT 7:54 PM
Tiny
JOEPONTIAC
  • MEMBER
  • 13 POSTS
Thank you for letting me know.
I’m going to change my plan.
Thank you
Was this
answer
helpful?
Yes
No
Thursday, September 1st, 2022 AT 12:47 AM
Tiny
JACOBANDNICKOLAS
  • MECHANIC
  • 110,194 POSTS
Hi,

You are very welcome. I have a feeling you may regret doing it the way originally thought. Regardless, let me know if there is anything I can do to help.

Take care,

Joe
Was this
answer
helpful?
Yes
No
Thursday, September 1st, 2022 AT 7:02 PM

Please login or register to post a reply.