Defrost vents only working

Tiny
JRUDD94
  • MEMBER
  • 2010 CHEVROLET EXPRESS
  • 2WD
  • AUTOMATIC
  • 94,264 MILES
A/C and heating only come out of defrost vents the dial still works just won’t move to main or floor vents.
Friday, August 30th, 2019 AT 8:22 AM

1 Reply

Tiny
ASEMASTER6371
  • MECHANIC
  • 52,796 POSTS
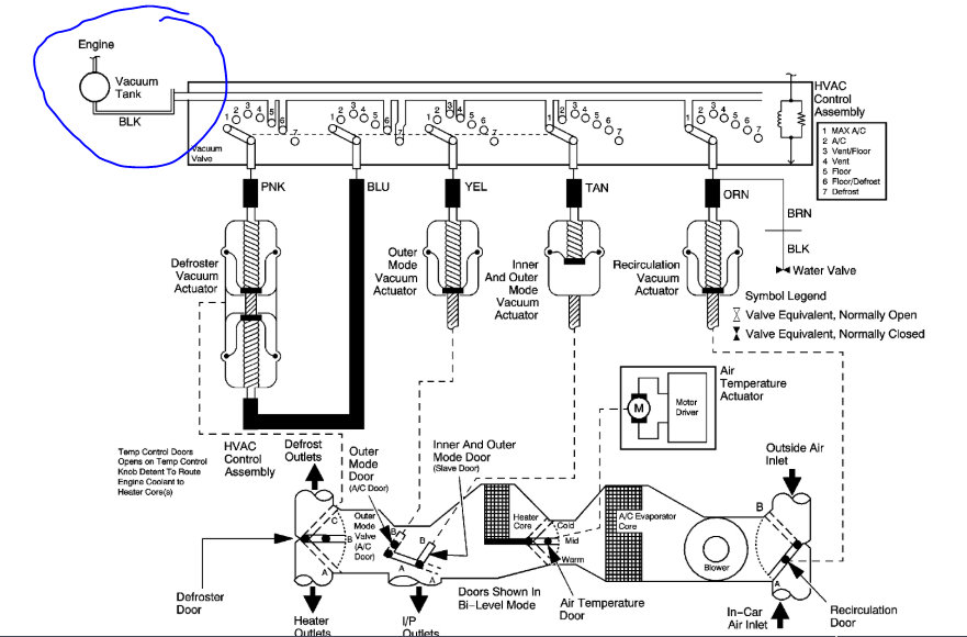
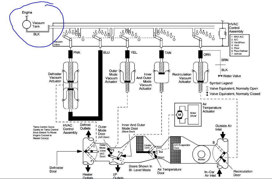
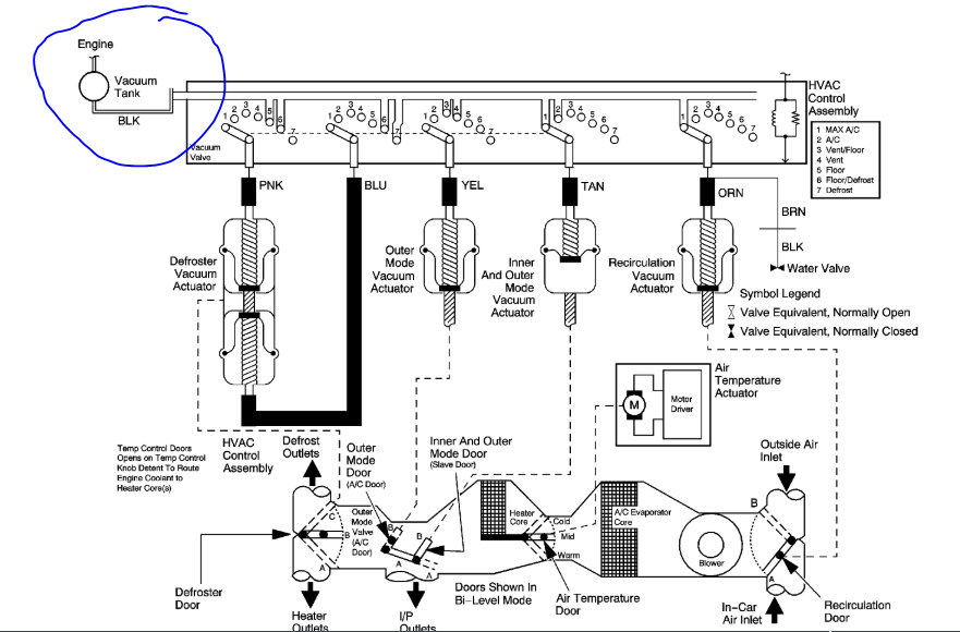
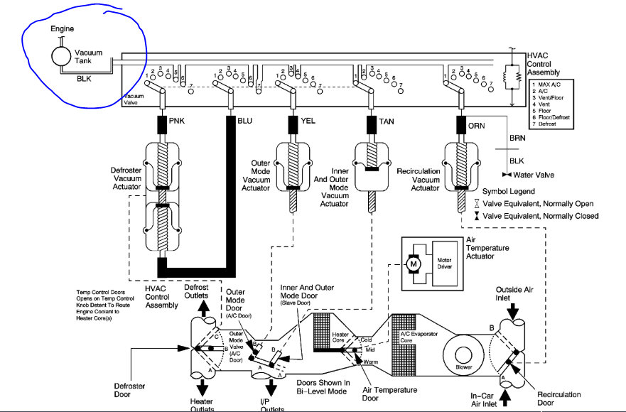
The actuators are vacuum controlled. Check the tank under the hood and make sure the lines are hooked up. Check out the diagrams (Below). Let us know what happens and please upload pictures or videos of the problem.
Was this
answer
helpful?
Yes
No
Friday, August 30th, 2019 AT 10:26 AM

Please login or register to post a reply.