Friday, January 26th, 2024 AT 10:39 AM
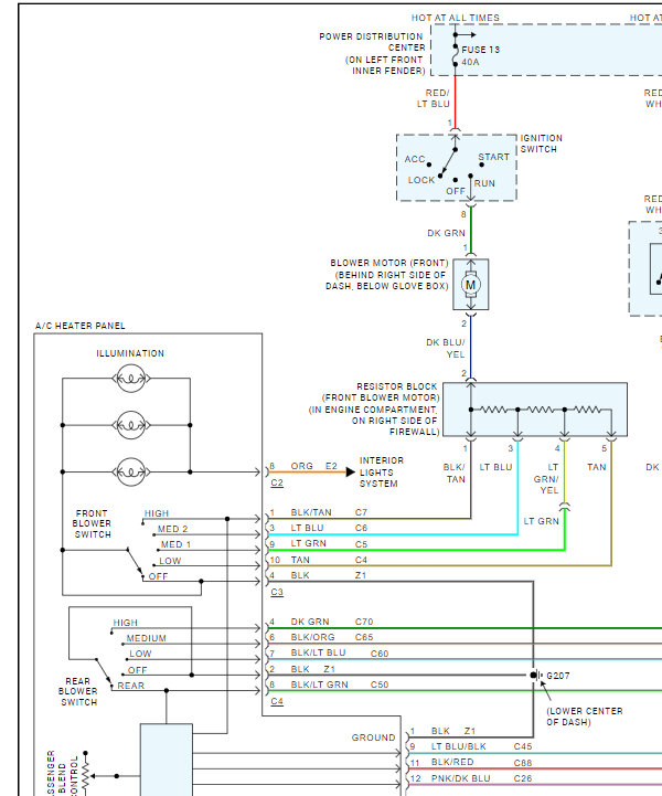
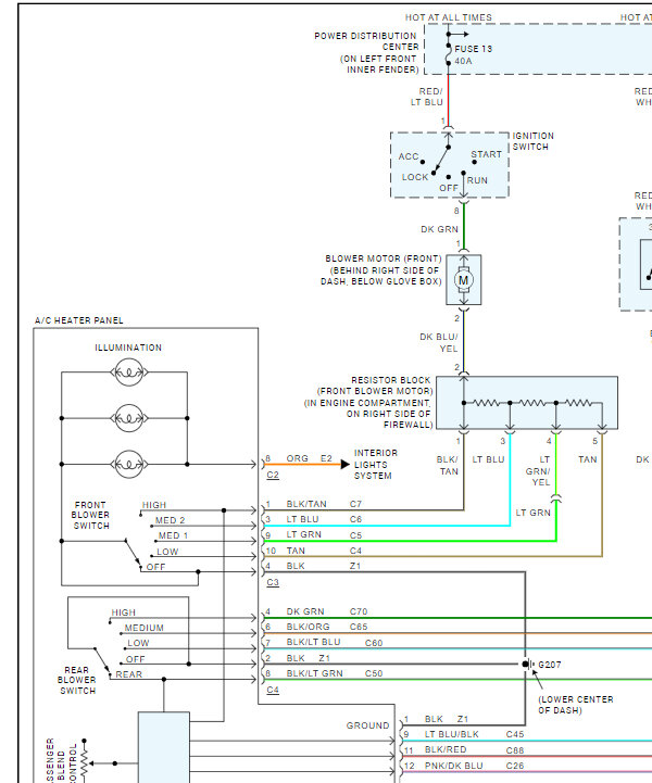
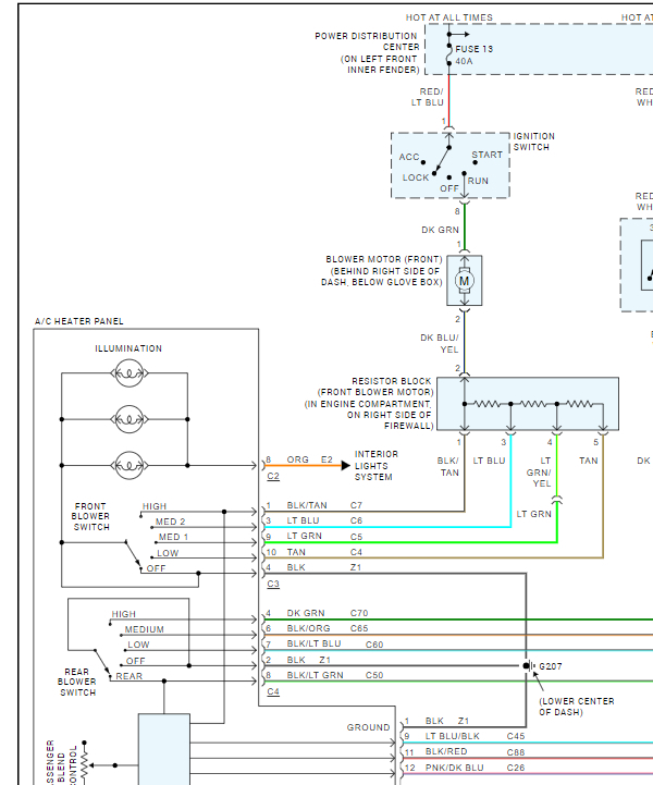
The front heat doesn't work at all. The heat works in the rear. We checked the fuses first. They're all fine. We've replaced the blower motor (multiple times in the last two years), blower motor resistor and the front control panel. It'll work for a little while then the blower motor resistor will blow again. We took the blower motor off and hooked it up to a battery and it works fine. Took the blower motor resistor off and the light blue wire with yellow on it is fried. My boyfriend is getting ready to get rid of it with the issue happening over and over. Please help!




