HOME
ASK A QUESTION
REPAIR GUIDES
BECOME A MEMBER
LOG IN
Login with Facebook
OR
Remember me
NOT A MEMBER?
FORGOT PASSWORD?
CONTACT US
PRIVACY POLICY
TERMS AND CONDITIONS
☰
Home
Chevrolet
Truck
Body
Door
Panel
Ddm no power
RHATCH1
MEMBER
2004 CHEVROLET TRUCK
93,500 MILES
I took door panel off, took ddm apart and accidentally shorted something out and now there is no power.
Tuesday, February 9th, 2016 AT 5:51 PM
9 Replies
JOHNNYT73
MECHANIC
924 POSTS
There is no power at all in the truck to anything or just the driver door module?
Was this
answer
helpful?
Yes
No
Wednesday, February 10th, 2016 AT 6:32 AM
RHATCH1
MEMBER
6 POSTS
Just the ddm
Was this
answer
helpful?
Yes
No
Wednesday, February 10th, 2016 AT 7:07 AM
JOHNNYT73
MECHANIC
924 POSTS
Ok, have you checked all your fuses?
Was this
answer
helpful?
Yes
No
Wednesday, February 10th, 2016 AT 8:03 AM
RHATCH1
MEMBER
6 POSTS
Yes and the light in the door has no power.
Was this
answer
helpful?
Yes
No
Wednesday, February 10th, 2016 AT 11:10 AM
RHATCH1
MEMBER
6 POSTS
I can't find the fuse that runs that light.
Was this
answer
helpful?
Yes
No
Wednesday, February 10th, 2016 AT 11:13 AM
RHATCH1
MEMBER
6 POSTS
Have you given up on my problem?
Was this
answer
helpful?
Yes
No
Friday, February 12th, 2016 AT 5:21 AM
JOHNNYT73
MECHANIC
924 POSTS
Ok, the fuse is located in on the left side of the dash. It should have power to both sides of the fuse with the key on.
Was this
answer
helpful?
Yes
No
Saturday, February 13th, 2016 AT 5:27 AM
RHATCH1
MEMBER
6 POSTS
I checked every fuse in booth fuse boxes, no problems.
Was this
answer
helpful?
Yes
No
Saturday, February 13th, 2016 AT 12:30 PM
KEN L
MASTER CERTIFIED MECHANIC
55,535 POSTS
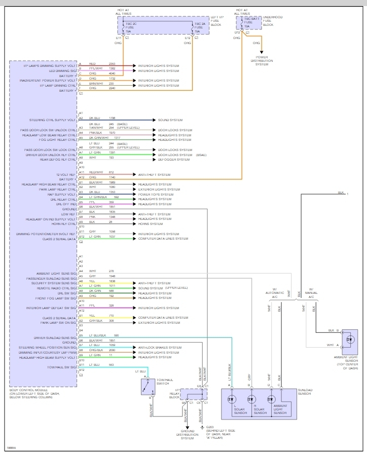
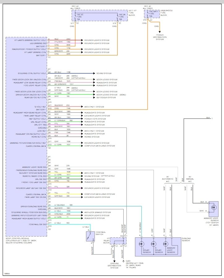
I found these I hope they can help
Images (Click to make bigger)
Was this
answer
helpful?
Yes
No
Monday, February 15th, 2016 AT 8:28 AM
Please
login
or
register
to post a reply.
Related Door Panel Content
1999 Chevy Astro Back Door
Hi Can Anyone Direct Me As To How I Find A Parts Explosion For The Inside Back Door Panel For My 1999 Astro? I Need To Take The Inside...
Asked by
bob1950music
·
2 ANSWERS
1999
CHEVROLET TRUCK
VIDEO
Door Panel Removal
Instructional repair video
1971 Chevy C10 Pickup, 307ci
How Does One Get The Door Panel Off. There Are Two Screws Behind The Woodgrain Panel. Does The Woodgrain Panel Come Off By Itself By...
Asked by
gtojack
·
1 ANSWER
1971
CHEVROLET TRUCK
Rear Door Locks Will Not Lock
I Have A 2003 Chevy Tahoe And My Back Two Doors And Rear Door Will Not Lock With The Remote Or The Electric Controls On The Drivers Door. I...
Asked by
marty_marrr
·
1 ANSWER
14 IMAGES
2003
CHEVROLET TRUCK
Drivers Side Door Latch
The Lock Latch On My Drivers Side Door Will Not Hold Onto The Striker. When Closed, It Will Appear Shut, But Will Open If You Grab Any...
Asked by
Andrew Young
·
3 ANSWERS
2 IMAGES
1997
CHEVROLET TRUCK
1997 Chevrolet Truck Interior Door Handle
I Have A 1997 Ext Cab Swb Fleetside Pickup And The Interior Door Handle Either Came Loose Or Broke Of Inside The Door Panel. The Window...
Asked by
KingSproling
·
1 ANSWER
1 IMAGE
1997
CHEVROLET TRUCK
VIEW MORE
Ask a Car Question. It's Free!
Door Panel Removal
Fix a Door That Will Not Close
Door Not Closing