Daytime running lights activation

Tiny
FRANCOISE DENSMORE
  • MEMBER
  • 2008 INFINITI QX56
  • 170,000 MILES
Hi! Need DRL activated and wonder if my vehicle is predesigned to add this feature? How is Infiniti advising to do it?
Thanks.
Frans
Friday, June 25th, 2021 AT 5:36 AM

1 Reply

Tiny
JACOBANDNICKOLAS
  • MECHANIC
  • 110,194 POSTS
Hi,

The vehicle wasn't designed for the installation of DRL. For this to be done would require multiple things to be replaced, and then we would have to figure out how to program the body control module for DRL on a vehicle without. I'm not sure it can be done.

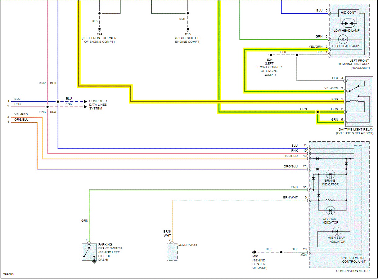
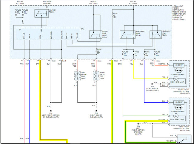
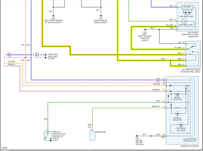
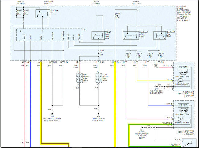
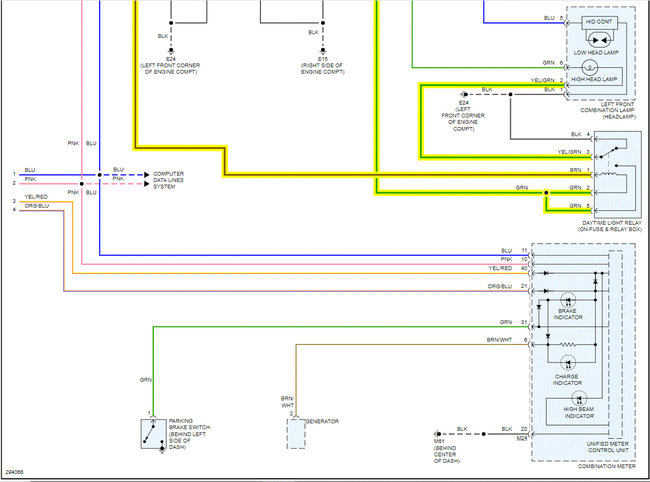
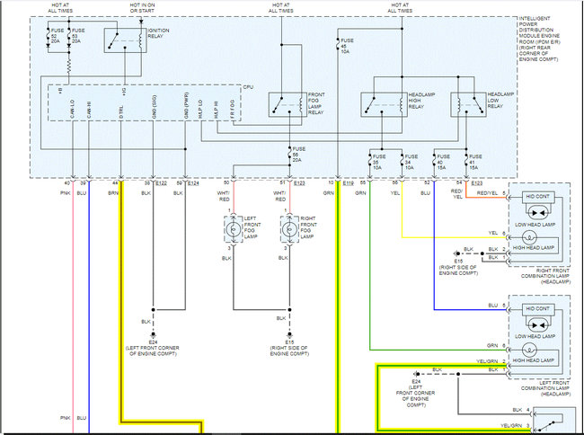
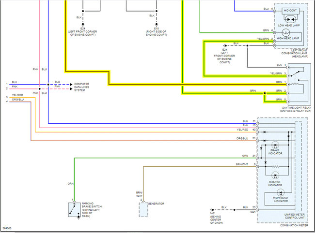
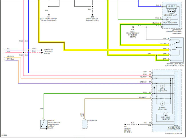
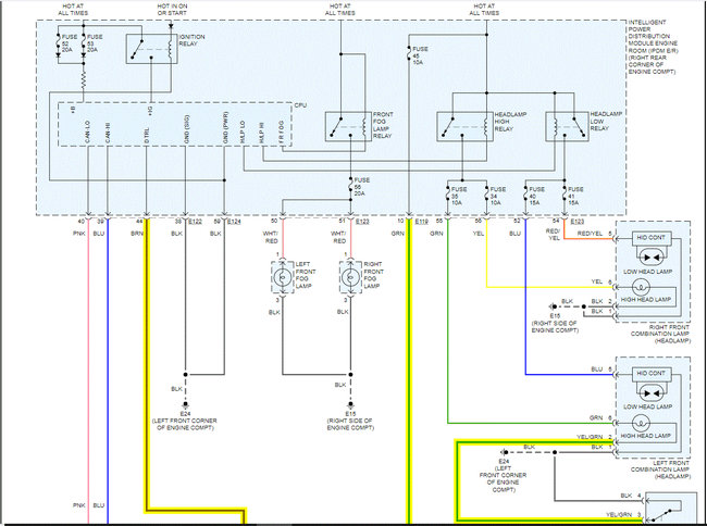
I attached the wiring schematics for the headlamp system with DRL. I highlighted several things that don't exist on your vehicle. Take a look through them and let me know if you have other questions. Note: The intelligent power distribution center has an internal CPU controlling the DRL. That is something that would require the IPDM to be exchanged for a different one.

Take care,

Joe
Was this
answer
helpful?
Yes
No
Friday, June 25th, 2021 AT 9:18 PM

Please login or register to post a reply.