Is anyone have idea?
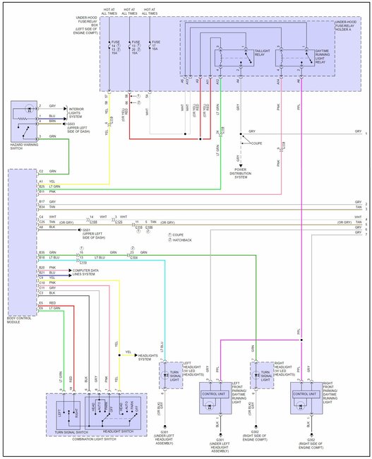
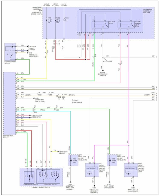
Sedan EX are the daytime running lights bulb replaceable or does it come with head light assembly one piece?
My daytime running lights when out.
Sedan EX are the daytime running lights bulb replaceable or does it come with head light assembly one piece?
My daytime running lights when out.
May 27, 2018 at 1:44 PM
