If I turn the DRL's off, the ring around the headlights still stay on

2016 FORD EXPLORER
99,000 MILES • V6 • 4WD • AUTOMATIC
Avatar
LEPPERSON
  • MEMBER
  • 5 POSTS
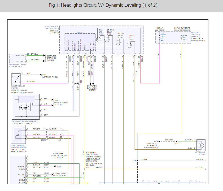
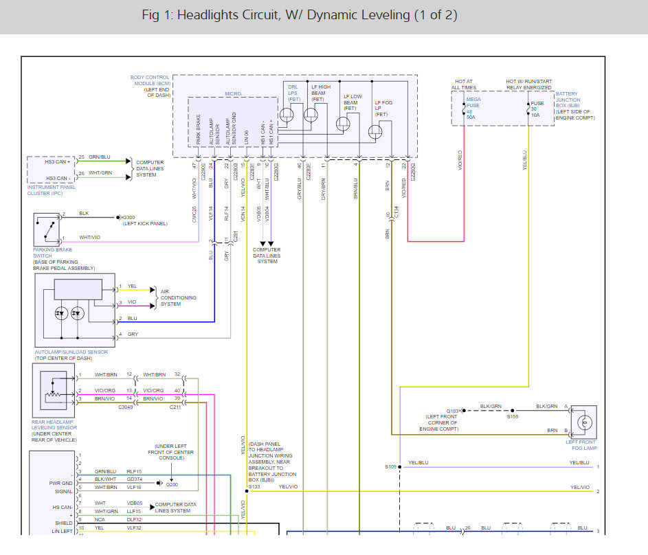
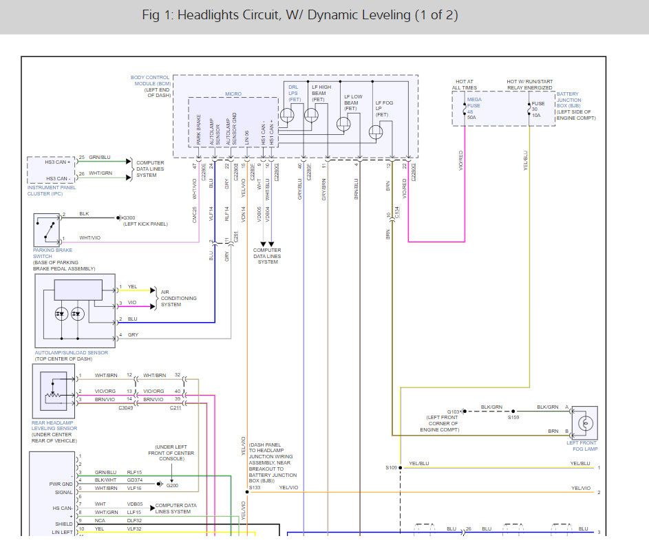
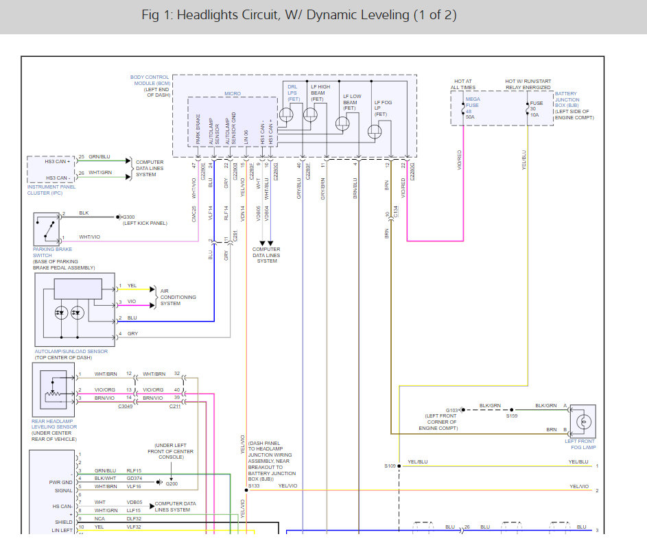
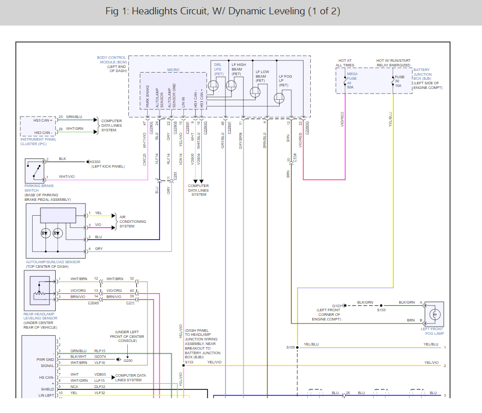
if I turn the DRL's off, the ring around the headlights still stay on. I need a headlight wiring diagram please.
Jun 27, 2020 at 8:19 PM
Repair Safety Notice: This information is for general instructional purposes only. Vehicle repair can be dangerous. Verify all information, follow manufacturer service procedures, use proper tools and safety equipment, and consult a qualified repair shop when needed.
Advertisement
Avatar
STRAILER
  • CAR REPAIR CONTRIBUTOR
  • 54,209 POSTS
It looks like the DRL and headlight are controlled by the BCM which will need to be reprogrammed to act the way you want it. I know there are people around that might be able to do that like on BMW cars but you will need to look around. here is the headlight and DRL wiring diagrams so you an see how the system works. Check out the diagrams (below). Please let us know what you find.

Jun 29, 2020 at 10:34 AM
Advertisement