Daytime running and high beams not working

Tiny
MMTHORN2
  • MEMBER
  • 2000 TOYOTA CAMRY
  • 2.2L
  • 4 CYL
  • 2WD
  • AUTOMATIC
  • 133,000 MILES
Regular headlights work. Daytime and high beams do not. All relays (DRL2, 3, 4) and fuses are good. I can get the DRL and high beams to work if I activate DRL2 manually. Trying to figure out if the DRL relay under the dash is bad but cannot find a schematic of the DRL for this year Toyota to continue my diagnosis. Do you have a copy of the schematic an in particular which wire at the DRL relay (20 pin connector?) Signals DRL2 to activate?

Thanks.
Thursday, July 26th, 2018 AT 10:10 AM

17 Replies

Tiny
DANNY L
  • MECHANIC
  • 5,648 POSTS
Hello, I am Danny.

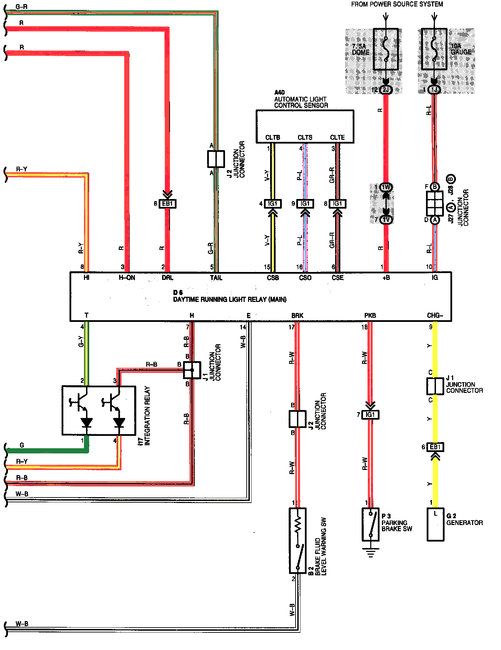
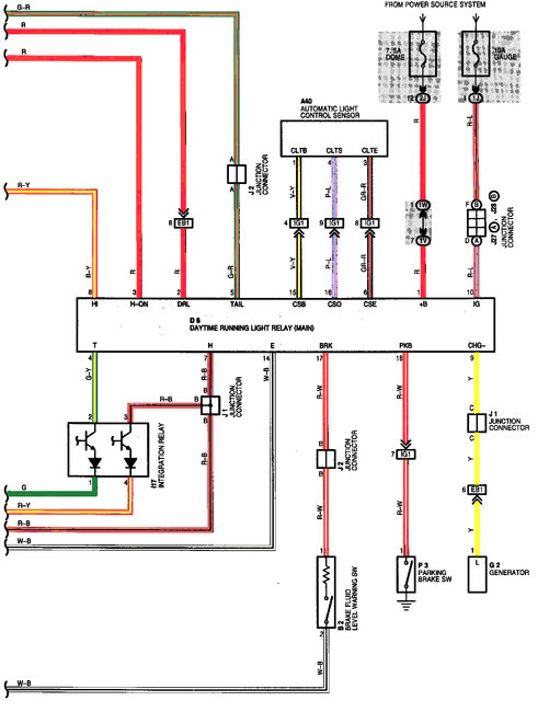
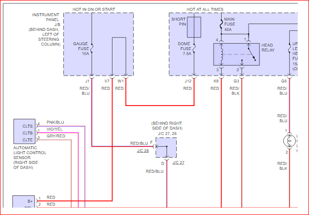
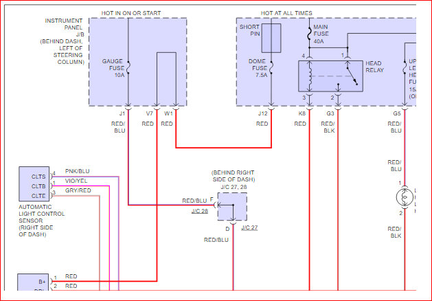
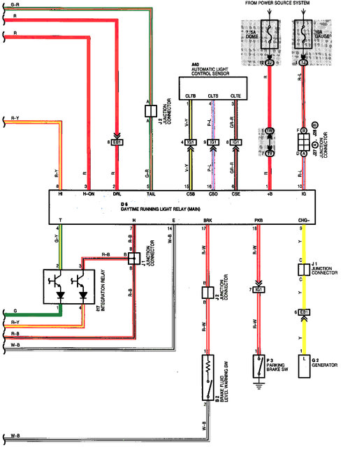
Here is the schematic you requested (attached). Hope this helps and please feel free to ask any questions if needed. Thanks for using 2CarPros.
Danny-
Was this
answer
helpful?
Yes
No
Thursday, July 26th, 2018 AT 12:58 PM
Tiny
MMTHORN2
  • MEMBER
  • 9 POSTS
Thanks Danny, could you post the image in a format that would be larger? I am unable to read it. I can see it but just not large enough to read it. Thanks.
Was this
answer
helpful?
Yes
No
Thursday, July 26th, 2018 AT 1:36 PM
Tiny
DANNY L
  • MECHANIC
  • 5,648 POSTS
Hello again.

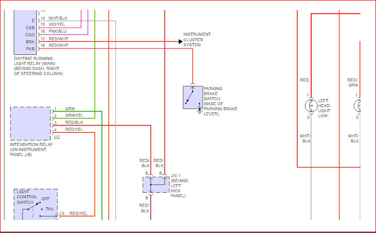
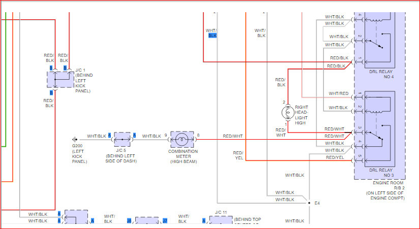
I blew it up and it is in four pieces. I have attached all four and hope this helps. Thanks again for using 2CarPros.
Danny-
Was this
answer
helpful?
Yes
No
Thursday, July 26th, 2018 AT 1:59 PM
Tiny
MMTHORN2
  • MEMBER
  • 9 POSTS
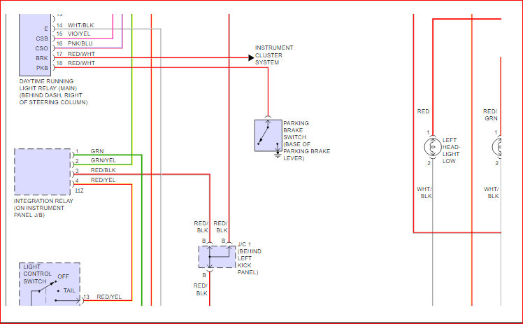
These four images are a little bit of a mismatch. We are missing the right half of the schematic. These four pictures only represent the left hand of the schematic. Any way to save the original picture with more detail? If not I need the right half of the schematic. Thanks for all your help. Mark.
Was this
answer
helpful?
Yes
No
Thursday, July 26th, 2018 AT 2:18 PM
Tiny
MMTHORN2
  • MEMBER
  • 9 POSTS
Danny, could you also supply a view of the under-dash DRL relay 20 pin connector so that I can determine which is wire 2 relative to the connector keying? Thanks again, Mark.
Was this
answer
helpful?
Yes
No
Thursday, July 26th, 2018 AT 2:57 PM
Tiny
DANNY L
  • MECHANIC
  • 5,648 POSTS
Hello again.

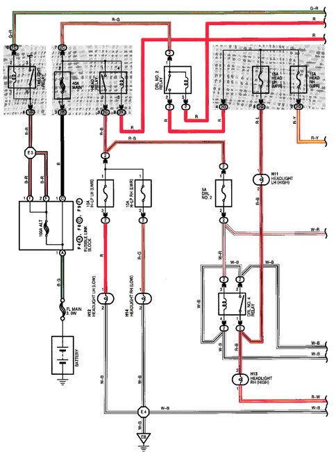
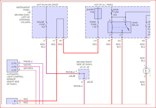
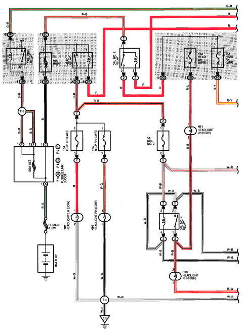
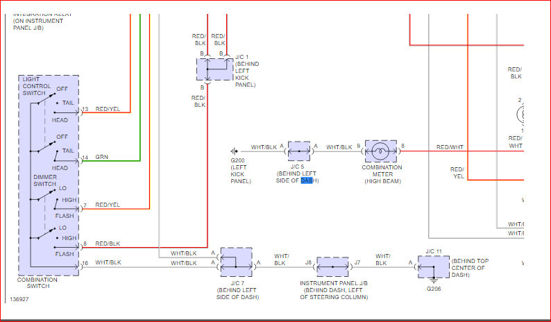
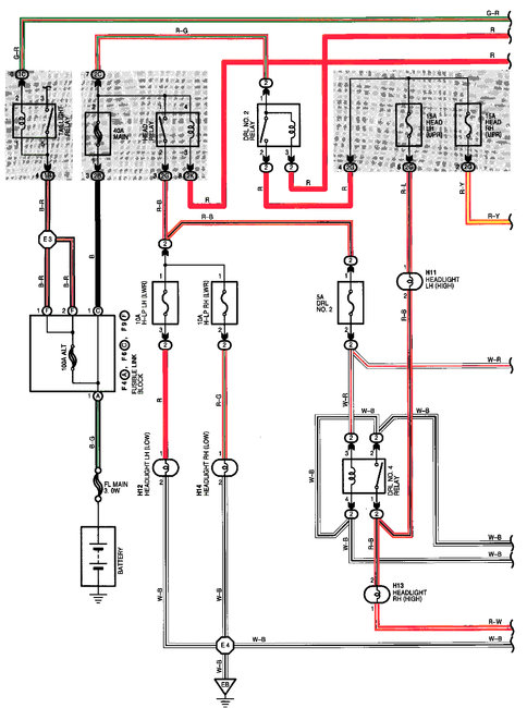
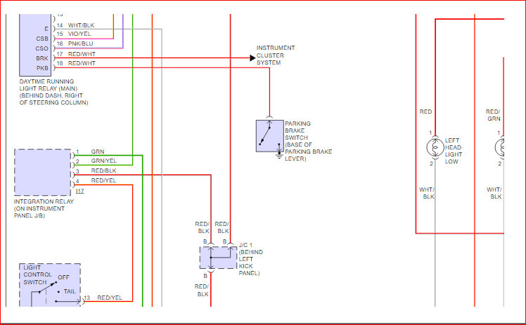
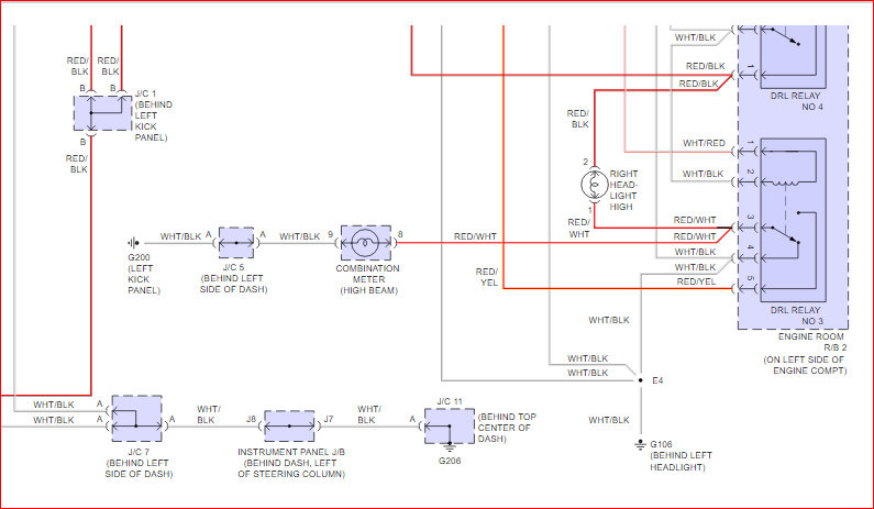
Sorry about that. Here is the right sides and the connector. Hope this helps. Let me know if these work. Thanks again for using 2CarPros.
Danny-
Was this
answer
helpful?
Yes
No
Thursday, July 26th, 2018 AT 3:55 PM
Tiny
MMTHORN2
  • MEMBER
  • 9 POSTS
Very difficult to piece together. DRL2 is separated into two different pictures. The DRL relay is split right at contact 2. Not sure if the connector image is the wiring side or the DRL relay side. Guess I will figure it out though.
Was this
answer
helpful?
Yes
No
Thursday, July 26th, 2018 AT 8:23 PM
Tiny
MMTHORN2
  • MEMBER
  • 9 POSTS
Could you double check the connector diagram? I have a DRL system. The connector calls out pin 7 as red-yellow but the schematic seems to indicate that pin 7 is red-black. Also, the connector indicates pin 13 is a headlight on signal (red-yellow) but the schematic does not have a pin 13 populated. The connector indicates that pin 14 is green whereas the schematic shows pin 14 as white/black.

Thanks, Mark.
Was this
answer
helpful?
Yes
No
Thursday, July 26th, 2018 AT 8:51 PM
Tiny
DANNY L
  • MECHANIC
  • 5,648 POSTS
Hello again Mark.

Let me get on a different program (ALLDATA) and get back to you. They have better wiring diagrams. I will get back to you later today.

Danny-
Was this
answer
helpful?
Yes
No
Friday, July 27th, 2018 AT 4:43 AM
Tiny
DANNY L
  • MECHANIC
  • 5,648 POSTS
Hello again Mark.

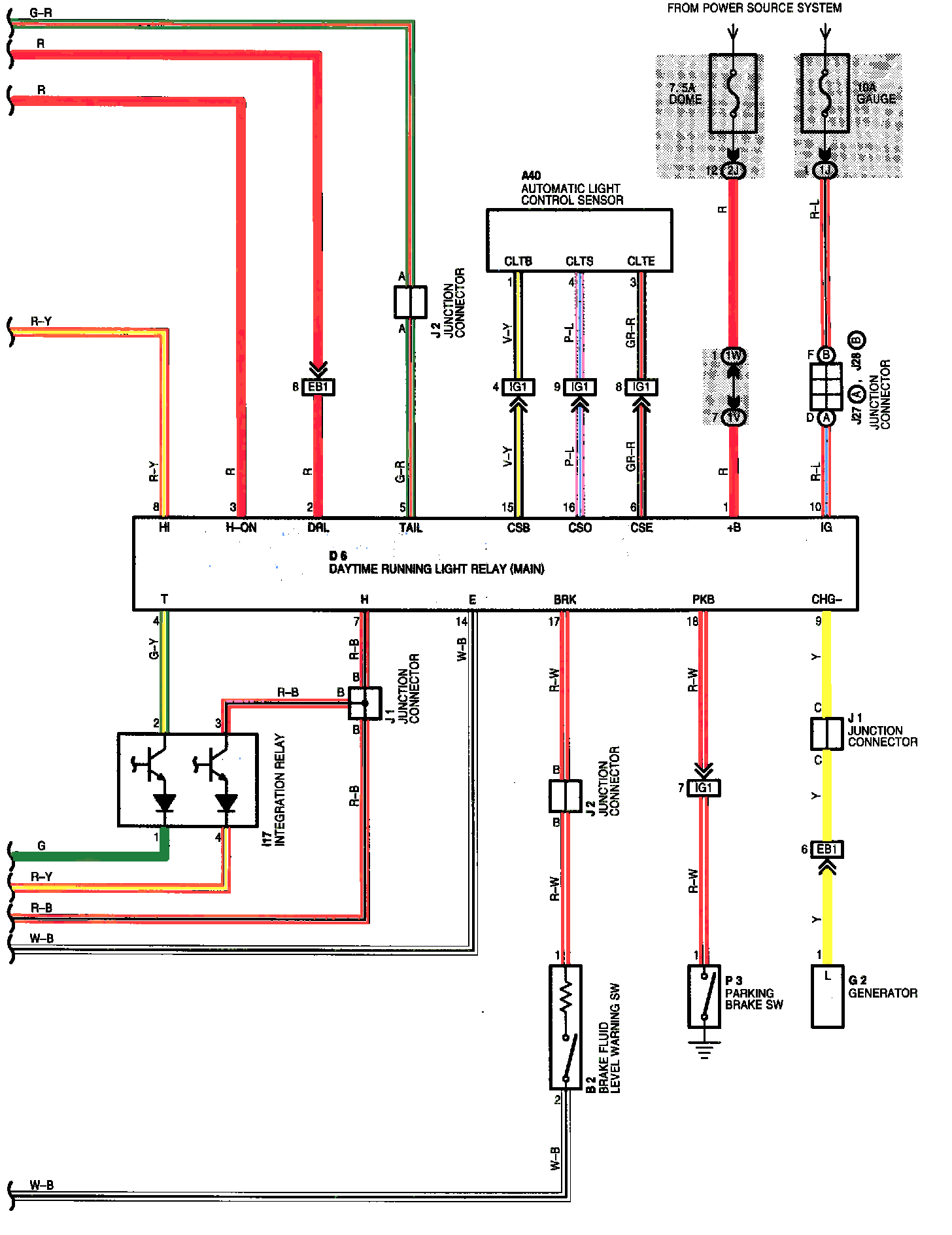
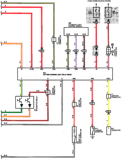
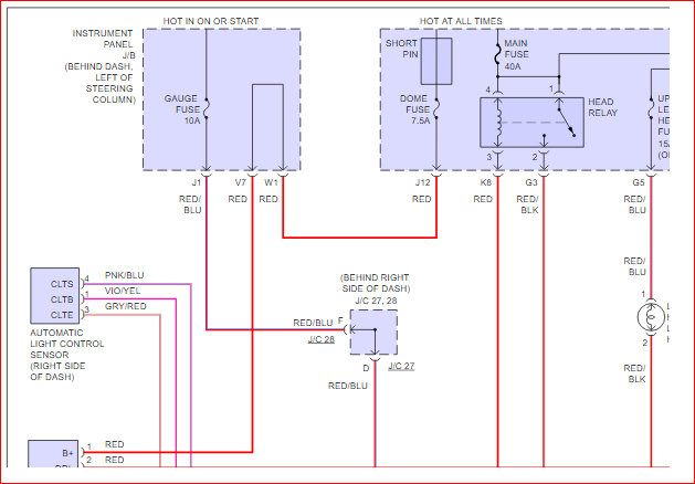
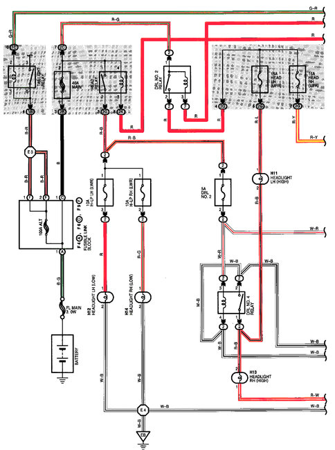
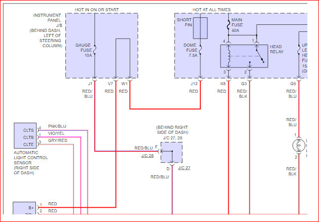
This diagram is from ALLDATA. I hope these work better for you. Let me know if you have any other questions.
Danny-
Was this
answer
helpful?
Yes
No
Friday, July 27th, 2018 AT 6:41 AM
Tiny
MMTHORN2
  • MEMBER
  • 9 POSTS
Thanks Danny, These are a bit better. Does AllData have a view of the connector pin positions?
Was this
answer
helpful?
Yes
No
Friday, July 27th, 2018 AT 6:59 AM
Tiny
DANNY L
  • MECHANIC
  • 5,648 POSTS
Hello again.

I will look into that and get back to you.

Danny-
Was this
answer
helpful?
Yes
No
Friday, July 27th, 2018 AT 8:48 AM
Tiny
MMTHORN2
  • MEMBER
  • 9 POSTS
Thanks Danny, I think I am set. Is there a bench test procedure for the underdash DRL relay?
Was this
answer
helpful?
Yes
No
Friday, July 27th, 2018 AT 11:44 AM
Tiny
DANNY L
  • MECHANIC
  • 5,648 POSTS
Hello Mark.

The only picture I found of the connector did not have color codes. It was like a 16 pin connector. I will look up the relay test. I will send what I can find.

Danny-
Was this
answer
helpful?
Yes
No
Friday, July 27th, 2018 AT 11:56 AM
Tiny
DANNY L
  • MECHANIC
  • 5,648 POSTS
Hello Mark
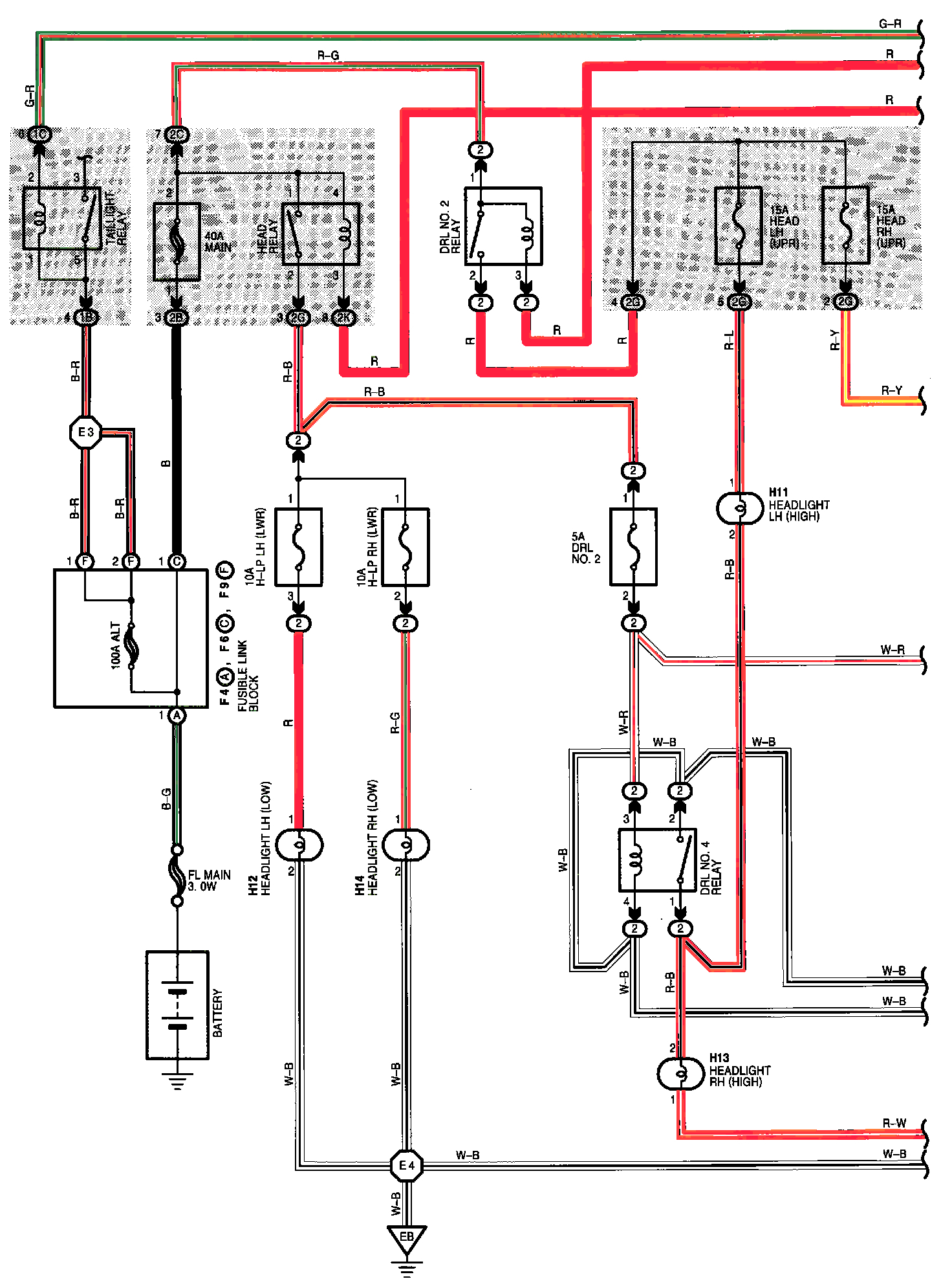
Here is what I found. Hope this helps and thanks for using 2CarPros.
Danny-
Was this
answer
helpful?
Yes
No
Friday, July 27th, 2018 AT 12:37 PM
Tiny
MMTHORN2
  • MEMBER
  • 9 POSTS
The last image is probably not from my 2000 Camry (my DRL relay has 18 contacts not 25). Anyway. I have not been able to find the issue with why the DRL's and high beams are not working. I can get the DRL's/high beams to come on if I short one of the contacts on DRL2 relay to ground. The relays all seem to work.

Is there a documented Toyota procedure for diagnosing DRL and high beams circuit not working on 2000 Camry U.S. 2.2l LE?

Thanks.
Was this
answer
helpful?
Yes
No
Tuesday, August 7th, 2018 AT 12:36 PM
Tiny
DANNY L
  • MECHANIC
  • 5,648 POSTS
Hi Mark,
I will look into that and get back to you.
Danny-
Was this
answer
helpful?
Yes
No
Tuesday, August 7th, 2018 AT 6:58 PM

Please login or register to post a reply.