Friday, November 20th, 2020 AT 5:30 PM
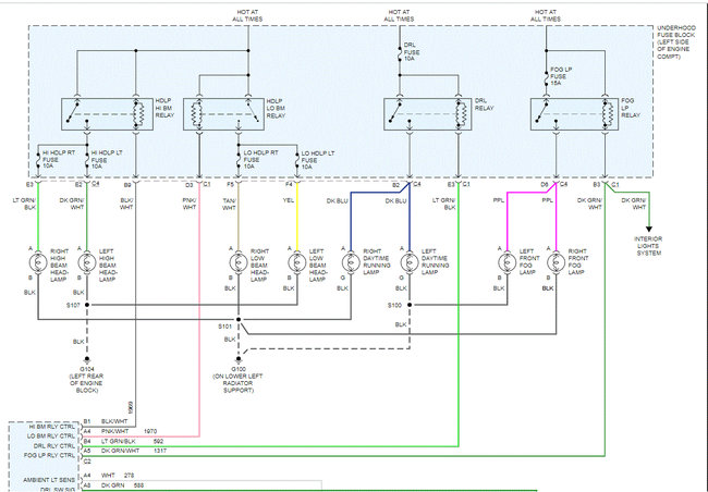
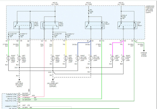
The DRL on my truck stopped working. The fuse is okay, and I replaced the relay. I will be doing a more thorough testing as suggest by your relay article. Just getting frustrated, they worked 4 days ago, now they won't. Oh, bulbs are good, I replaced them yesterday.






