HOME
ASK A QUESTION
REPAIR GUIDES
BECOME A MEMBER
LOG IN
Login with Facebook
OR
Remember me
NOT A MEMBER?
FORGOT PASSWORD?
CONTACT US
PRIVACY POLICY
TERMS AND CONDITIONS
☰
Home
Mercedes Benz
E280
Engine
Computer
Diagnostic Connector ALDL
Data link connector fuse place
IBRAHIM ADALATJU
MEMBER
2005 MERCEDES BENZ E280
3.0L
V6
2WD
AUTOMATIC
228,000 MILES
I could not connect with c4 Xentry DAS.
It shows that there is a problem in circuit 30 and 31.
Friday, April 20th, 2018 AT 8:45 AM
1 Reply
KEN L
MASTER CERTIFIED MECHANIC
54,149 POSTS
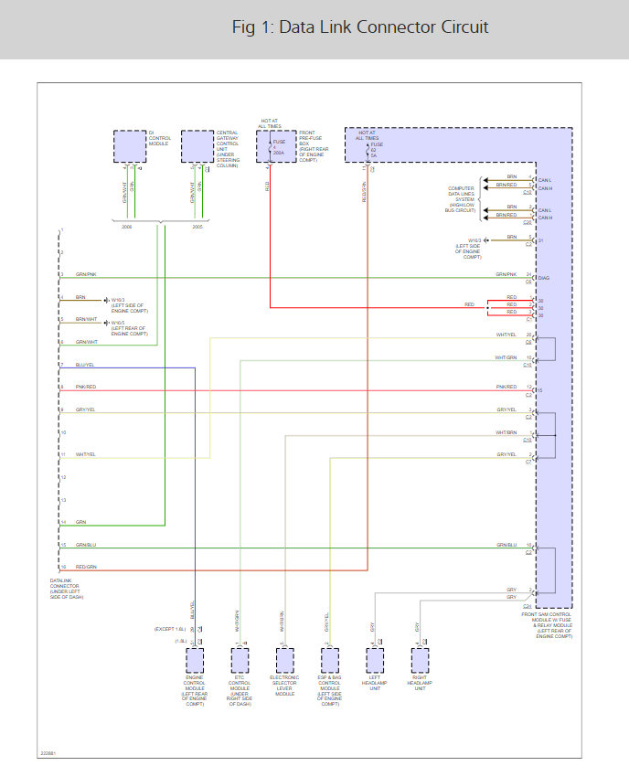
I would check fuse 4 and 82, here is a guide to help and the ALDL wiring diagram so you can see how the connector works.
https://www.2carpros.com/articles/how-to-check-wiring
Check out the diagrams (below).
Please let us know what you find. We are interested to see what it is.
Cheers, Ken
Image (Click to make bigger)
Was this
answer
helpful?
Yes
No
Sunday, April 22nd, 2018 AT 11:17 AM
Please
login
or
register
to post a reply.
Related Engine Computer Diagnostic Connector ALDL Content
1997 Mercedes Benz E280 Inspection Time
Hello, I Would Like To Know About The Mercedes E 280 (1997) Gear Oil Change, Every How Many Kilometeres I Have To Change Gear Oil.
Asked by
rabih32
·
1 ANSWER
1997
MERCEDES BENZ E280
Ask a Car Question. It's Free!
Top 8 Reasons for an Annoying Engine Rattle!
Oil Change and Filter Replacement Chevrolet E
Throttle Body Actuator Service Toyota Prius 2