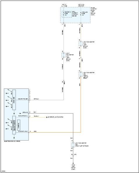
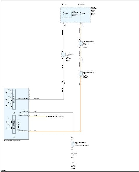
Wednesday, July 8th, 2020 AT 10:50 PM
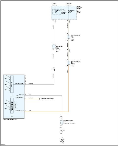
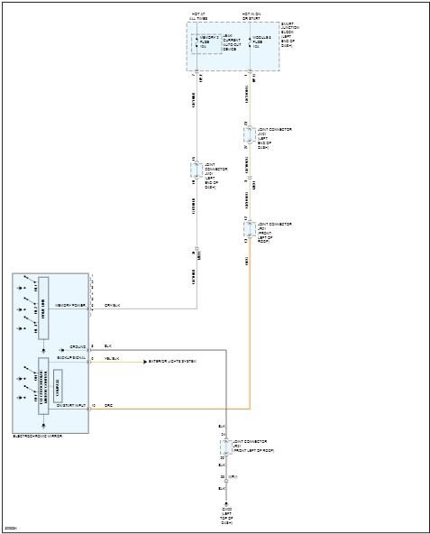
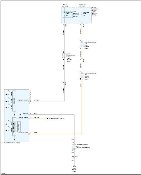
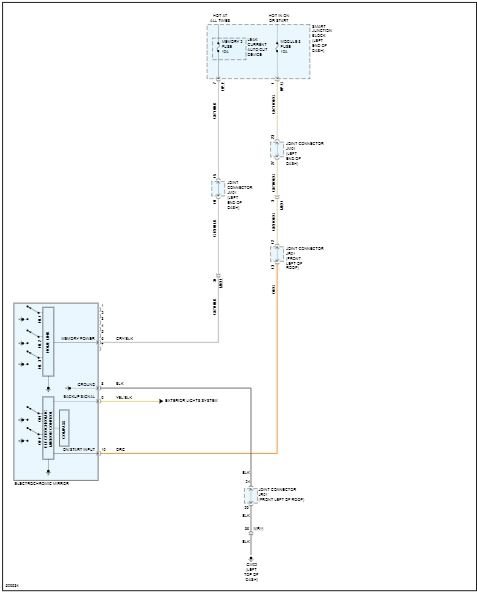
I was replacing rear view mirror to install a pro cam the wires touch each other and blew out my dashboard gauge components. Also my vehicle will not change gears.



