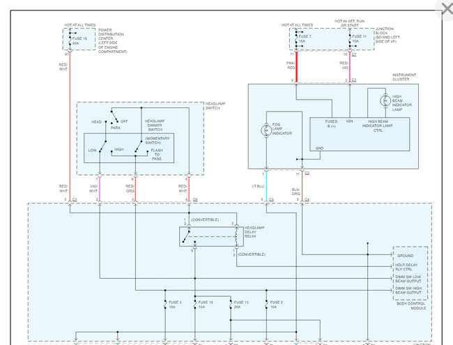
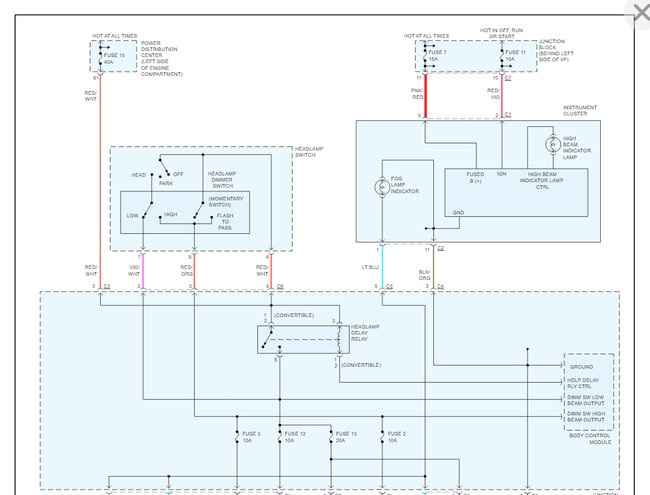
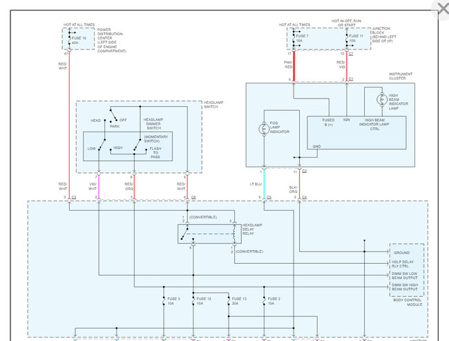
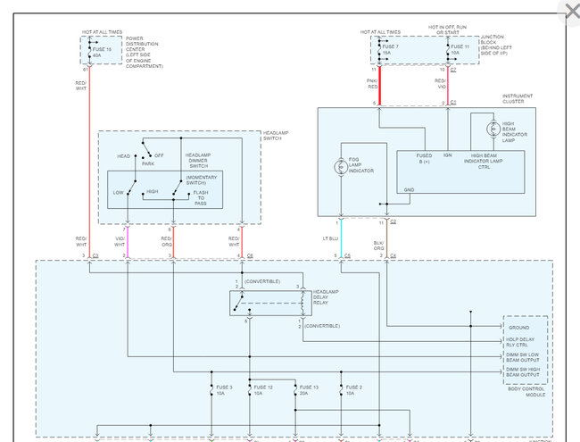
Wednesday, March 9th, 2022 AT 9:55 AM
Having problems with my dashboard lights going out and at night when I turn my lights on the dashboard goes out and so do the back lights. I have changed the fuses and still the same thing. Should I change the turn signal combination switch?





