Thursday, December 13th, 2018 AT 10:32 PM
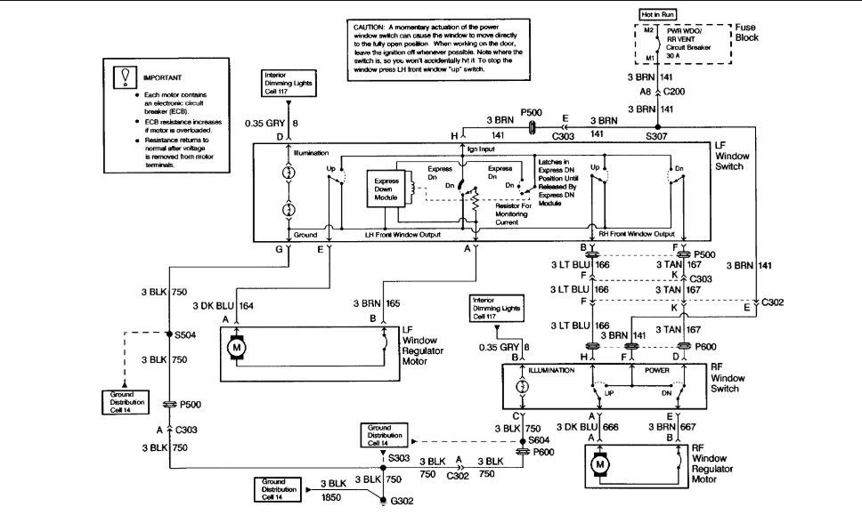
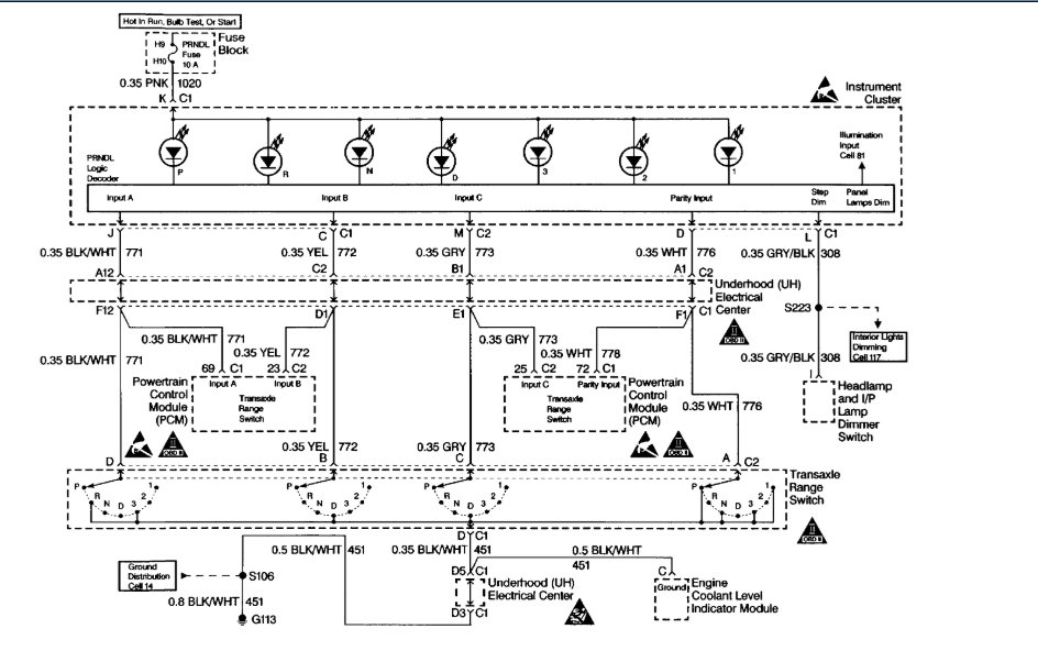
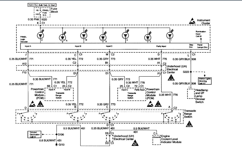
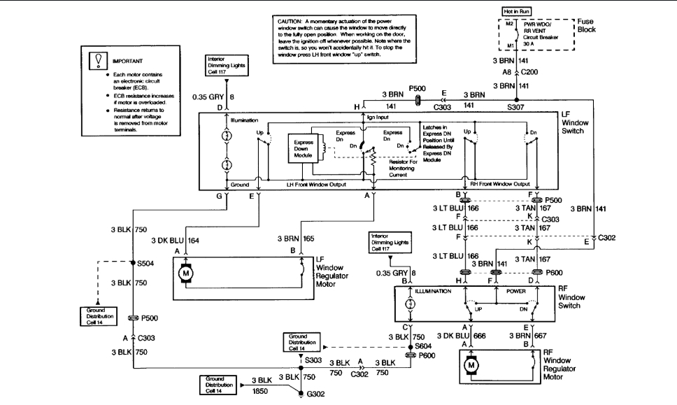
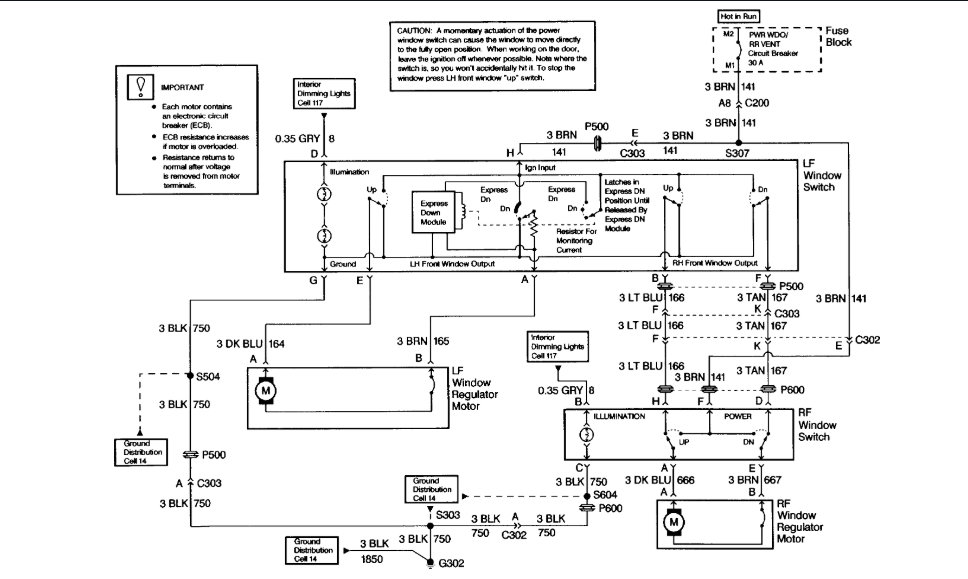
The window switch went out on the driver's side and I didn't have any tools to fix it, so I used two wires on the switch to get it to go up. Once I got it up I noticed that the dash lights went away and they would come on if I held both wires in the ports for the window switch but would shut off once I took them out. I have no idea what to do next.



