Monday, October 7th, 2019 AT 6:21 AM
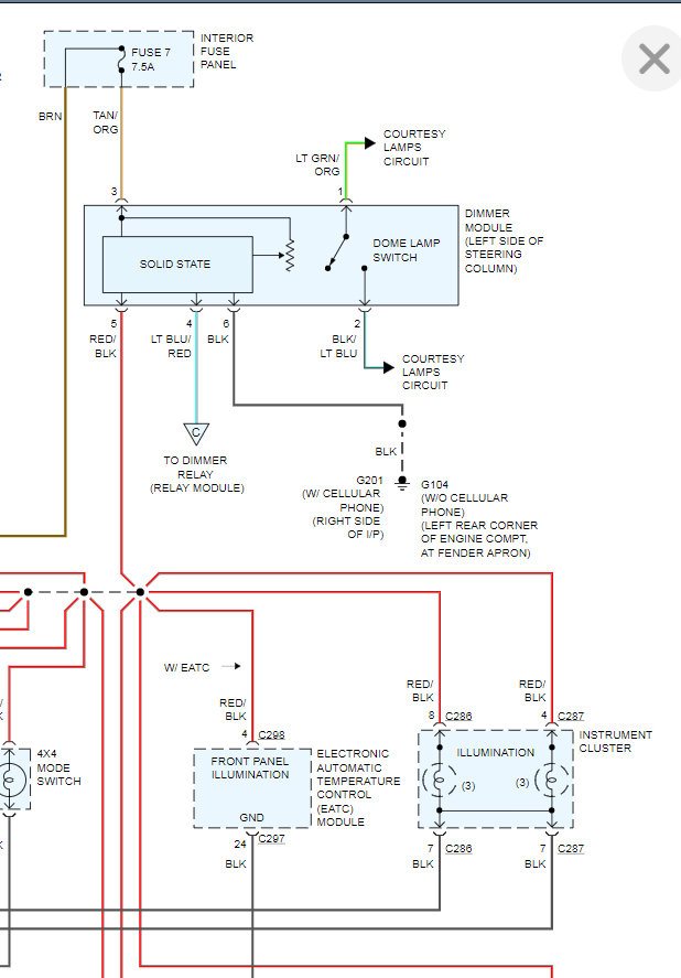
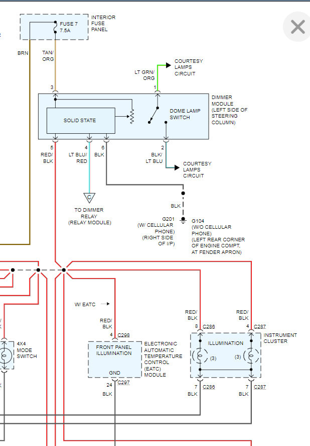
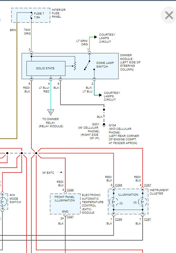
Went to turn lights on one morning and the dash lights went out. I thought it was a fuse or the dimmer switch but I checked them both all other lights work. Brake lights work, hazards work, headlights work dome light works.


