Monday, November 25th, 2019 AT 5:41 PM
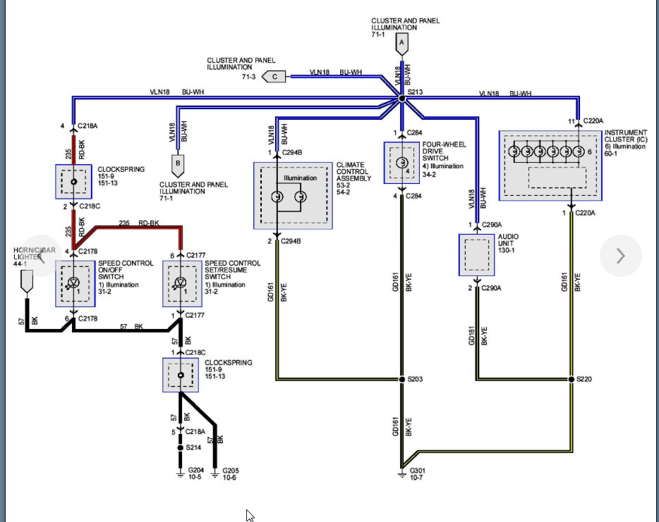
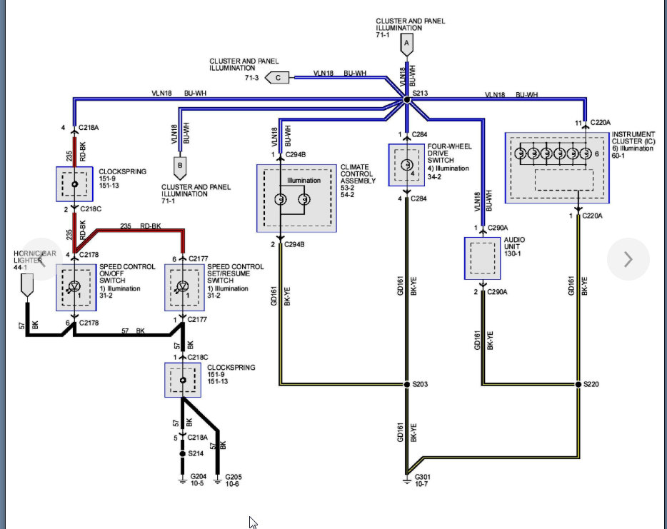
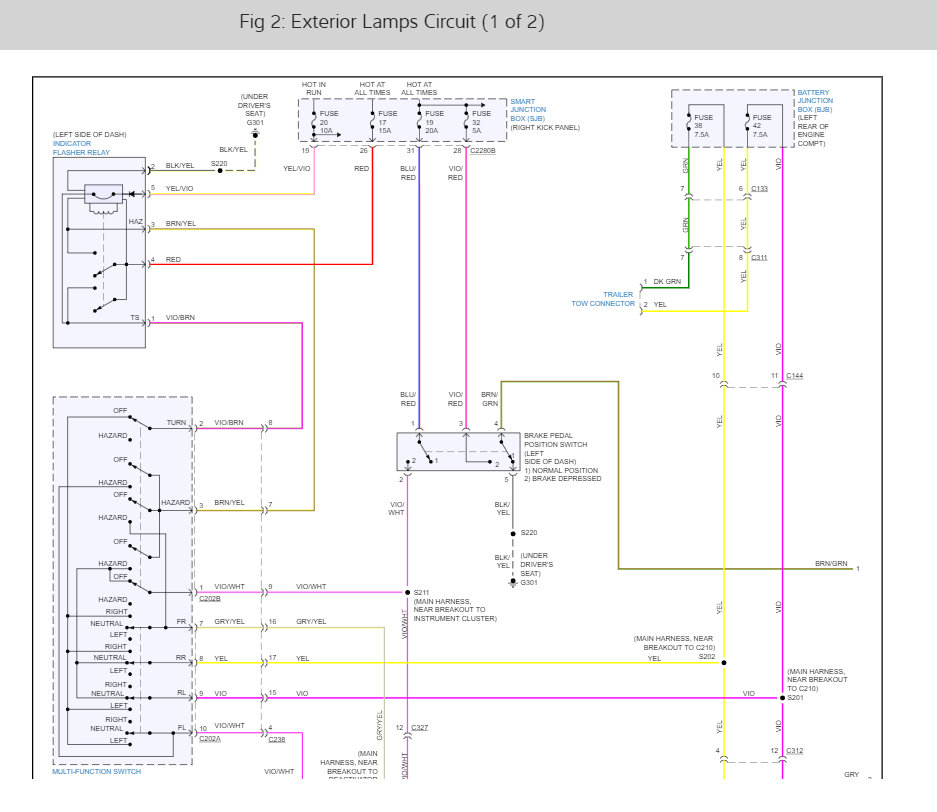
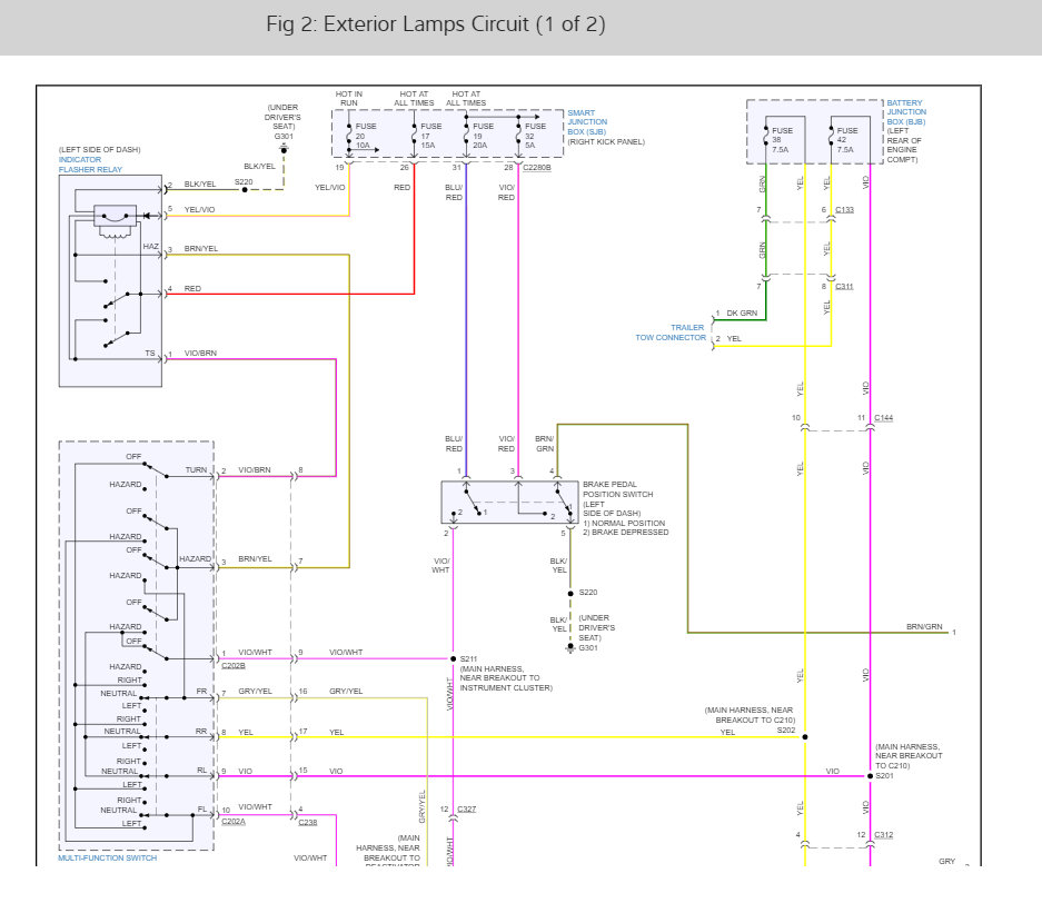
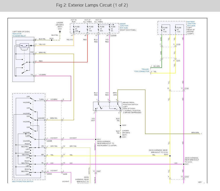
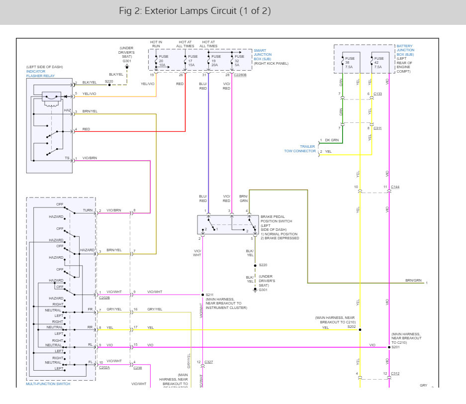
My dash lights suddenly dimmed. Still about 10% brightness. Also my brake lights stopped working about 1 week ago. I checked the fuses and they are good. Changed the brake light switch under the console bur no help. The cab brake light work.













