Sunday, January 19th, 2025 AT 7:57 AM
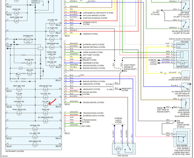
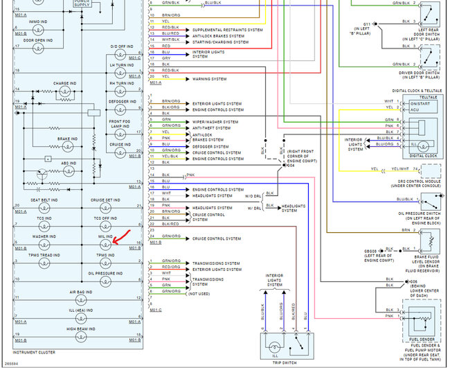
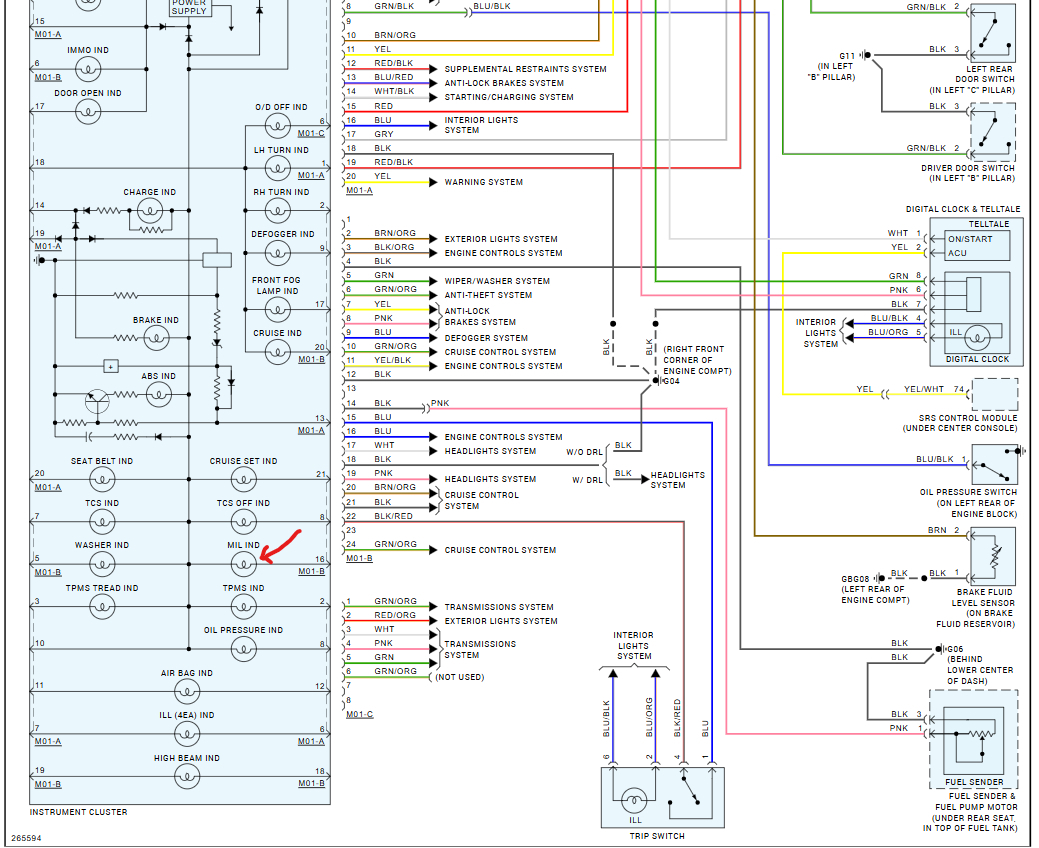
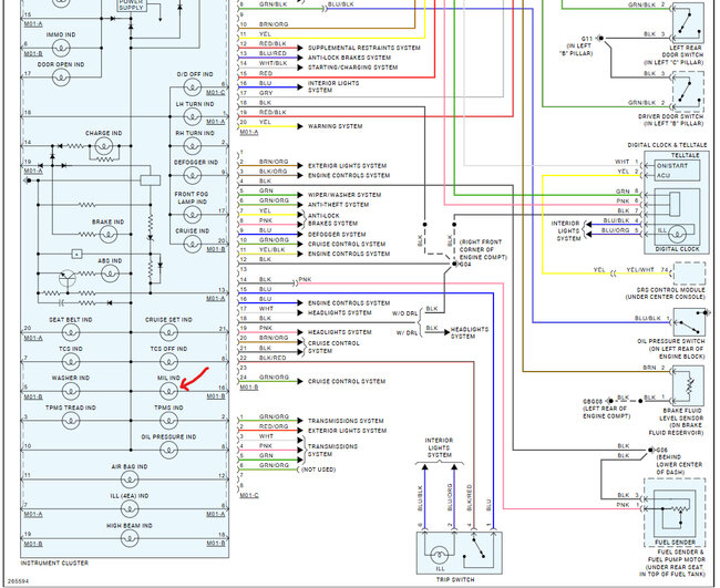
Failed inspection because of no check engine light. After disassembling my gauge cluster this dash does not have an led for check engine. Nothing, just a hole. This is the factory cluster. Did I get a one off or bad cluster?








