Thursday, September 27th, 2018 AT 10:42 AM
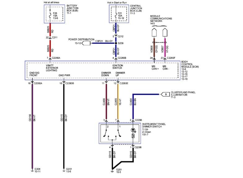
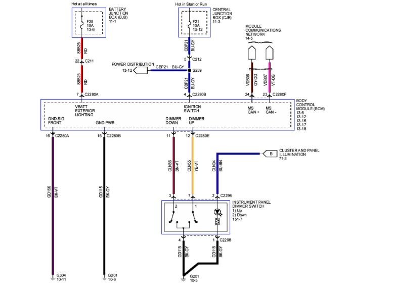
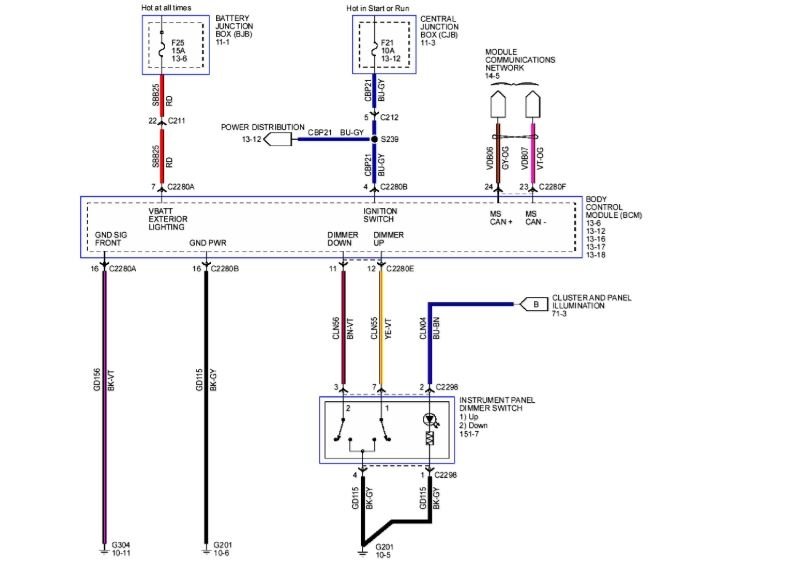
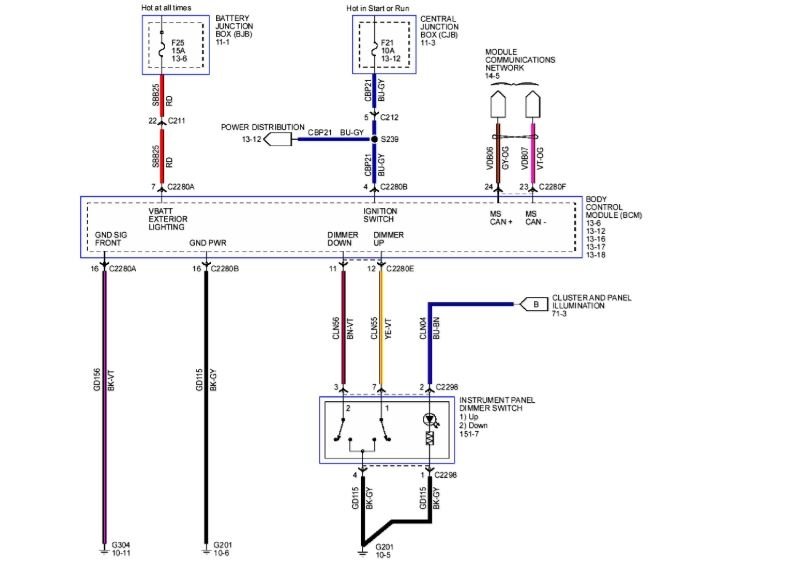
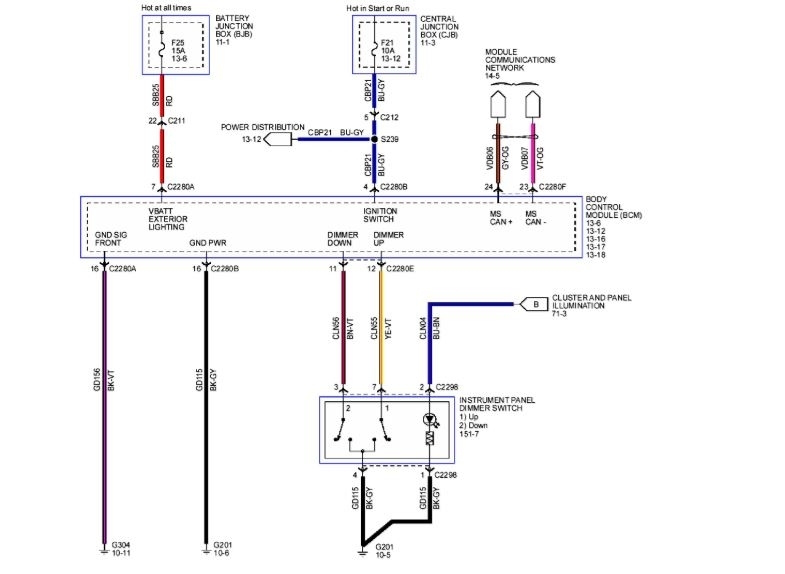
After a body shop replaced the upper crash pad and passenger airbag module I have a draw that is draining the battery. The steering wheel, HVAC cluster, and shift panel lights stay on after the vehicle is locked with the remote but all other dash and exterior lights go out. These lights stay on at least forty five minutes to an hour before I notice they turn off. I have another Fiesta that all interior lights come on when opening the door but shut off after thirty seconds or so, or immediately if I lock with the remote. I assume this is the way it is supposed to react. The body shop has been no help. No other lights or codes. Help

