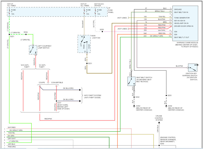
Saturday, July 22nd, 2023 AT 5:06 PM
The car listed above is a GT. I gutted the whole interior; I bought a 1998 dash harness and want to thin the harness down for drag racing but don't know what the connectors connect to. I don't have the dash and can't find diagrams of what they connect too.






