Tuesday, February 25th, 2020 AT 8:13 PM
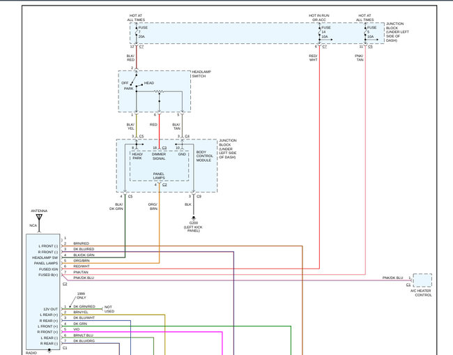
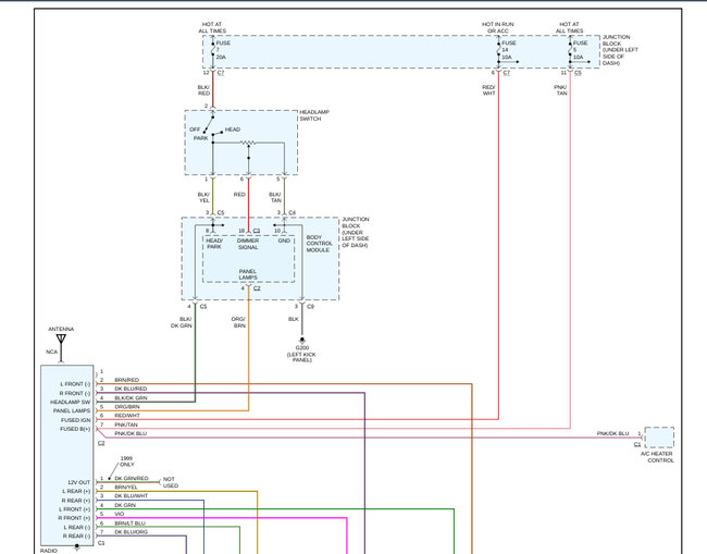
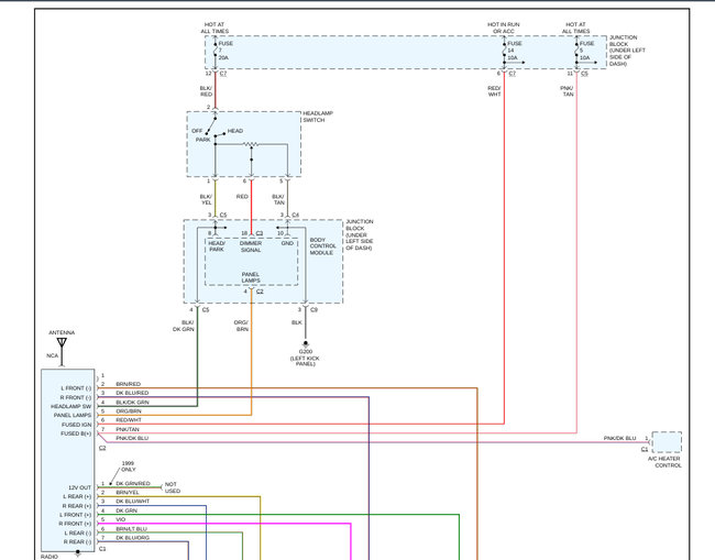
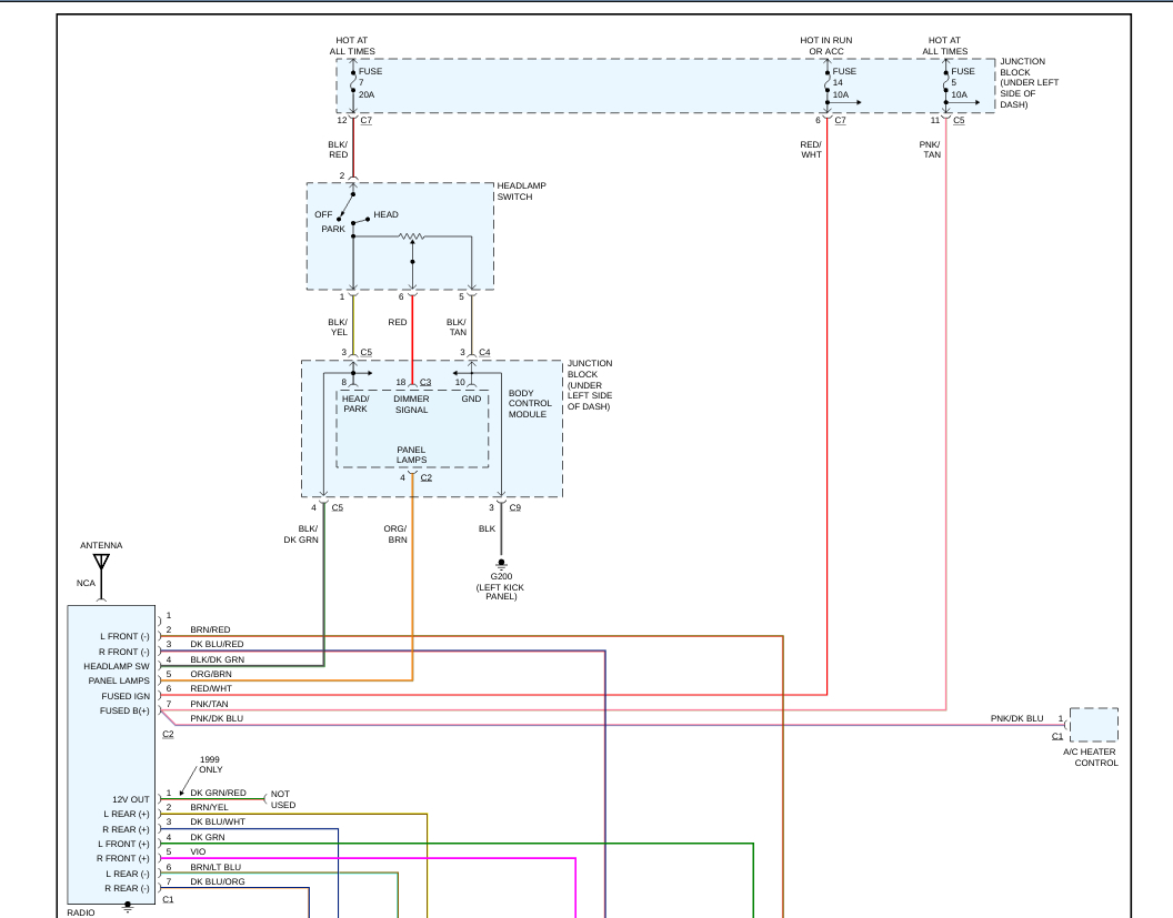
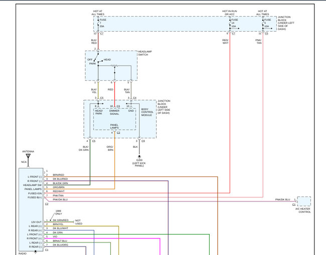
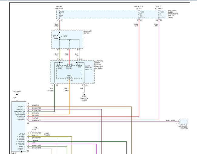
I just bought this car and everything was working just fine. I replaced the radio and the dash board lights don't work. It will show me things like my mileage and blinker and all that but I can't see how fast I am going. I'm not sure what fuse it is to look at or if it's something else.




