Cylinder head Bolt torque specs needed?

Tiny
CAPTKILLJOY1
  • MEMBER
  • 1999 HONDA CRV
  • 2.0L
  • 4 CYL
  • 2WD
  • AUTOMATIC
  • 123,000 MILES
I'm changing the head gasket on it and need the torque specs I've looked everywhere.
Friday, October 25th, 2024 AT 5:53 PM

1 Reply

Tiny
JACOBANDNICKOLAS
  • MECHANIC
  • 110,194 POSTS
Hi,

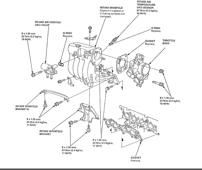
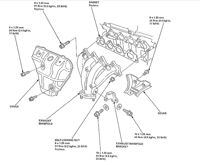
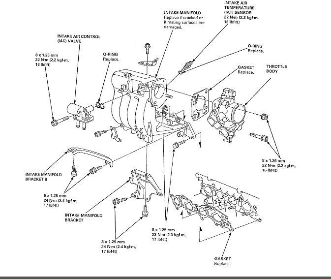
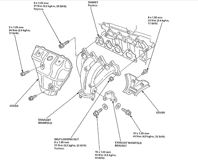
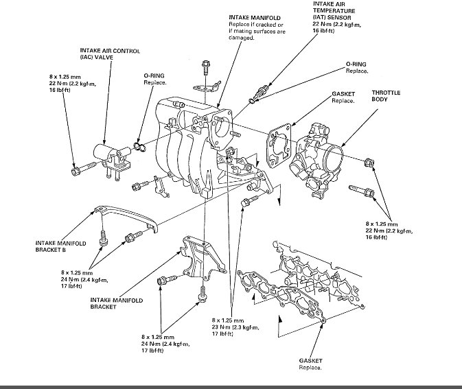
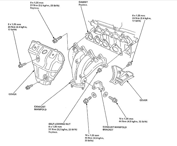
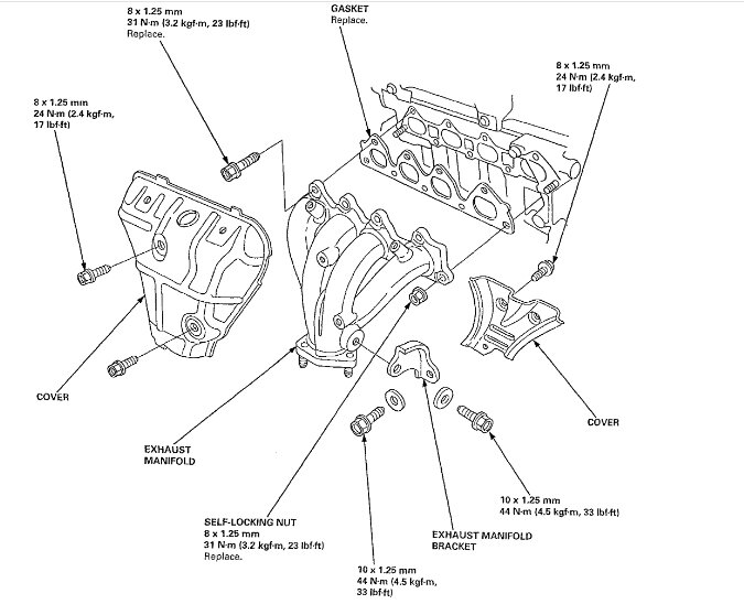
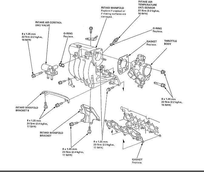
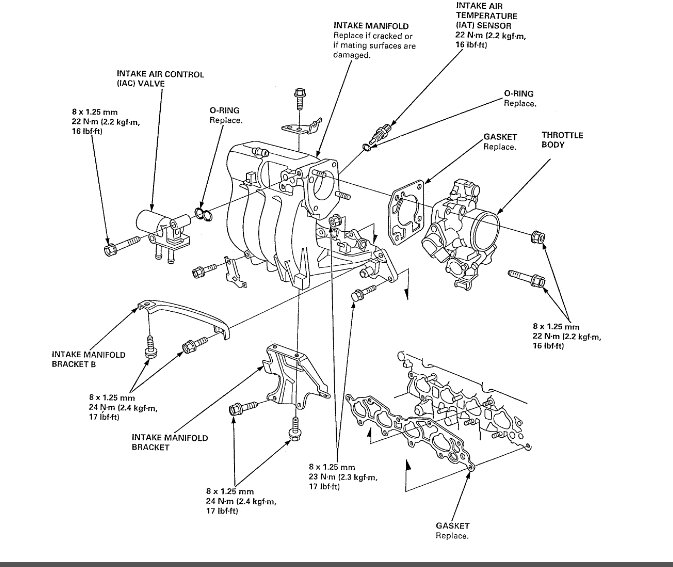
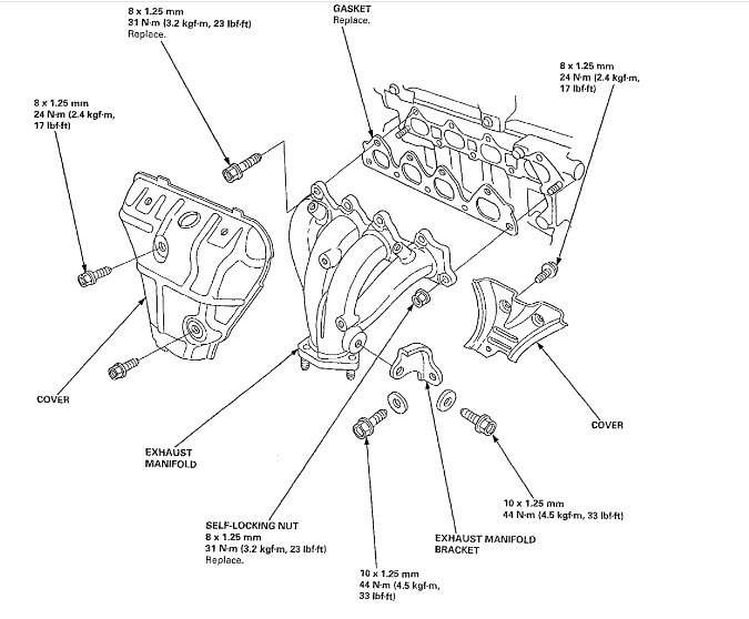
I think I just responded to a different thread from you. LOL Anyway, if you look below, I attached the specifications for the cylinder head. Make sure you reach the specification in a two-step process.

I also attached the specifications for everything related to the cylinder head. I figured if you have the head off, the other things are off as well.

Let me know if this helps.

Take care,

joe

See pics below.
Was this
answer
helpful?
Yes
No
+2
Friday, October 25th, 2024 AT 11:29 PM

Please login or register to post a reply.