Tuesday, June 9th, 2020 AT 9:10 AM
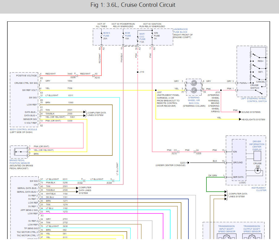
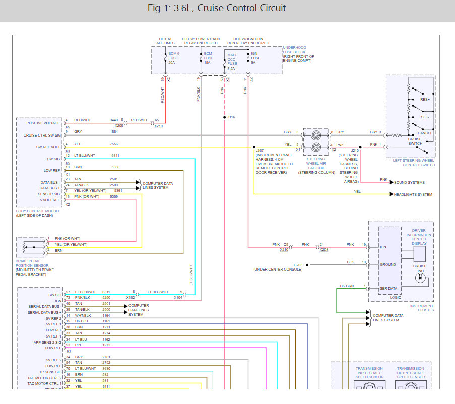
Being I changed my steering wheel to a custom wheel, I lost my cruise control. I need to wire up new switches on the dashboard. I need to know which wire is the ignition, cruise on/off, set, resume and accelerate, whether in the column or under the dash. I bought 3 LED switches. One on/off and two momentary switches. I believe the ignition wire needs to be connected to all switches other the correct wire to control that action. Thank you.


















