Cruise control problems

Tiny
PHEONIX
  • MEMBER
  • 2015 MITSUBISHI MIRAGE
  • 1.2L
  • 3 CYL
  • 2WD
  • AUTOMATIC
  • 117,892 MILES
Cruise control only will turn on and set speed but no other buttons work like the cancel, resume or coast. Any thoughts. Thanks.
Wednesday, November 27th, 2019 AT 5:06 AM

4 Replies

Tiny
KASEKENNY
  • MECHANIC
  • 18,907 POSTS
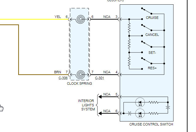
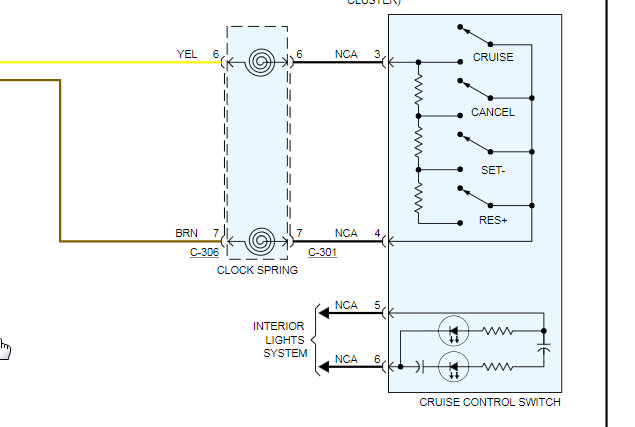
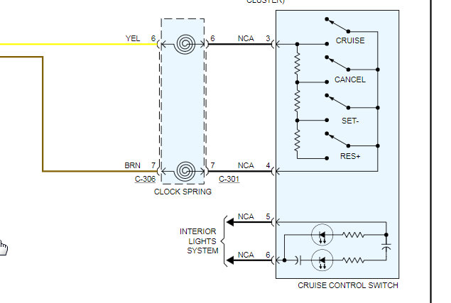
This is most likely one of two things. Either the switch itself or the clock spring. The way we test this is to remove the switch and test for voltage when pressing the buttons. However, if you look at the wiring diagram I am confident that the switch is the issue because each of the buttons share a feed through the clock spring. So if the Set button is working then that would indicate the clock spring is okay.

Let me know what you think and we can go from there.
Was this
answer
helpful?
Yes
No
Wednesday, November 27th, 2019 AT 5:12 PM
Tiny
PHEONIX
  • MEMBER
  • 3 POSTS
Thanks for the advice. I will take the car to the mechanic to check. One more question, how much should I pay to get this checked?
Was this
answer
helpful?
Yes
No
Thursday, November 28th, 2019 AT 2:57 PM
Tiny
KASEKENNY
  • MECHANIC
  • 18,907 POSTS
That depends on the shops door rate but if this is the issue and they need to replace the switch and their rate is $100.00 per hour, it should be around $325.00. That is about an hour of diag, 4 hours to replace it and the part is about $178.00.

Clearly this will vary depending on the shop.
Was this
answer
helpful?
Yes
No
Friday, November 29th, 2019 AT 7:28 PM
Tiny
PHEONIX
  • MEMBER
  • 3 POSTS
Thank you so much for all of your advice.
Was this
answer
helpful?
Yes
No
Saturday, November 30th, 2019 AT 7:02 PM

Please login or register to post a reply.