Friday, May 2nd, 2025 AT 5:06 AM
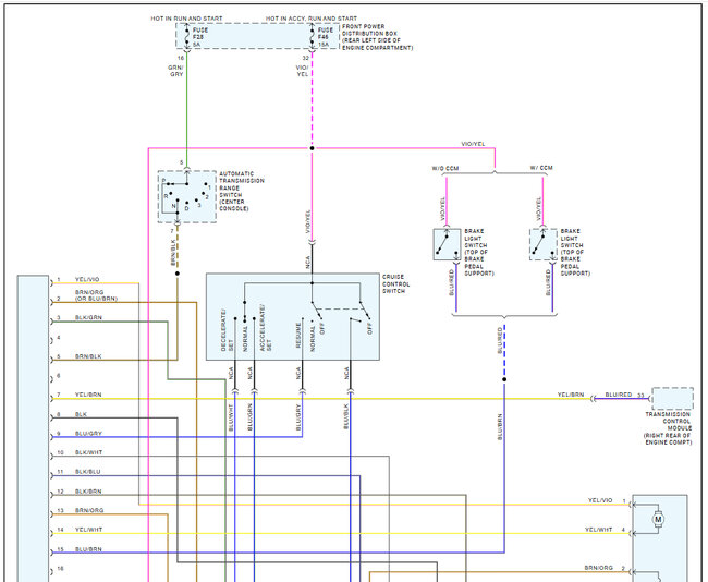
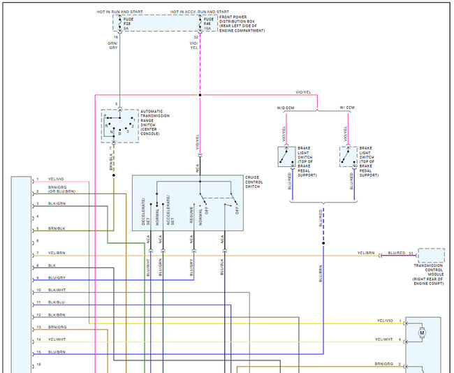
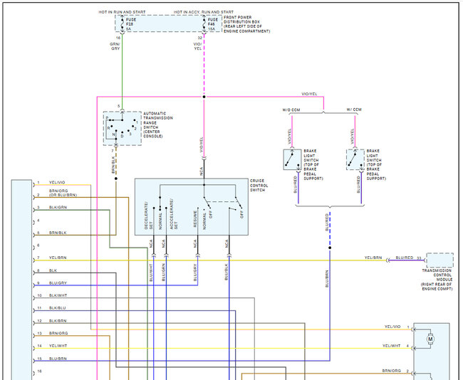
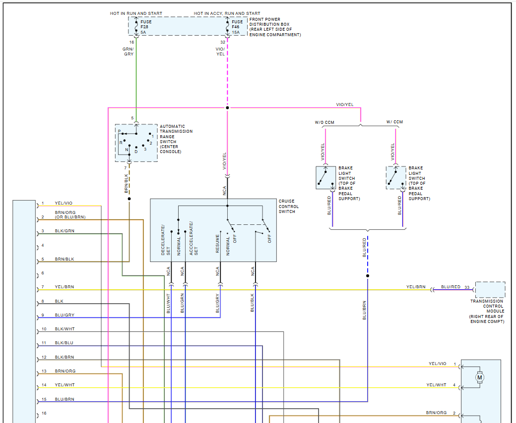
I paid a shop to do an auto to manual swap. I had an aftermarket shifter but decided to go back to a stock style. While removing the shifter some of wires were disconnected due to them not being crimped properly. At first the car would start but I was able to find the proper wire to have the car turn over and drive. Only issue now is the lack of cruise control. I'm trying to figure out why it will not engage, and which wires I need to connect to get it working again.



