Saturday, November 2nd, 2024 AT 3:36 PM
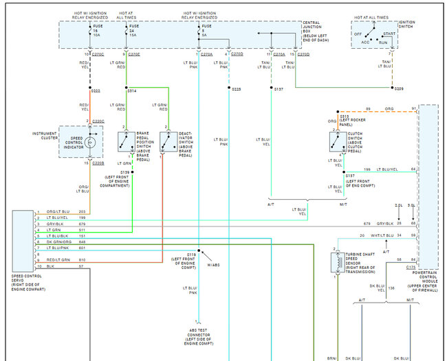
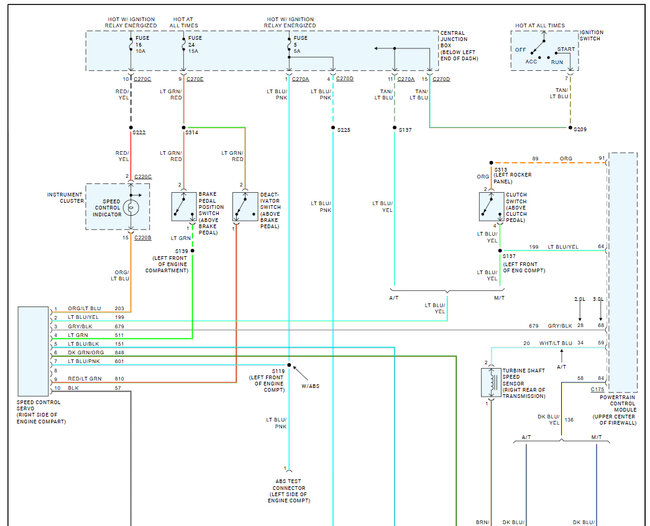
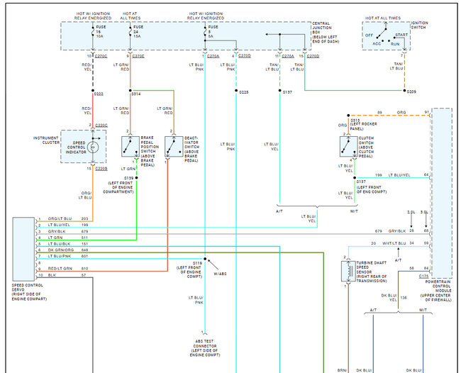
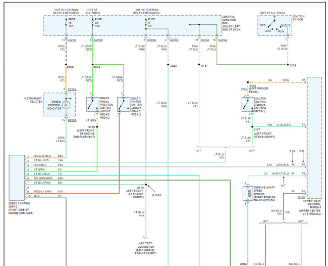
Cruise control buttons not working. Checked fuses and all good. Are these switches on the steering wheel a known weak link? And I'm having a challenge locating replacement ones. Any suggestions?
















