Cruise control issues

Tiny
ON WHEELS
  • MEMBER
  • 2002 CHEVROLET VENTURE
  • 3.8L
  • V6
  • 4WD
  • AUTOMATIC
  • 80,000 MILES
This is a handicapped van. I have metered out the cruise release switch, (fine) and replaced the module, and the multi function switch. I have checked all fuses, kinda lost here. And I can't safely drive the van without the cruise working! Is there some redundant thing on the brake light switch?
Saturday, June 6th, 2020 AT 11:10 AM

14 Replies

Tiny
KASEKENNY
  • MECHANIC
  • 18,907 POSTS
Couple questions to start. First when you say the release switch is fine, do you mean the brake light switch? If so, how did you "meter it out?"

Also, when you turn the cruse on does the indicator light on the dash come on and it just doesn't set the speed or does the indicator not even come on?

Let's start with this info and then we can go from there because depending on this, we are going to go in different directions. Thanks
Was this
answer
helpful?
Yes
No
Sunday, June 7th, 2020 AT 1:05 PM
Tiny
ON WHEELS
  • MEMBER
  • 7 POSTS
I replaced the brake switch out of paranoia, the release switch should be normally closed until you hit the pedal, so with an ohm meter I checked it, and it did what it was supposed to do. Honestly, I have never noticed a cruise light on the dash, it just worked.
Was this
answer
helpful?
Yes
No
Monday, June 8th, 2020 AT 9:40 PM
Tiny
ON WHEELS
  • MEMBER
  • 7 POSTS
I should note, I have a new multi-function switch, a new module, the cable moves freely. And I am an OEM manufacturer, so electrical is my thing, this is why I am so stumped!
I do have LED front turns, but regular bulbs for brakes in the rear, but I have been running "hyper blink" for years with no issues.
Was this
answer
helpful?
Yes
No
Monday, June 8th, 2020 AT 9:45 PM
Tiny
KASEKENNY
  • MECHANIC
  • 18,907 POSTS
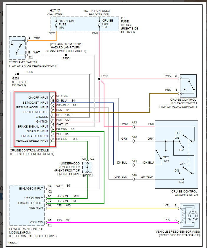
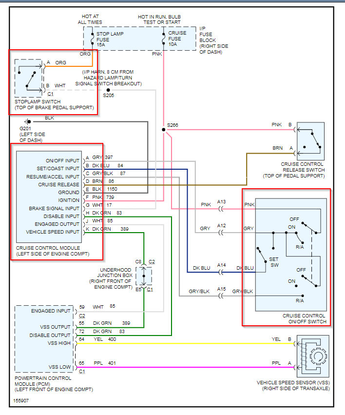
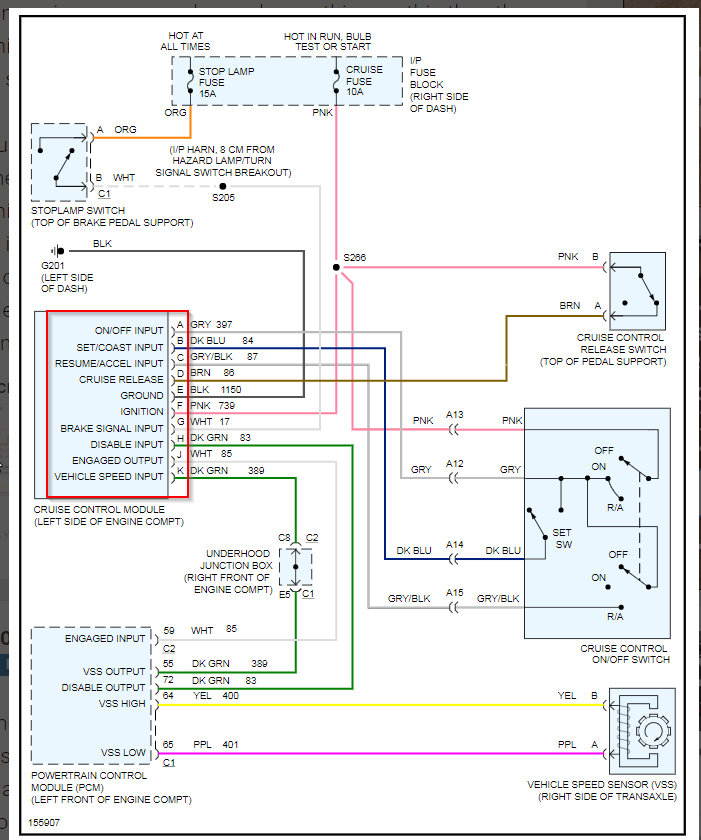
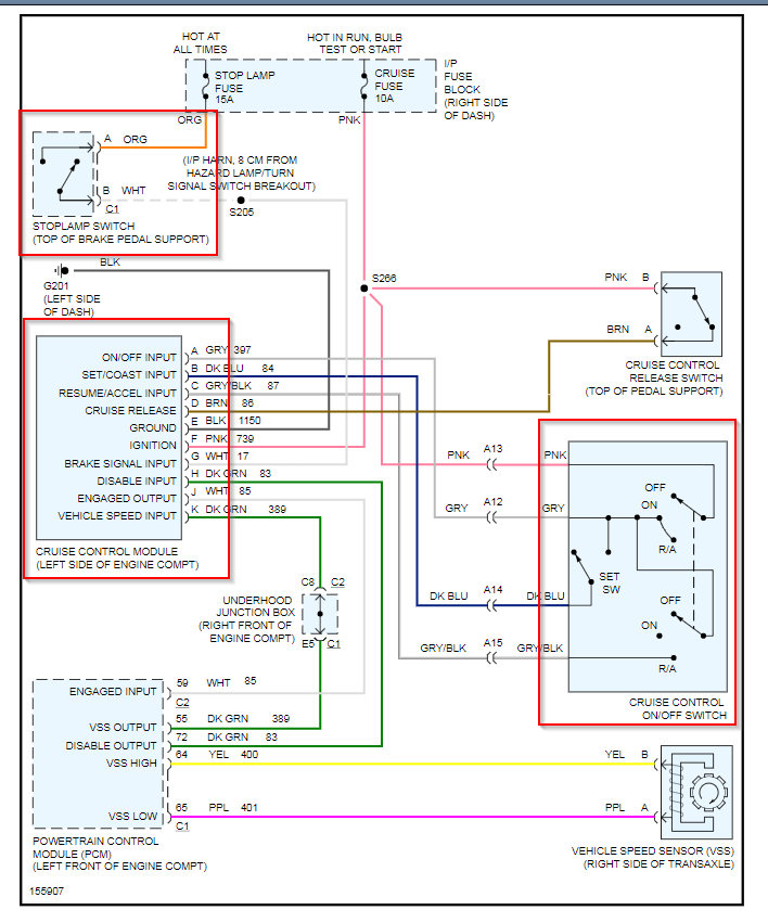
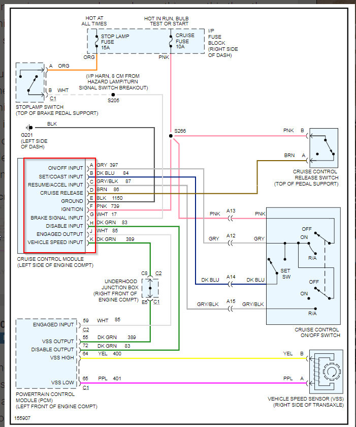
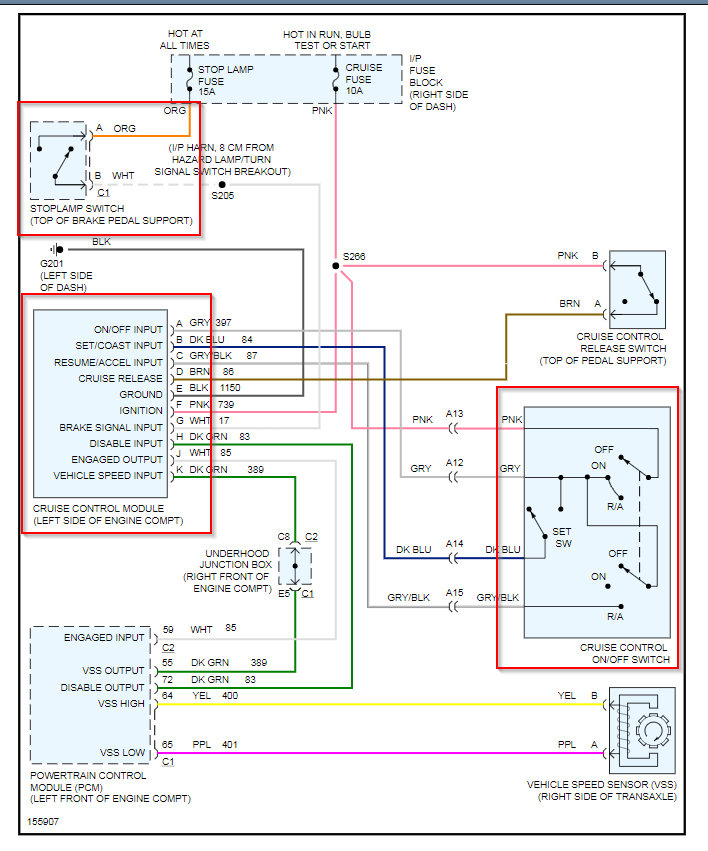
Take a look at the wiring diagram. I outlined the items that you said you replaced. Correct me if those are not correct.

I also attached the testing for when the cruise is not operating. Let's run through this and see what turns up. Thanks
Was this
answer
helpful?
Yes
No
Tuesday, June 9th, 2020 AT 6:21 PM
Tiny
ON WHEELS
  • MEMBER
  • 7 POSTS
Step 1 never put aftermarket brake lights on one of these. Step 2 do not load them with led lights! I get the stock lights on Friday. I already found issues there, I will keep you posted!
Was this
answer
helpful?
Yes
No
Friday, June 12th, 2020 AT 1:34 PM
Tiny
KASEKENNY
  • MECHANIC
  • 18,907 POSTS
Got it. Thanks for the update. Let us know what you find. We will wait to hear back.
Was this
answer
helpful?
Yes
No
Friday, June 12th, 2020 AT 7:32 PM
Tiny
ON WHEELS
  • MEMBER
  • 7 POSTS
Okay, I have replaced the taillights, both brake pedal switches, the turn signal switch, and the module as well as checked all the fuses! No change. Help
Was this
answer
helpful?
Yes
No
Tuesday, June 30th, 2020 AT 7:05 PM
Tiny
KASEKENNY
  • MECHANIC
  • 18,907 POSTS
Let's step back and tell me when this started. Was this something that worked one day and the next it did not or was there a repair made recently and it hasn't worked since then? Just looking for any background in case we are missing something.
Was this
answer
helpful?
Yes
No
Wednesday, July 1st, 2020 AT 7:13 PM
Tiny
ON WHEELS
  • MEMBER
  • 7 POSTS
It started as a glitch when I hit a turn signal, then I noticed I had a brake light out and had to get creative with aftermarket taillights running 1126 and 1127 sockets. The spring contacts on the left brake light melted in recess, of course there was nothing that fit, so I ordered stock bulbs/lenses, and that didn't work, then the multi-function switch, then a module, and finally both brake switches. Without cruise I have trouble driving and this versa track equipt warner brothers edition has 80,000 on it, I have had it since 26,000 and have maintained it past the point of reasonable, it has a lived shoehorned into the back, and handles well. But this cruise control is required to safely drive. I have a fortune in it as well as a 1995 crew cab diesel, that one too is new except the sheet metal, but the cruise kicks out on turns, and frankly it is just too big, I have been robbed every time I try to get anything fixed. The sad part is if I wasn't disabled, I could fix them. But the spine injury, lack of clear vision and limited physical ability has me in a bind, I need to go shopping! I need to get to appointments! I can't rely on transport as the last time I tried that, they broke a leg rest on my wheel chair and gave me the number for dish network as their liability insurance. My kingdom for a proper van conversion!
Was this
answer
helpful?
Yes
No
Friday, July 3rd, 2020 AT 1:46 AM
Tiny
KASEKENNY
  • MECHANIC
  • 18,907 POSTS
Take a look at the wiring diagram for the entire system. Unless the conversion company changed something on this then the only thing I see left that you have not tested or replaced is the speed sensor and PCM.

Do you have an issues with the speedometer? If not, I assume that the speed sensor is operating. If that is the case then the only thing I can see is a PCM issue unless we are dealing with a wiring issue. Which is this is the case, that is going to be a tough one to figure out but I would suggest going to the cruise module and making sure you have voltage there when you are pressing each button.
Was this
answer
helpful?
Yes
No
-1
Saturday, July 4th, 2020 AT 6:59 PM
Tiny
ON WHEELS
  • MEMBER
  • 7 POSTS
A big help would be an e-mail with all the full sized diagrams and instructions in one place. Then I can open them on my tablet at the car. I am capable of laying fresh wire to the component if need be.
Was this
answer
helpful?
Yes
No
Monday, July 13th, 2020 AT 7:38 PM
Tiny
KASEKENNY
  • MECHANIC
  • 18,907 POSTS
Unfortunately we are not able to email items outside the website as we need to keep them all contained. However, if you access the attached wiring diagram from a computer and right click it. Select save image as, and then you can save it to your computer and email where ever you like.

We need to keep everything contained in the website so that all others can view and follow along if they have the same issue. Sorry for the inconvenience.
Was this
answer
helpful?
Yes
No
+1
Tuesday, July 14th, 2020 AT 7:23 PM
Tiny
ON WHEELS
  • MEMBER
  • 7 POSTS
Okay, I just need to collect them and have them printed at the UPS store. Any advice for testing a module when you don't have a helper?
Was this
answer
helpful?
Yes
No
Wednesday, July 15th, 2020 AT 12:18 AM
Tiny
KASEKENNY
  • MECHANIC
  • 18,907 POSTS
That is going to be difficult without a helper because some of these require inputs while monitoring voltage on that wire at that module. Another way could be if you have a scan tool that can monitor the module while you operate each of the inputs to the module. Take a look at the diagram and you will see the inputs to the module.
Was this
answer
helpful?
Yes
No
Wednesday, July 15th, 2020 AT 6:48 PM

Please login or register to post a reply.