Saturday, November 22nd, 2025 AT 10:31 AM
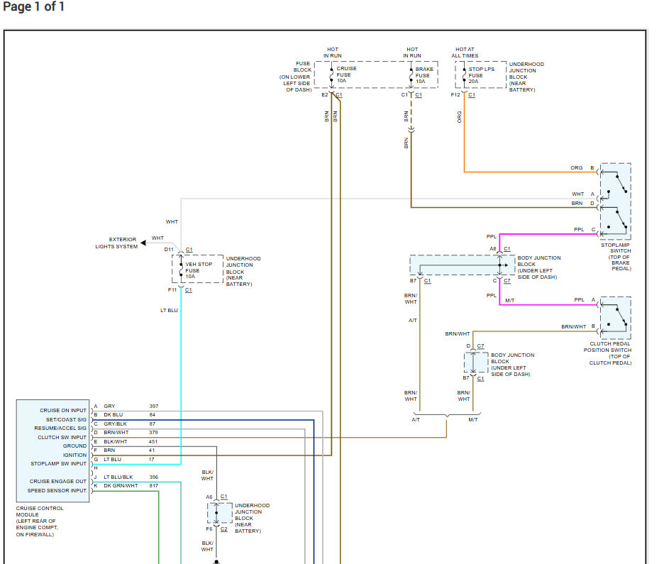
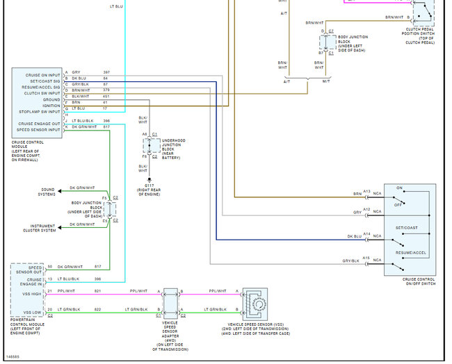
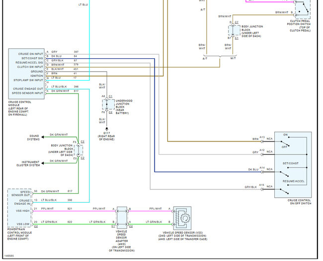
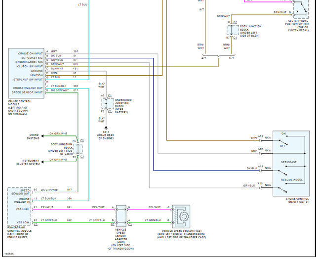
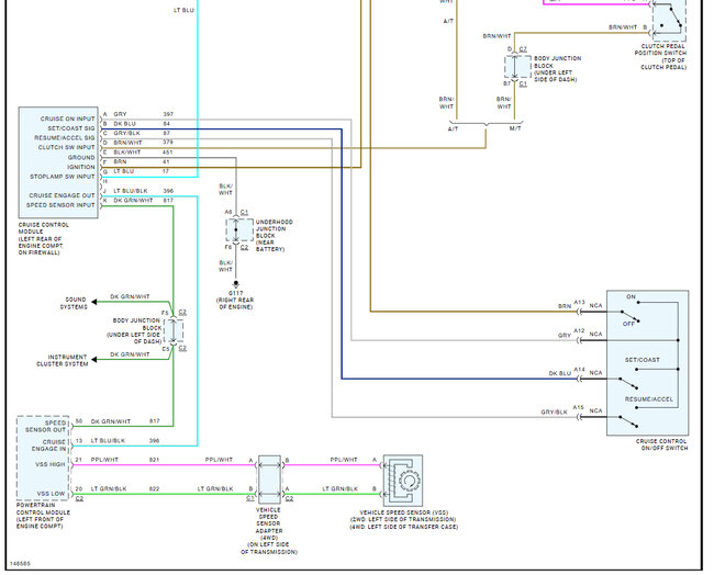
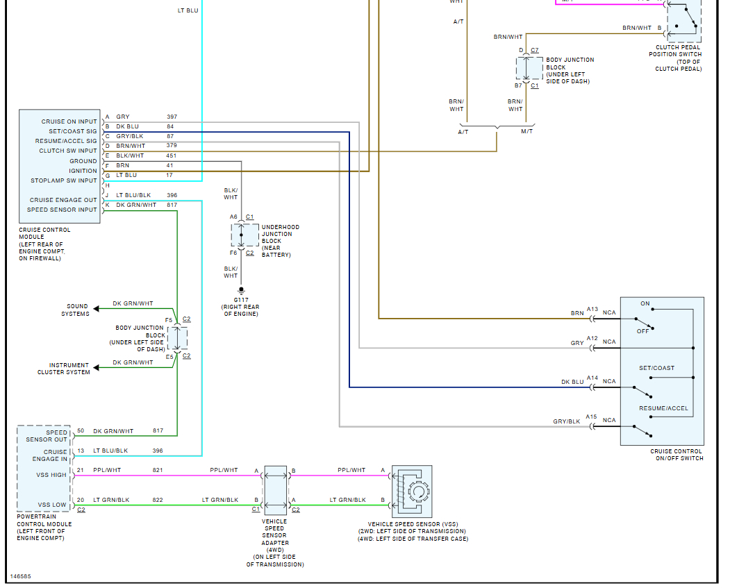
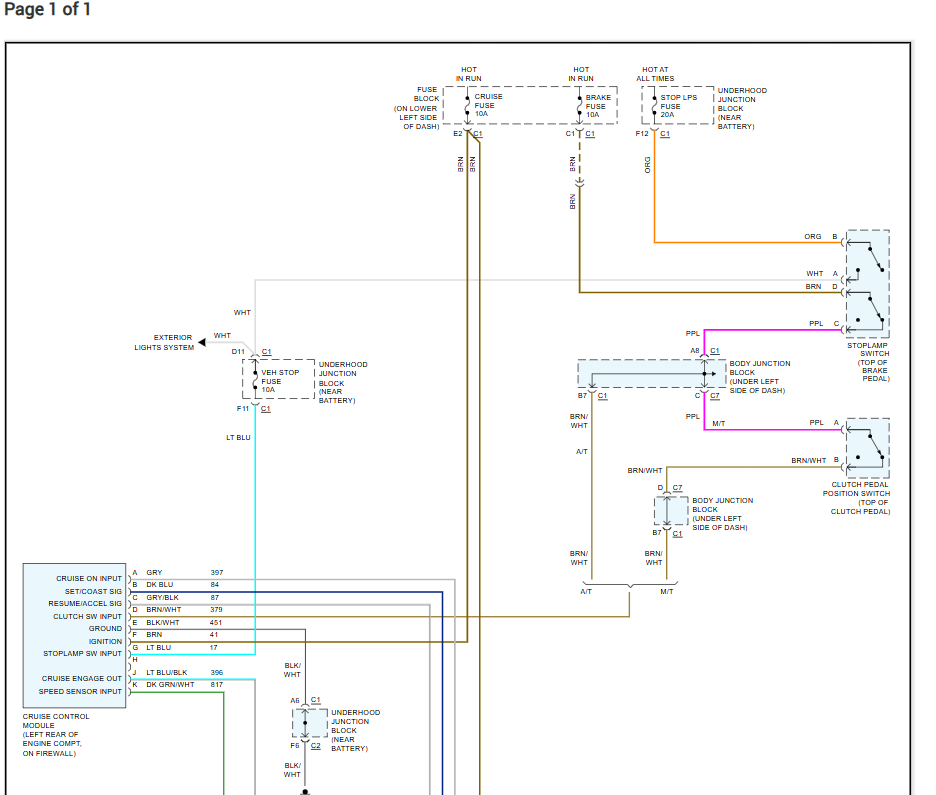
Cruise control will not work at all, not even the indicator light. When I pulled the connector on the cruise control module and checked for voltage pin 'g' 'LT Blue' wire does not indicate voltage with or without brake pedal pushed.



