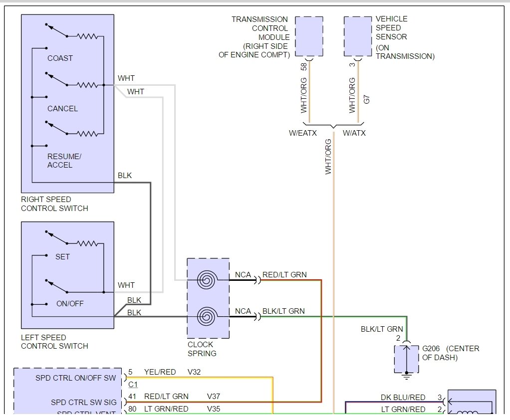
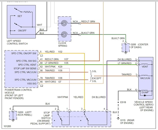
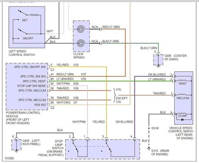
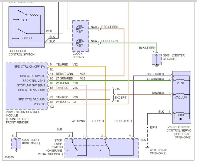
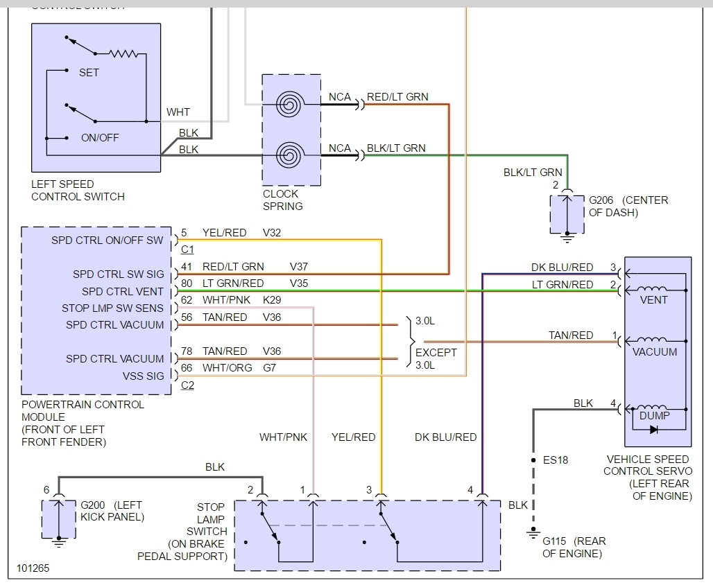
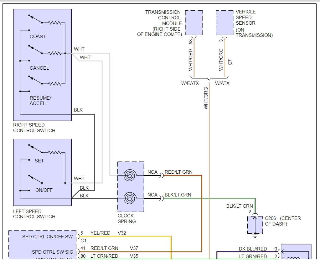
Sunday, October 2nd, 2016 AT 10:15 AM
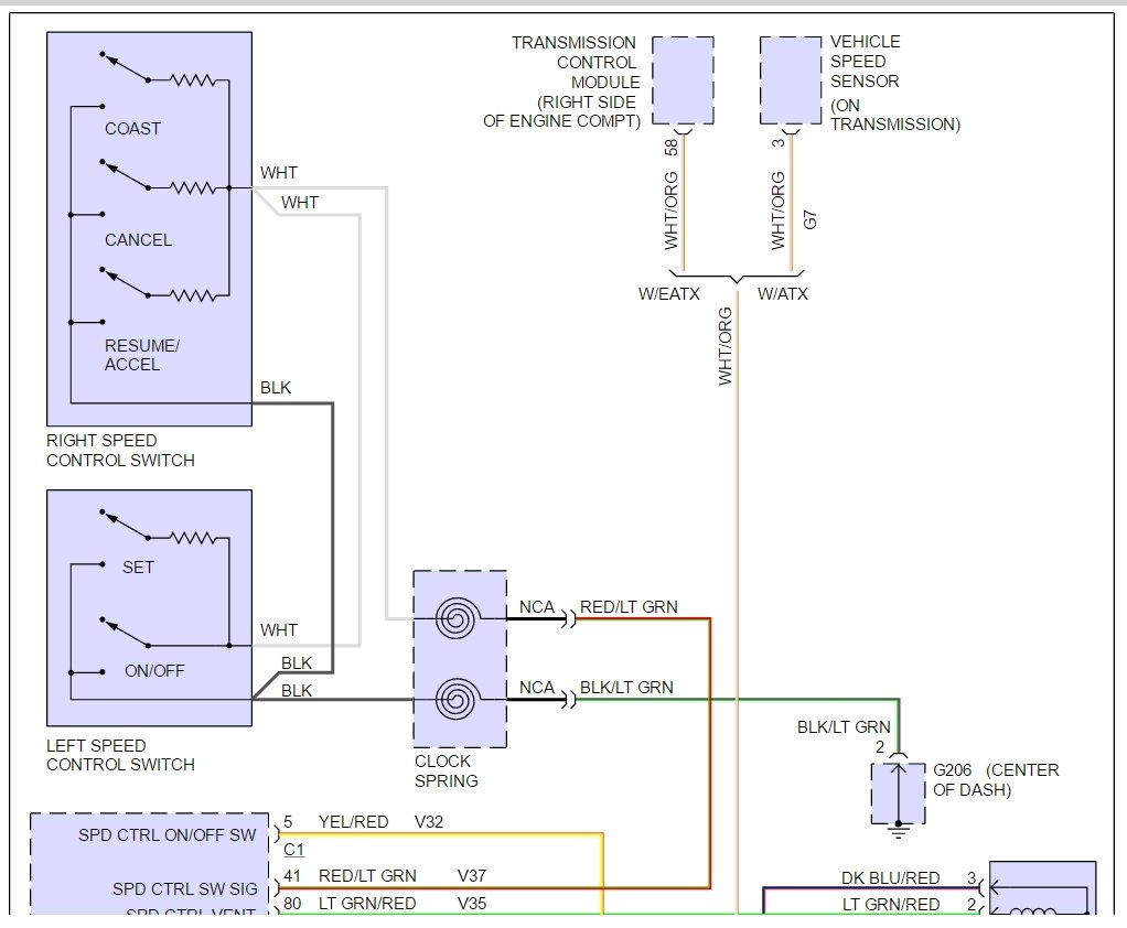
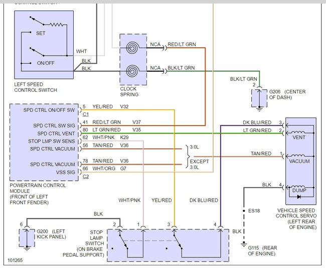
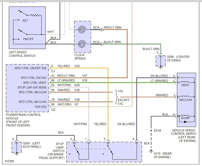
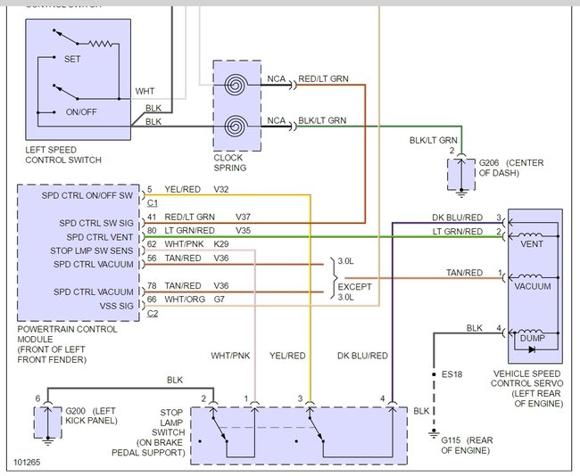
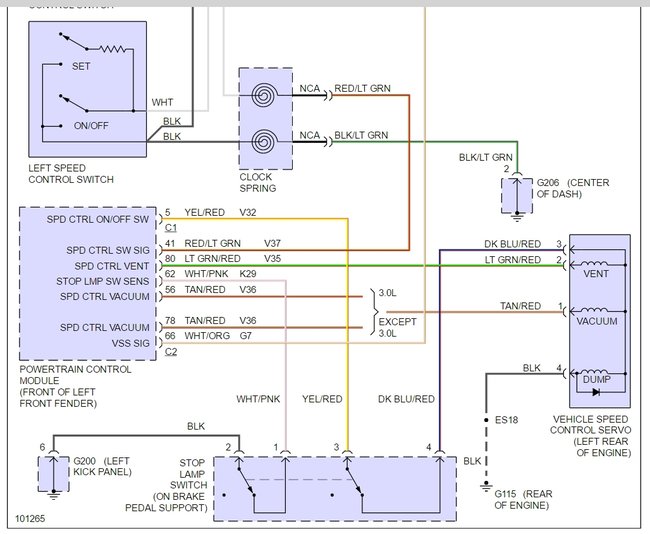
Cruise control stop working. Green light will only come on when ignition switch to start. All brake lights work. Green light will not come on while moving.



