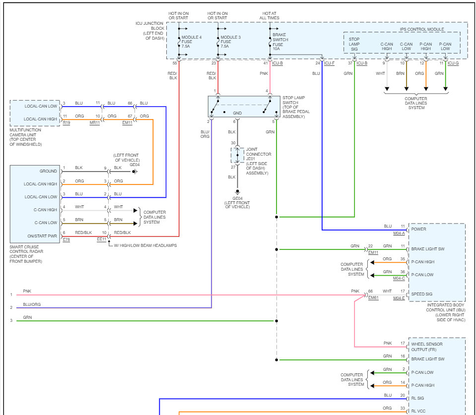
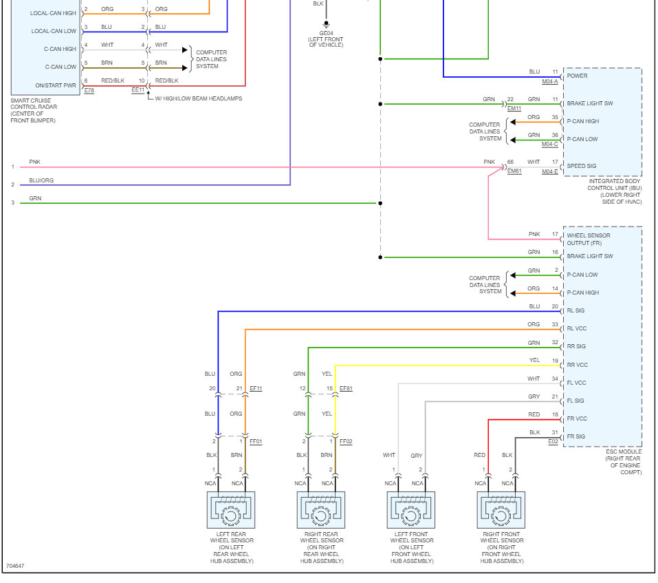
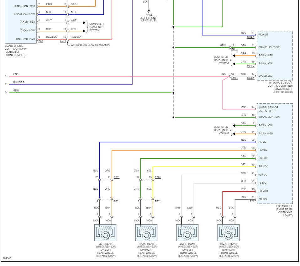
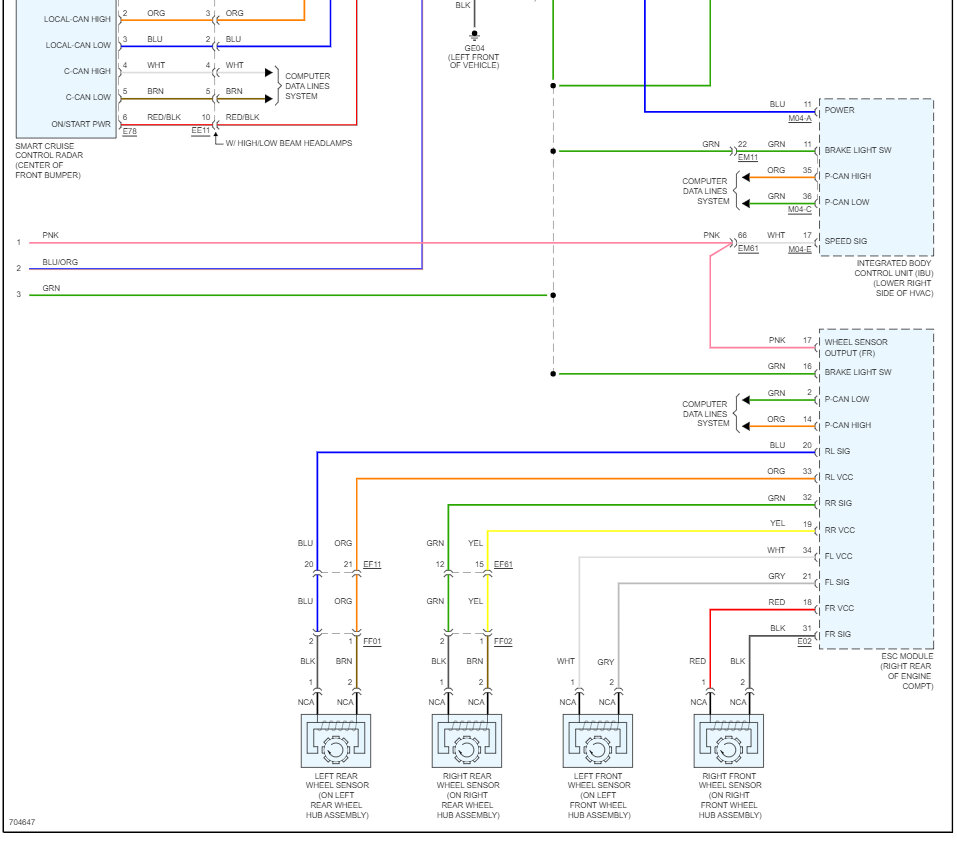
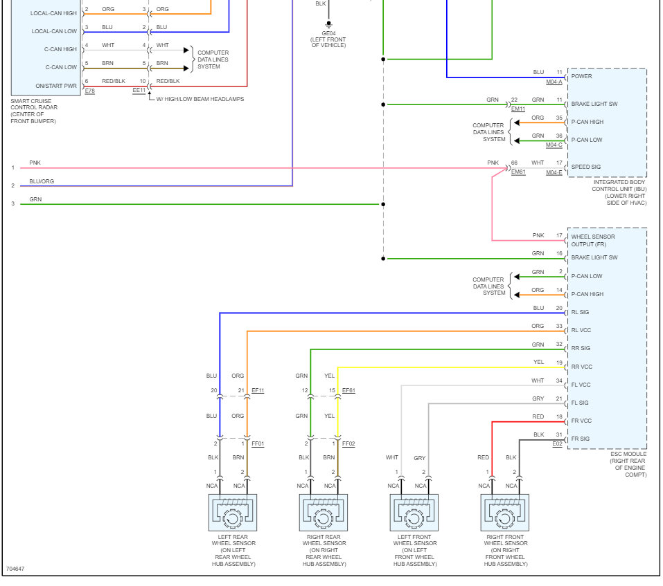
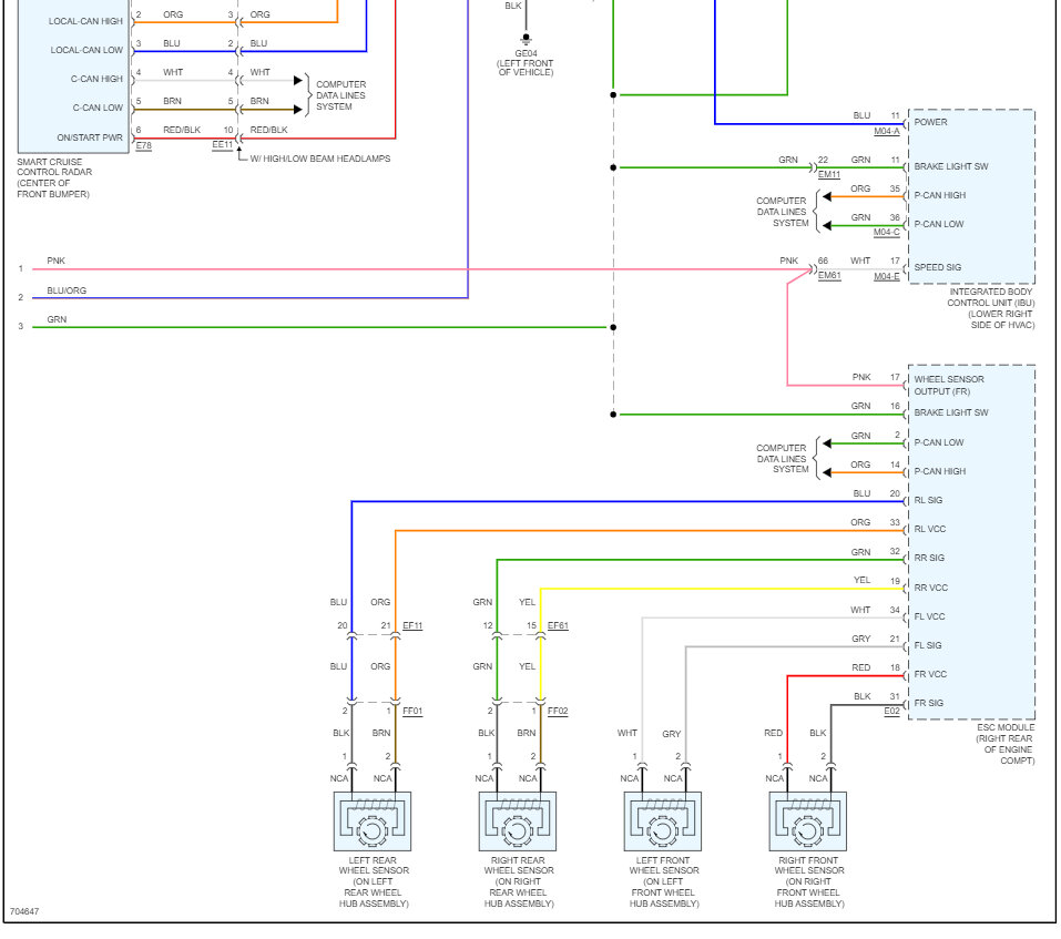
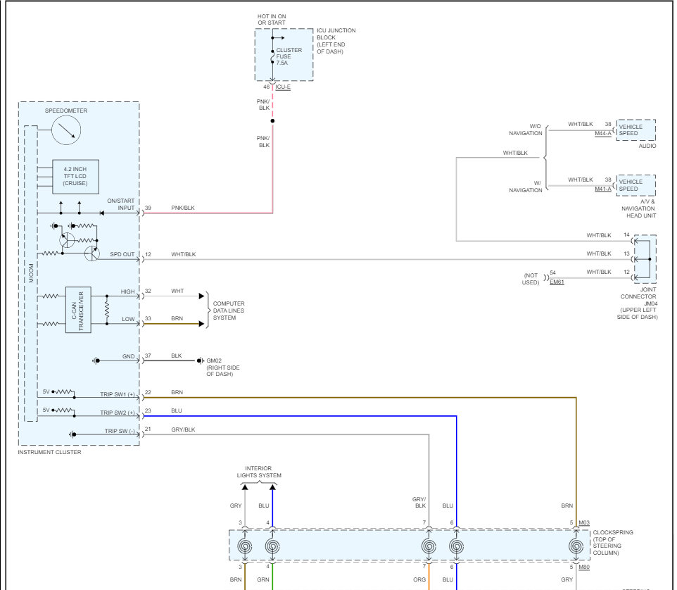
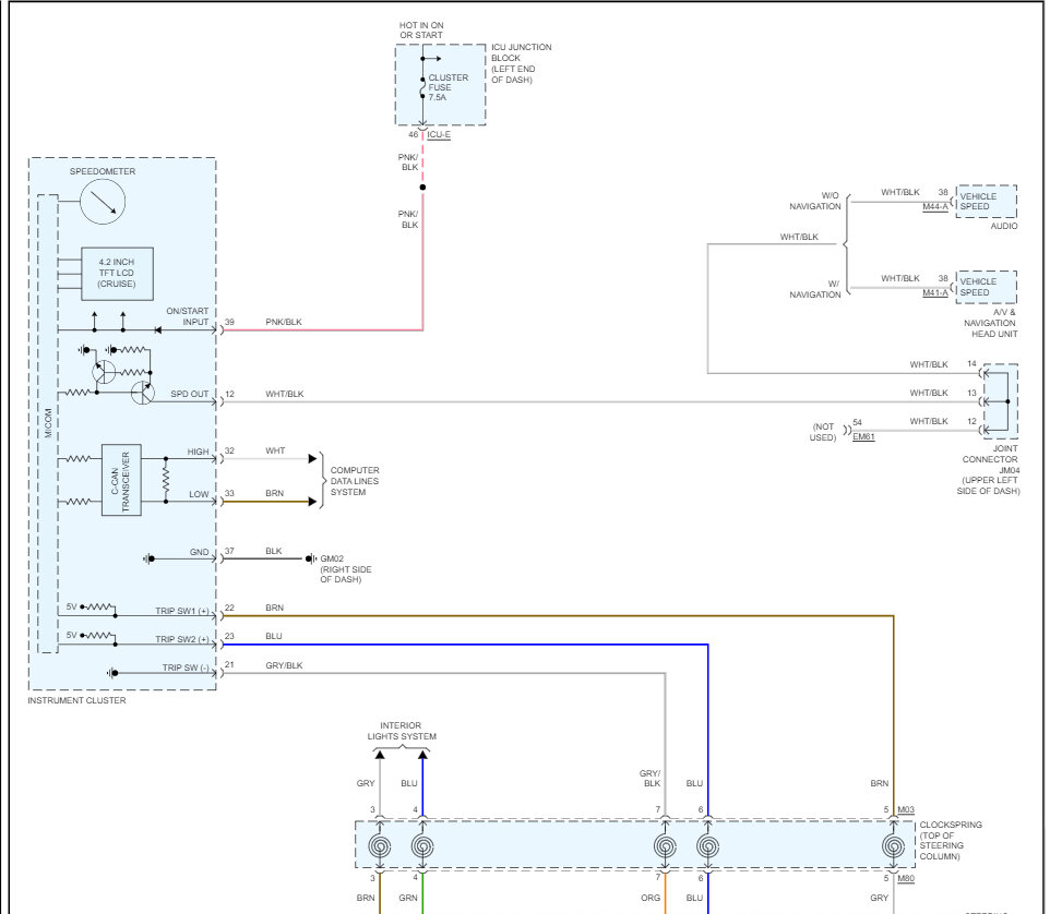
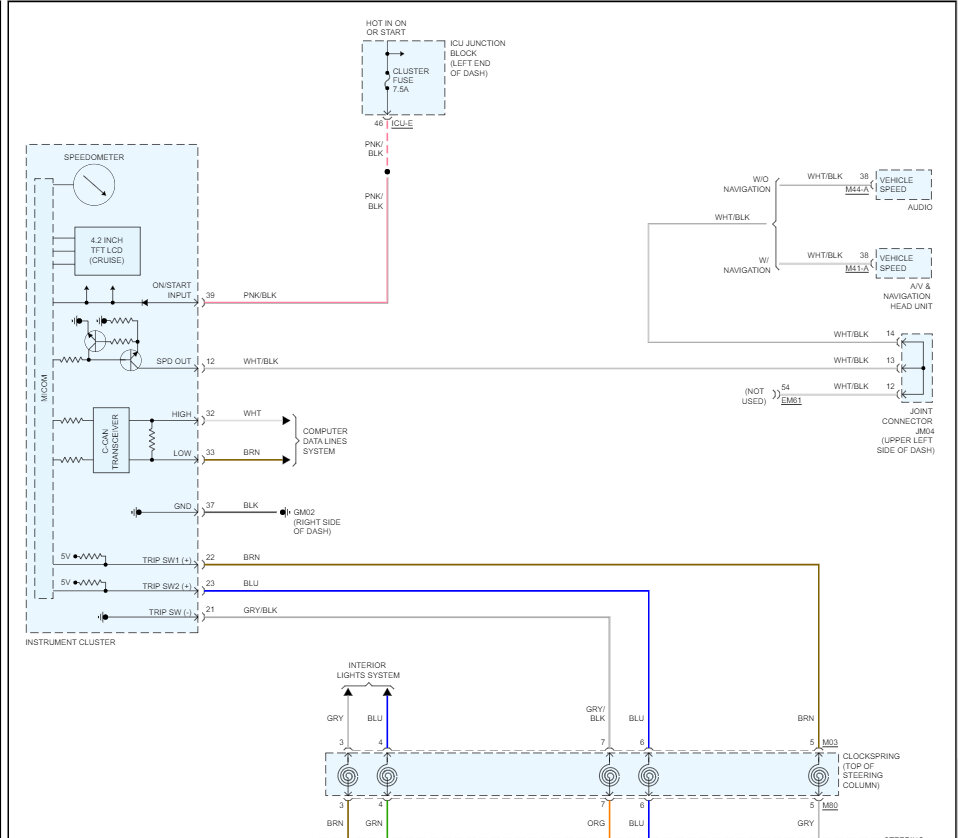
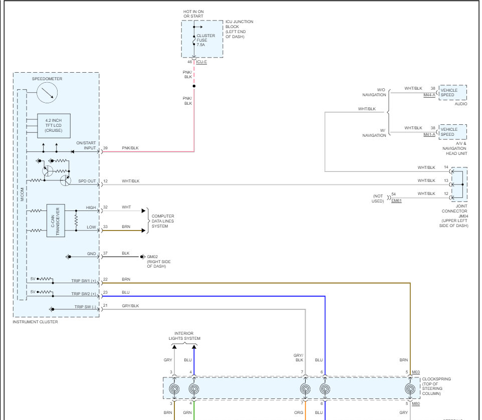
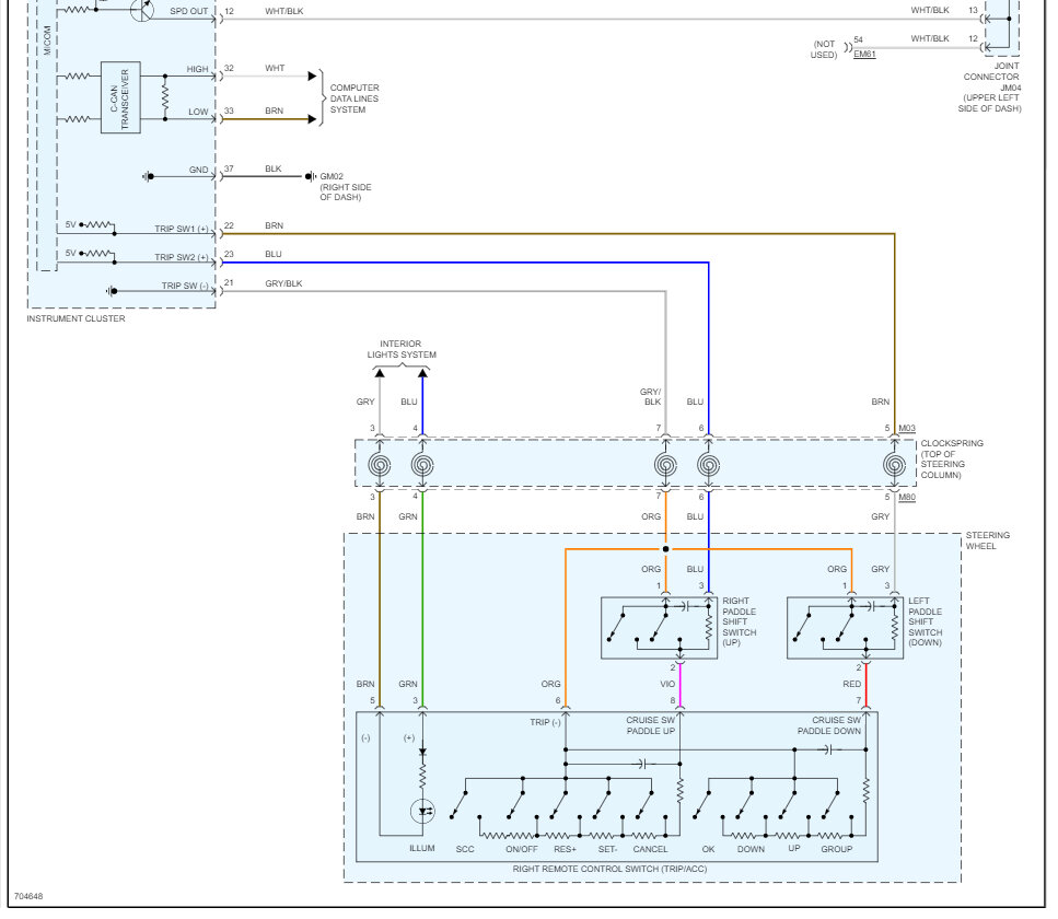
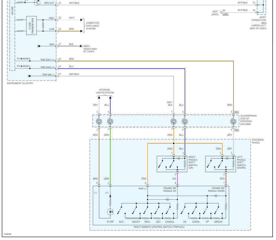
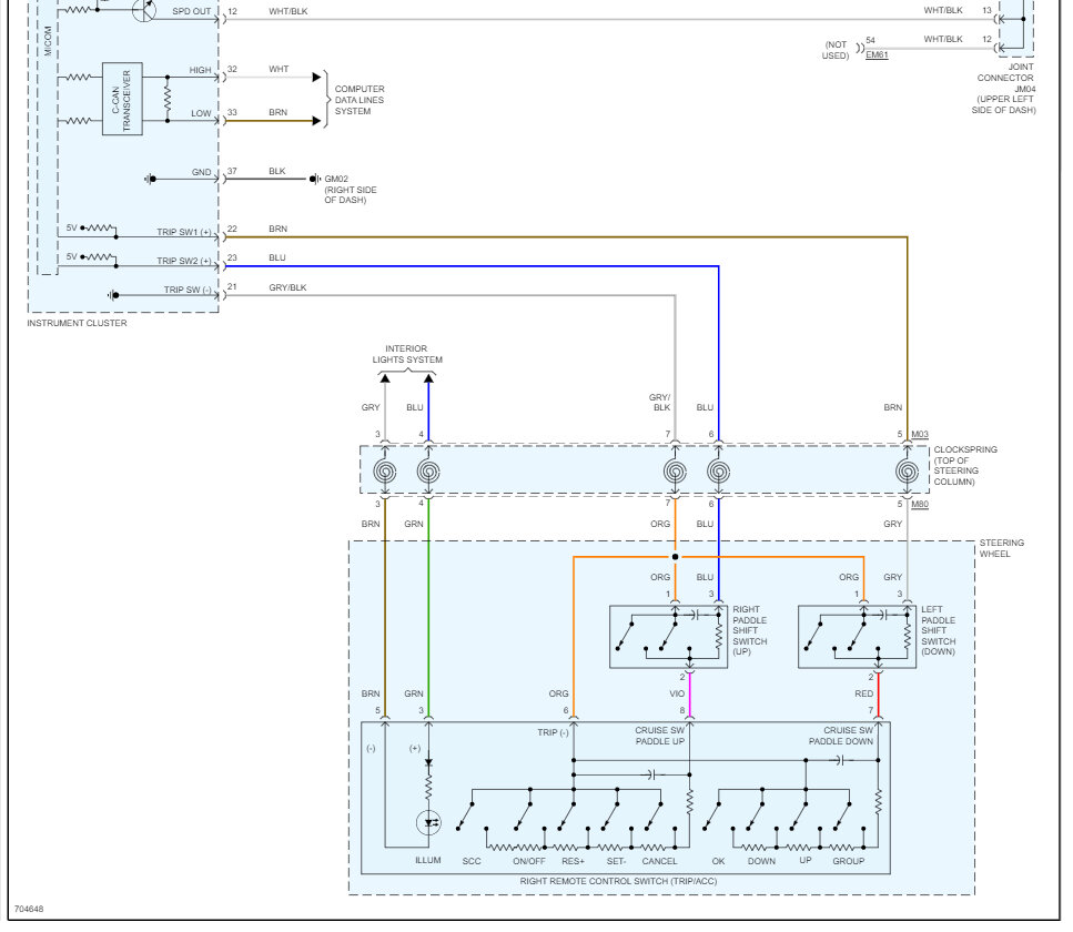
Sunday, May 21st, 2023 AT 8:17 PM
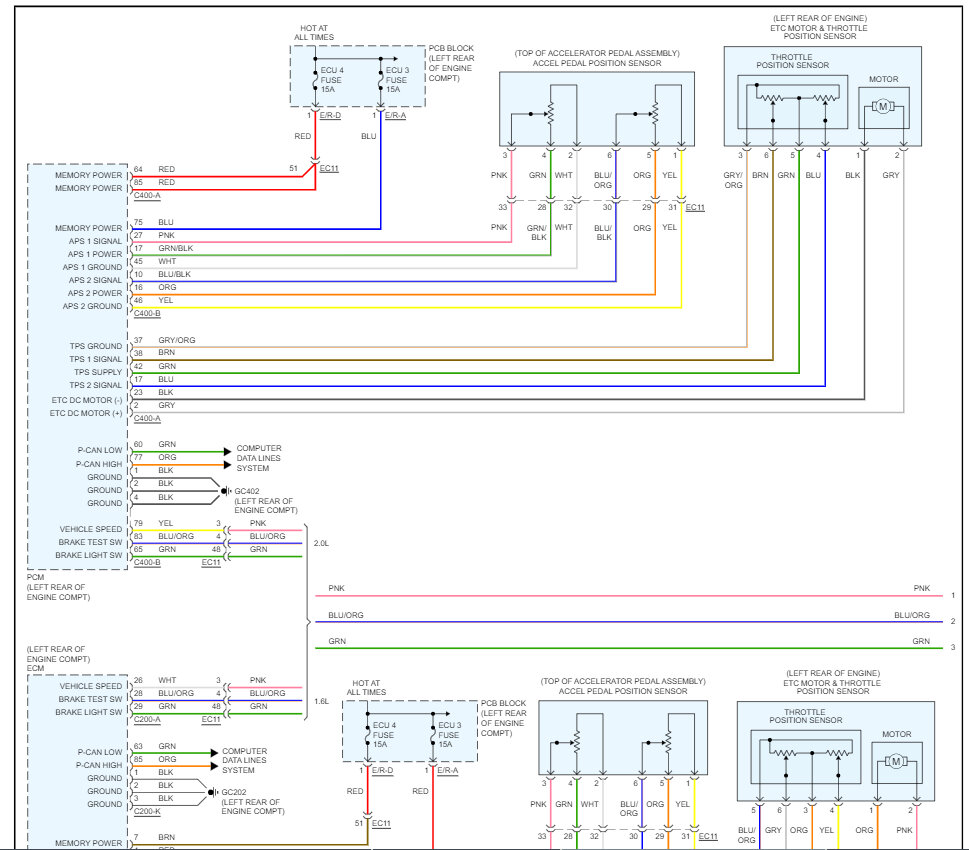
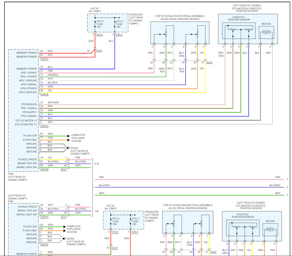
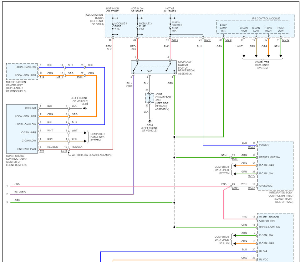
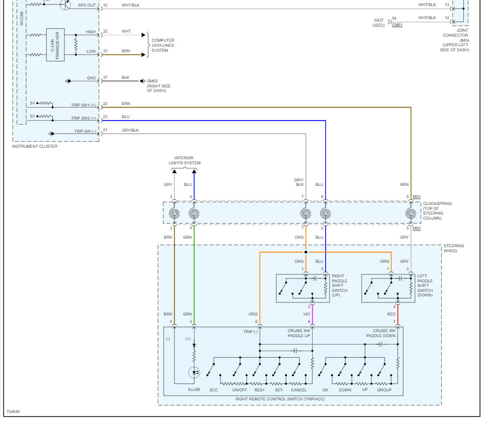
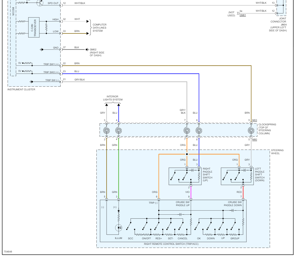
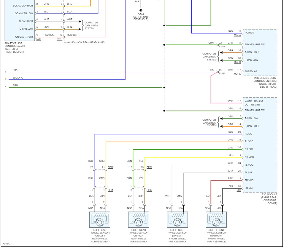
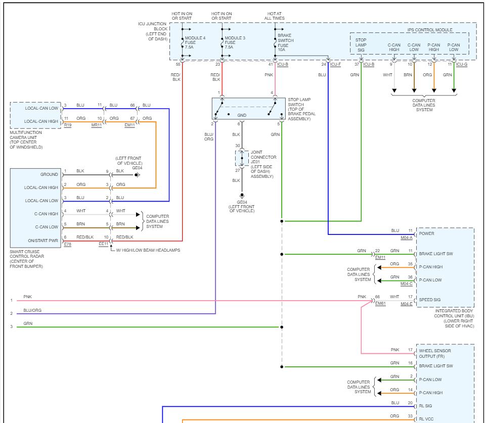
Once I set my cruise control, instead of staying at the speed I set it at it fluctuates up to 5-7 miles faster / slower. Cruise control is supposed to maintain the speed it's set to correct?







