I got a reply back talking about using a multimeter to check the continuity in the cruise control switch simply because the steering wheel or column was the only thing different, so the issue has to be within the wheel.
Now as if today this is where I'm at.
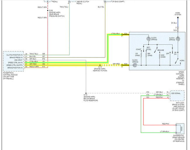
Okay, so I've completely replaced the air bag clock spring that has the wires for the cruise control. But it's still not doing anything. Can't even get the cruise light to come on. After I checked the old cruise control switch and decided I needed to change it out and all I ended up just replacing like I said the whole airbag clock spring part. I don't know if this could've had any effect on the cruise control but the old air bag clock spring, I replaced was all to pieces inside of it. The clocks prong spiral cable part had started melting together.
Monday, February 21st, 2022 AT 7:28 PM






