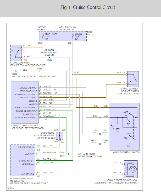
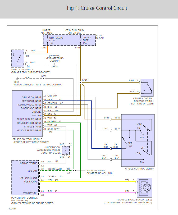
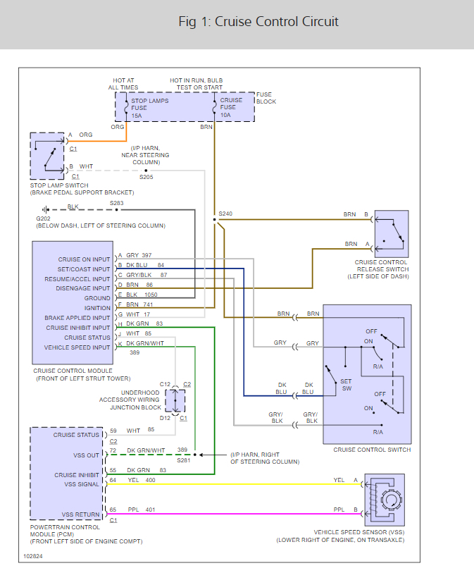
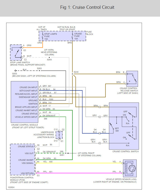
What it does it kicks out. Feels like you cut a tight rope pulling the car and it breaks. When it is on it performs perfectly. It will come on again after about 4.5 miles and kick off again after three miles. This happens after those first miles and times of day as noted above. It seems heat related. No light but after that three miles something happens and it will engage for about four miles. I had a mechanic replace the brake switch, no help. I found one marginal lamp in brake system no help. It works perfect when it will turn on.
What should we try next. Brake pedal returns fine.
Monday, June 3rd, 2019 AT 5:53 PM



