Credit card fell in defrost vent; how do I get it out?

Tiny
BDENNEY
  • MEMBER
  • 2013 FORD EDGE
  • V6
  • 2WD
  • AUTOMATIC
  • 198,000 MILES
I can't see it and I have changed from defrost to head to floor and defrost many times. So, I don't know if it has gone somewhere else. Help Please!
Thursday, October 6th, 2022 AT 4:06 PM

1 Reply

Tiny
KEN L
  • MASTER CERTIFIED MECHANIC
  • 55,420 POSTS
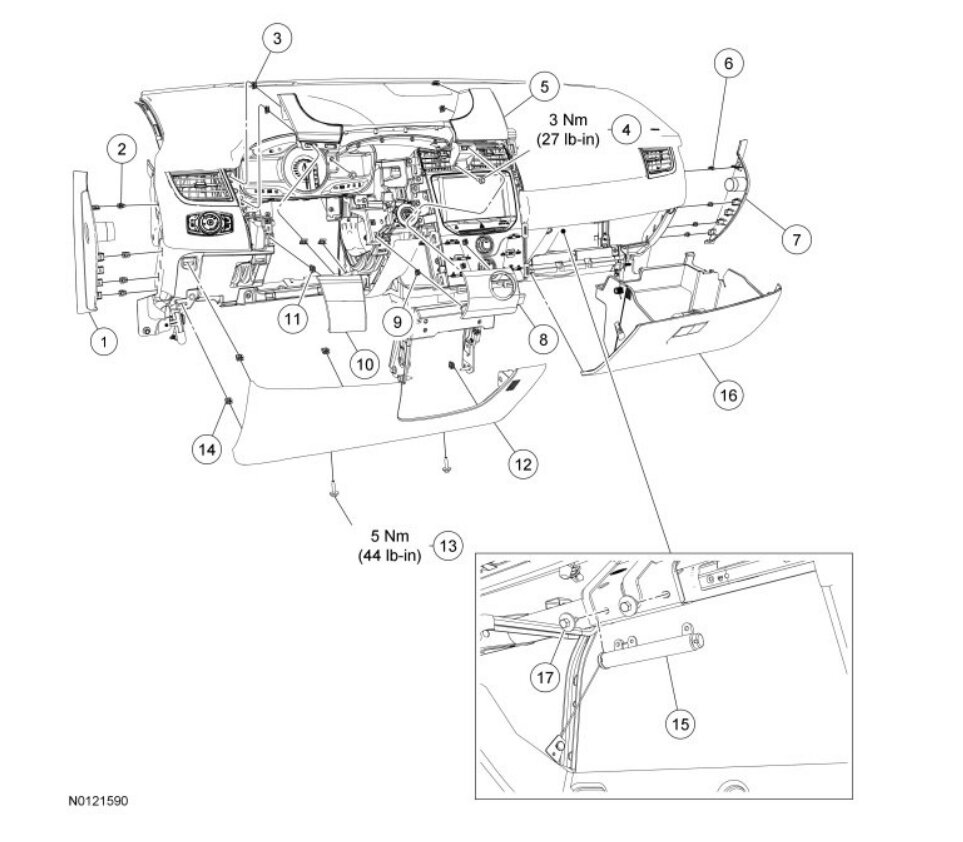
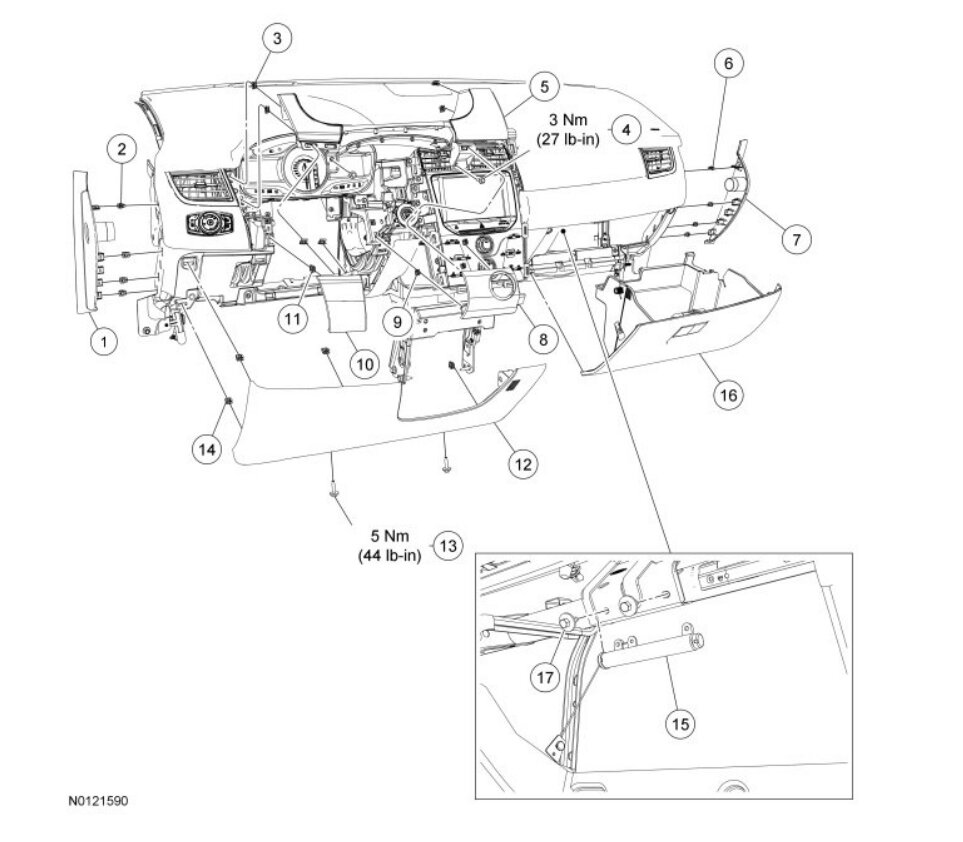
Yep, this happens, the difficulty will depend on how far the credit card has fallen down into the vents, I would use a flashlight and look through the windshield to see if you can locate it. The only thing you can do is start taking apart the dashboard until you find it in the HVAC ducting. Here are images of what you are in for when doing the job. I noticed that this car has a cabin filter. Perhaps if you remove the filter the card will be there, I hope. Check out the images (below). Let us know what happens and please upload pictures or videos of the problem.
Was this
answer
helpful?
Yes
No
Friday, October 7th, 2022 AT 9:36 AM

Please login or register to post a reply.