Crankshaft sensor location/replacement

Tiny
BGSR400
  • MEMBER
  • 2008 SUZUKI XL7
  • 3.6L
  • 6 CYL
  • AUTOMATIC
  • 156,678 MILES
I need to replace my crankshaft position sensor. I'm being told it's extremely hard to get to. Where exactly is it located? And how do I change it?
Tuesday, March 3rd, 2020 AT 7:30 AM

1 Reply

Tiny
ASEMASTER6371
  • MECHANIC
  • 52,796 POSTS
Good morning,

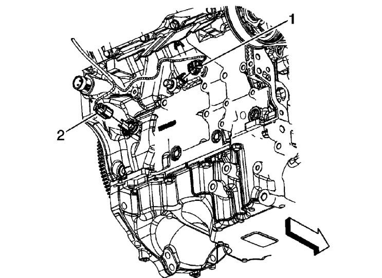
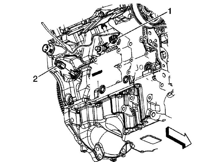
I attached a picture of the location of the sensor for you and the procedure for replacement.

Roy

Removal Procedure
1. Raise and support the vehicle. Refer to [Lifting and Jacking the Vehicle].
2. If equipped with all wheel drive (AWD), remove the transfer case. Refer to [Transfer Case Assembly Replacement].

ImageOpen In New TabZoom/Print

3. Disconnect the engine wiring harness electrical connector (2) from the crankshaft position (CKP) sensor.
4. Remove the crankshaft sensor bolt.
5. Remove the crankshaft sensor.
Was this
answer
helpful?
Yes
No
+2
Tuesday, March 3rd, 2020 AT 8:25 AM

Please login or register to post a reply.