HOME
ASK A QUESTION
REPAIR GUIDES
BECOME A MEMBER
LOG IN
Login with Facebook
OR
Remember me
NOT A MEMBER?
FORGOT PASSWORD?
CONTACT US
PRIVACY POLICY
TERMS AND CONDITIONS
☰
Home
Kia
Sorento
Engine
Crankshaft
Sensor
Location
Crankshaft sensor location
ROBERTSON031
MEMBER
2011 KIA SORENTO
2.4L
4 CYL
2WD
AUTOMATIC
175,000 MILES
I need to know where to find and how to replace the crankshaft sensor. Thanks.
Saturday, March 16th, 2019 AT 10:50 AM
3 Replies
SCGRANTURISMO
MECHANIC
4,897 POSTS
Hello,
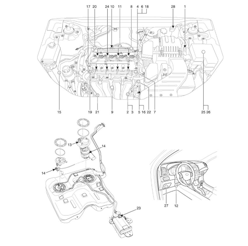
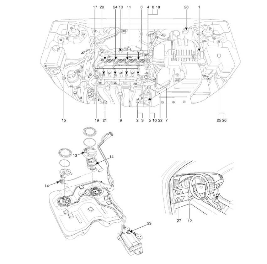
I have included all the information that you requested in the diagrams down below. Please let us know if there anything else we can do to help.
Thanks,
Alex
2CarPros
Images (Click to make bigger)
Was this
answer
helpful?
Yes
No
-1
Saturday, March 16th, 2019 AT 2:19 PM
ROBERTSON031
MEMBER
2 POSTS
Thanks!
Was this
answer
helpful?
Yes
No
Sunday, March 17th, 2019 AT 6:43 AM
KEN L
MASTER CERTIFIED MECHANIC
55,281 POSTS
Use 2CarPros anytime, we are here to help. Please tell a friend.
Was this
answer
helpful?
Yes
No
Tuesday, March 19th, 2019 AT 11:17 AM
Please
login
or
register
to post a reply.
Related Crankshaft Sensor Location Content
Crankshaft Positioning Sensor
Where Is The Crankshaft Positioning Sensor Located And What Do I Have To Do To Change It? I've Looked Everywhere And Can't Seem To...
Asked by
jjablonicky86
·
13 ANSWERS
1 IMAGE
2007
KIA SORENTO
No Start After Replacing Timing Belt And Crank Angle...
I Recently Put In A New Crank Angle Sensor And Changed The Timing Belt. Got Through The Security Reset, I Believe. I Pushed The Reset Under...
Asked by
Prieser19
·
8 ANSWERS
2005
KIA SORENTO
We Changed The Ecu, Engine Injector Of Our Sorento...
We Changed The Ecu, Engine Injector Of Our Sorento And After Changing Ecu There Is No Error At All. But The Car Is Automatically Turned Off...
Asked by
usersorento
·
3 ANSWERS
2002
KIA SORENTO
Crankshaft Sprocket
I Need To Know How To Remove And Replace The Crankshaft Sprocket. The Pin Has Sheered Off Causing The Harmonic Balancer To Not Spin With The...
Asked by
terryshaw
·
1 ANSWER
5 IMAGES
2004
KIA SORENTO
Torque For Crank Pully Bolt
What Is The Torque Spec For The Crank Pulley Bolt?
Asked by
karaokedeb
·
3 ANSWERS
2006
KIA SORENTO
VIEW MORE
Ask a Car Question. It's Free!
Crankshaft Sensor Replacement
Crankshaft Sensor Symptoms
How to fix an engine that wont start