Monday, February 25th, 2019 AT 10:16 PM
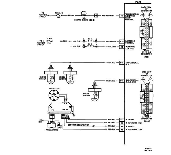
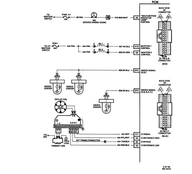
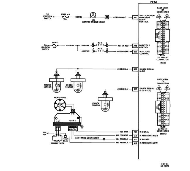
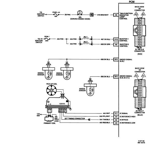
Trying to locate the crankshaft sensor location on this motor. They sell the sensor at the local auto parts store, but the Chevrolet dealer in parts doesn't think this motor came with one. Then how come they sell a crankshaft sensor for this truck at AutoZone? It's not on the front pulley or no wires coming from behind the starter. Only starter wires are visible. Please help! Thanks, Tom.

