Wednesday, October 9th, 2019 AT 4:47 PM
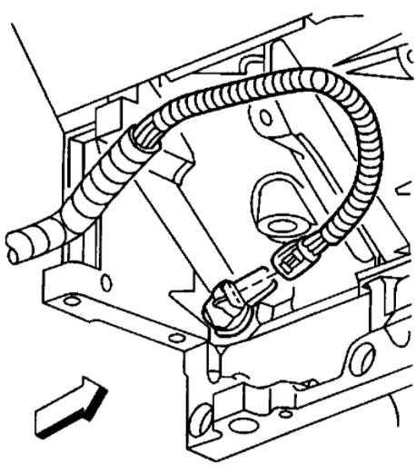
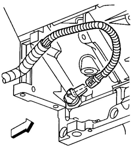
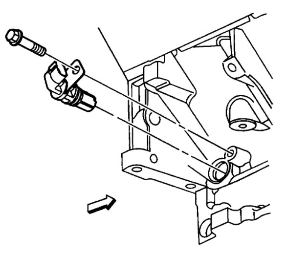
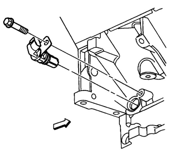
My crankshaft position sensor is smaller in diameter than the design one. I was told that the brass cup inside needs to come out. Need instructions on how to do it.
















